电脑桌面
添加小米粒文库到电脑桌面
安装后可以在桌面快捷访问

钢结构单层厂房结构计算书

钢结构单层厂房结构计算书_第1页
1/40
钢结构单层厂房结构计算书_第2页
2/40
钢结构单层厂房结构计算书_第3页
3/40
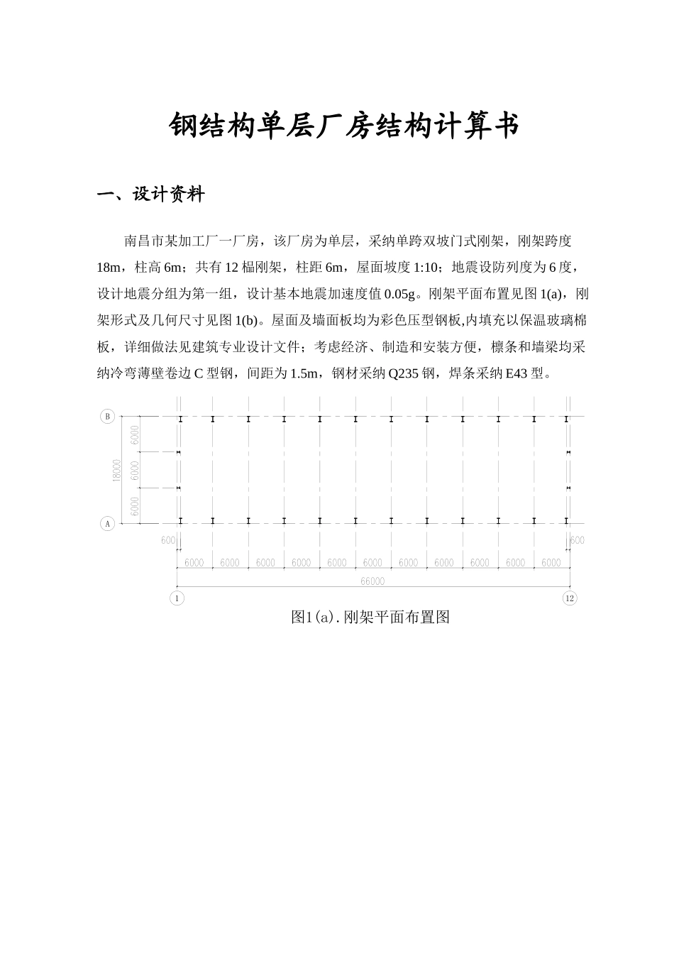
钢结构单层厂房结构计算书一、设计资料南昌市某加工厂一厂房,该厂房为单层,采纳单跨双坡门式刚架,刚架跨度18m,柱高 6m;共有 12 榀刚架,柱距 6m,屋面坡度 1:10;地震设防列度为 6 度,设计地震分组为第一组,设计基本地震加速度值 0.05g。刚架平面布置见图 1(a),刚架形式及几何尺寸见图 1(b)。屋面及墙面板均为彩色压型钢板,内填充以保温玻璃棉板,详细做法见建筑专业设计文件;考虑经济、制造和安装方便,檩条和墙梁均采纳冷弯薄壁卷边 C 型钢,间距为 1.5m,钢材采纳 Q235 钢,焊条采纳 E43 型。112AB图1(a).刚架平面布置图二、荷载计算(一)荷载取值计算1.屋盖永久荷载标准值(对水平投影面)YX51-380-760 型彩色压型钢板0.15 KN/m250mm 厚保温玻璃棉板0.05 KN/m2PVC 铝箔及不锈钢丝网0.02 KN/m2檩条及支撑0.10 KN/m2刚架斜梁自重0.15 KN/m2悬挂设备0.20 KN/m2合计0.67 KN/m22.屋面可变荷载标准值屋面活荷载:按不上人屋面考虑,取为 0.50 KN/m2。雪荷载:基本雪压 S0=0.45 KN/m2。对于单跨双坡屋面,屋面坡角α=5°42′38″,μr=1.0,雪荷载标准值 Sk=μrS0=0.45 KN/m2。取屋面活荷载与雪荷载中的较大值 0.50 KN/m2,不考虑积灰荷载。3.轻质墙面及柱自重标准值(包括柱、墙骨架等)0.50 KN/m24.风荷载标准值按《门式刚架轻型房屋钢结构技术规程》CECS102:2025 附录 A 的规定计算。基本风压 ω0=1.05×0.45 KN/m2,地面粗糙度类别为 B 类;风荷载高度变化系数按《建筑结构荷载法律规范》(GB50009-2001)的规定采纳,当高度小于 10m 时,按10m 高度处的数值采纳,μz=1.0。风荷载体型系数 μs:迎风面柱及屋面分别为+0.25和-1.0,背风面柱及屋面分别为+0.55 和-0.65(CECS102:2025 中间区)。5.地震作用据《全国民用建筑工程设计技术措施—结构》中第 18.8.1 条建议:单层门式刚架轻型房屋钢结构一般在抗震设防烈度小于等于 7 度的地区可不进行抗震计算。故本工程结构设计不考虑地震作用。(二)各部分作用的荷载标准值计算屋面:恒荷载标准值:0.67×6=4.02KN/m活荷载标准值:0.50×6=3.00KN/m柱荷载:恒荷载标准值:0.5×6×6+4.02×9=54.18KN活荷载标准值:3.00×9=27.00KN风荷载标准值:迎风面:柱上 qw1=0.47×6×0.25=0.71KN/m横梁上 qw2=-0.47×6×1.0=-2.82KN/m背风面:柱上 qw3=-0.47×6×0.55=-1.55KN/m横梁上 qw4=-0.47×6×0.65=-1.83KN/m三、内力...

1、当您付费下载文档后,您只拥有了使用权限,并不意味着购买了版权,文档只能用于自身使用,不得用于其他商业用途(如 [转卖]进行直接盈利或[编辑后售卖]进行间接盈利)。
2、本站所有内容均由合作方或网友上传,本站不对文档的完整性、权威性及其观点立场正确性做任何保证或承诺!文档内容仅供研究参考,付费前请自行鉴别。
3、如文档内容存在违规,或者侵犯商业秘密、侵犯著作权等,请点击“违规举报”。

碎片内容

钢结构单层厂房结构计算书

领读文化+ 关注
实名认证
内容提供者

传播文化,铸就未来

确认删除?
VIP
微信客服
  • 扫码咨询
会员Q群
  • 会员专属群点击这里加入QQ群
客服邮箱
回到顶部