电脑桌面
添加小米粒文库到电脑桌面
安装后可以在桌面快捷访问

钢结构基本原理课程设计钢框架设计说明书

钢结构基本原理课程设计钢框架设计说明书_第1页
1/24
钢结构基本原理课程设计钢框架设计说明书_第2页
2/24
钢结构基本原理课程设计钢框架设计说明书_第3页
3/24
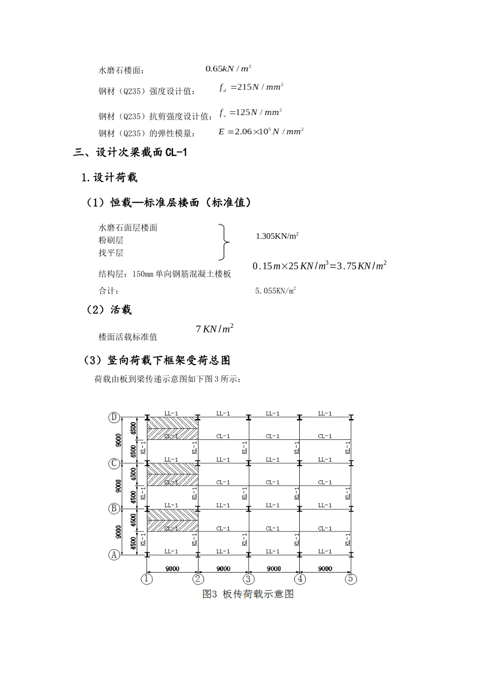
钢结构基本原理课程设计钢框架设计说明书一、设计资料工程名称:某多层图书馆二楼框架书库工程资料:结构采纳横向框架承重,楼面活荷载标准值 7,楼面板为 150mm厚单向实心钢筋混凝土板,荷载传力途径为:楼面板-次梁-主梁-柱-基础。设计中仅考虑竖向荷载和活载作用,框架梁按连续梁计算。框架平面布置图和柱截面图如图 1 和图 2。工程要求:(1)设计次梁截面 CL-1。 (2)设计框架主梁截面 KL-1。 (3)设计框架主梁短梁段与框架柱连接节点,要求采纳焊缝连接,短梁段长度一般为 0.9~1.2m。 (4)设计框架主梁短梁段与梁体施工场地拼接节点,要求采纳高强螺栓连接。 (5)绘制主梁与柱连接节点详图,短梁段及梁体连接节点详图,短梁段与梁体制作详图(1#图纸一张),KL-1 钢材用量表,设计说明。 (6)计算说明书,包括构件截面尺寸估算、荷载计算、内力组合、主次梁截面设计、主次梁强度、刚度、整体稳定、局部稳定验算。二、设计参数混凝土自重: 厚度:150mm粉刷层: 厚度:15mm找平层: 厚度:20mm楼面活荷载的标准值: 水磨石楼面: 钢材(Q235)强度设计值: 钢材(Q235)抗剪强度设计值: 钢材(Q235)的弹性模量: 三、设计次梁截面 CL-11.设计荷载(1)恒载—标准层楼面(标准值) 水磨石面层楼面 粉刷层 找平层 结构层:150mm 单向钢筋混凝土楼板 0.15m×25 KN /m3=3.75KN /m2 合计: 5.055KN/m2(2)活载 楼面活载标准值 7 KN /m2 (3)竖向荷载下框架受荷总图 荷载由板到梁传递示意图如下图 3 所示:1.305KN/m2a.荷载标准值 楼面板传恒载=12×5.055 KN /m2×4.5m×2=22.7475 KN /m 楼面传递活载=12×7 KN /m2×4.5m×2=31.5 KN /mb.荷载设计值 q=1.2q恒+1.4 q活=71.397KN /mc.最大弯矩与剪力设计值 次梁架于主梁之上,相当于简支结构,计算简图如下图 4:M max= 18 ql2= 18×71.397×92=722.895KNmV max=12 ql=327.712.确定次梁的截面尺寸 由于设计初钢梁自重未知(考虑安全因素),故取: M=1.02Mmax=1.02×722.895=737.353 KNm 次梁所需的截面抵抗矩: W x= M 计f d=737.353215=3.430×106mm3 次梁选用工字形截面,则: (1)确定腹板尺寸梁的经济高度: he=7 3√W x−300=755.67 mm 取: h=760mm(h>he) 次梁计算简图 4 腹板厚度: tw=√he3.5=7.89mm 取: tw=12mm 若翼缘的厚度取: 则 hw=h−2t=720mm (2)确定翼缘尺寸: 每个翼...

1、当您付费下载文档后,您只拥有了使用权限,并不意味着购买了版权,文档只能用于自身使用,不得用于其他商业用途(如 [转卖]进行直接盈利或[编辑后售卖]进行间接盈利)。
2、本站所有内容均由合作方或网友上传,本站不对文档的完整性、权威性及其观点立场正确性做任何保证或承诺!文档内容仅供研究参考,付费前请自行鉴别。
3、如文档内容存在违规,或者侵犯商业秘密、侵犯著作权等,请点击“违规举报”。

碎片内容

钢结构基本原理课程设计钢框架设计说明书

确认删除?
VIP
微信客服
  • 扫码咨询
会员Q群
  • 会员专属群点击这里加入QQ群
客服邮箱
回到顶部