电脑桌面
添加小米粒文库到电脑桌面
安装后可以在桌面快捷访问

长春市某政府新建办公楼工程桁架吊装施工方案

长春市某政府新建办公楼工程桁架吊装施工方案_第1页
1/7
长春市某政府新建办公楼工程桁架吊装施工方案_第2页
2/7
长春市某政府新建办公楼工程桁架吊装施工方案_第3页
3/7
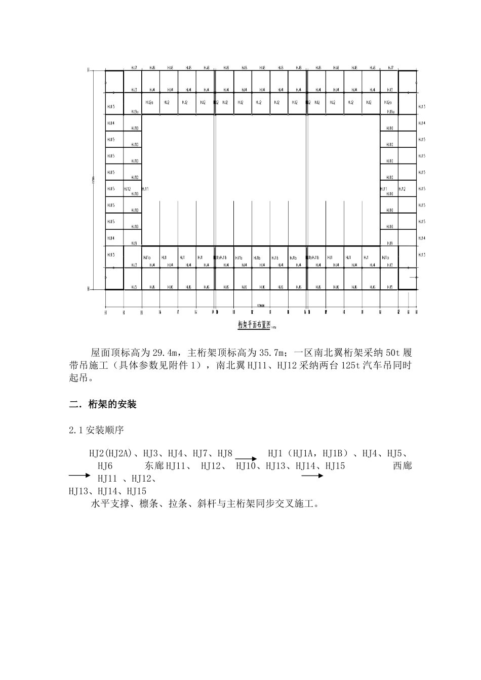
长春市某新建办公楼工程起重吊装工程施工方案 版 本 第一版 编 号 编 制 审 核 审 批 中 国 建 筑 ** 工 程 局目 录一. 工程概况...............................................................................................................................................2二.桁架的安装...........................................................................................................................................22.1 安装顺序............................................................................................................................................22.2 安装方式............................................................................................................................................42.3 缆风拖拉绳的设置...........................................................................................................................5三.安全注意事项.......................................................................................................................................53.1 作业前的检查和启动........................................................................................................................53.2 作业中安全注意事项........................................................................................................................63.3 作业后注意事项................................................................................................................................6一. 工程概况长春市某新建办公楼工程桁架结构位于一区屋顶,为管式桁架。具体位置如下图所示: 屋面顶标高为 29.4m,主桁架顶标高为 35.7m;一区南北翼桁架采纳 50t 履带吊施工(具体参数见附件 1),南北翼 HJ11、HJ12 采纳两台 125t 汽车吊同时起吊。二.桁架的安装2.1 安装顺序 HJ2(HJ2A)、HJ3、HJ4、HJ7、HJ8 HJ1(HJ1A,HJ1B)、HJ4、HJ5、 HJ6 东廊 HJ11、 HJ12、 HJ10、HJ13、HJ14、HJ15 西廊HJ11 、HJ12、HJ13、HJ14、HJ15水平支撑、檩条、拉条、斜杆与主桁架同步交叉施工。2.2 安装方式东西廊桁架安装利用 75 吨汽车吊(...

1、当您付费下载文档后,您只拥有了使用权限,并不意味着购买了版权,文档只能用于自身使用,不得用于其他商业用途(如 [转卖]进行直接盈利或[编辑后售卖]进行间接盈利)。
2、本站所有内容均由合作方或网友上传,本站不对文档的完整性、权威性及其观点立场正确性做任何保证或承诺!文档内容仅供研究参考,付费前请自行鉴别。
3、如文档内容存在违规,或者侵犯商业秘密、侵犯著作权等,请点击“违规举报”。

碎片内容

长春市某政府新建办公楼工程桁架吊装施工方案

您可能关注的文档

一二三四传媒+ 关注
实名认证
内容提供者

大量资料供您选择,没有合适的可以联系小二。

确认删除?
VIP
微信客服
  • 扫码咨询
会员Q群
  • 会员专属群点击这里加入QQ群
客服邮箱
回到顶部