电脑桌面
添加小米粒文库到电脑桌面
安装后可以在桌面快捷访问

雨水管道及配件安装

雨水管道及配件安装_第1页
1/19
雨水管道及配件安装_第2页
2/19
雨水管道及配件安装_第3页
3/19
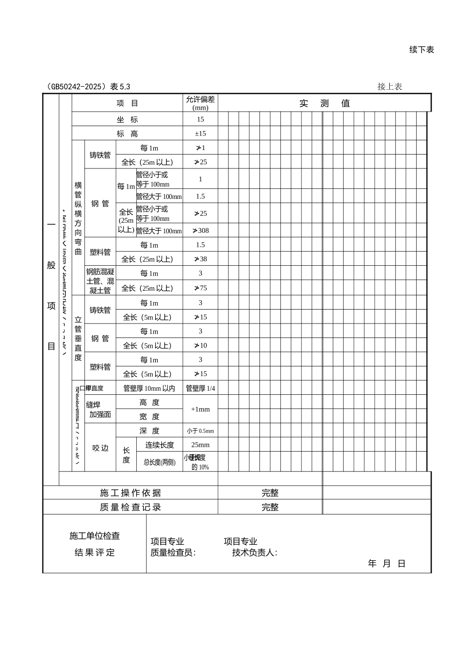
雨水管道及配件安装工程检验批质量验收记录(GB50242-2025)表 5.3 编号:050202 001工程名称宁波某学院杭州湾校区一期工程 1~4#教学楼分部工程名称建筑给水、排水及采暖工程项目经理周明分项工程名称及施工单位雨水管道及配件安装浙江省二建建设集团有限公司验收部位YL1-YL10施工执行标准名称及编号建筑给水排水及采暖工程施工质量验收法律规范GB50242-2025专业工长(施工员)张潇分包单位/分包项目经理/施工班组长胡继星质 量 验 收 规 范 的 规 定施工单位自检记录监理(建设)单位验收记录主控项目1室内雨水管道灌水试验 (5.3.1 条)符合要求2塑料雨水管道、伸缩节安装 (5.3.2 条)符合要求3悬吊式雨水管敷设坡度不得小于 5‰(5.3.3 条)地下埋设雨水排水管道的最小 坡 度(5.3.3 条)管径(mm)最小坡度(‰)502075151008符合要求12561505200~4004一般项目1雨水管不得与生活污水管连接 (5.3.4 条)符合要求2雨水斗管的安装 (5.3.5 条)符合要求3悬吊式雨水管检查口或带法兰堵口三通的间距 (5.3.6 条)悬吊管检查口间 距悬吊管径(mm)检查口间距(m)≤150≯15≥200≯20续下表(GB50242-2025)表 5.3 接上表一般项目4 室内排水与雨水管道的安装(5.3.7条)项 目允许偏差(mm)实 测 值坐 标15标 高±15横管纵横方向弯曲铸铁管每 1m≯1全长(25m 以上)≯25钢 管每 1m管径小于或等于 100mm1管径大于 100mm1.5全长(25m以上)管径小于或等于 100mm≯25管径大于 100mm≯308塑料管每 1m1.5全长(25m 以上)≯38钢筋混凝土管、混凝土管每 1m3全长(25m 以上)≯75立管垂直度铸铁管每 1m3全长(5m 以上)≯15钢 管每 1m3全长(5m 以上)≯10塑料管每 1m3全长(5m 以上)≯15钢管管道焊口(5.3.8条)焊口平直度管壁厚 10mm 以内管壁厚 1/4焊缝加强面高 度+1mm宽 度咬 边深 度小于 0.5mm长度连续长度25mm总长度(两侧)小于焊缝长度的 10%施 工 操 作 依 据完整质 量 检 查 记 录完整施工单位检查结 果 评 定项目专业 项目专业质量检查员: 技术负责人:年 月 日监理(建设)单位验收结论专业监理工程师:(建设单位项目专业技术负责人)年 月 日雨水管道及配件安装工程检验批质量验收记录(GB50242-2025)表 5.3 编号:050202 002工程名称宁波某学院杭州湾校区一期工程 1~4#教学楼分部工程名称建筑给水、排水及采暖工程项目经理周明分项工程名称及施工单位雨水管道及配件安装...

1、当您付费下载文档后,您只拥有了使用权限,并不意味着购买了版权,文档只能用于自身使用,不得用于其他商业用途(如 [转卖]进行直接盈利或[编辑后售卖]进行间接盈利)。
2、本站所有内容均由合作方或网友上传,本站不对文档的完整性、权威性及其观点立场正确性做任何保证或承诺!文档内容仅供研究参考,付费前请自行鉴别。
3、如文档内容存在违规,或者侵犯商业秘密、侵犯著作权等,请点击“违规举报”。

碎片内容

雨水管道及配件安装

您可能关注的文档

确认删除?
VIP
微信客服
  • 扫码咨询
会员Q群
  • 会员专属群点击这里加入QQ群
客服邮箱
回到顶部