电脑桌面
添加小米粒文库到电脑桌面
安装后可以在桌面快捷访问

项目部安全检查隐患整改记录表

项目部安全检查隐患整改记录表_第1页
1/15
项目部安全检查隐患整改记录表_第2页
2/15
项目部安全检查隐患整改记录表_第3页
3/15
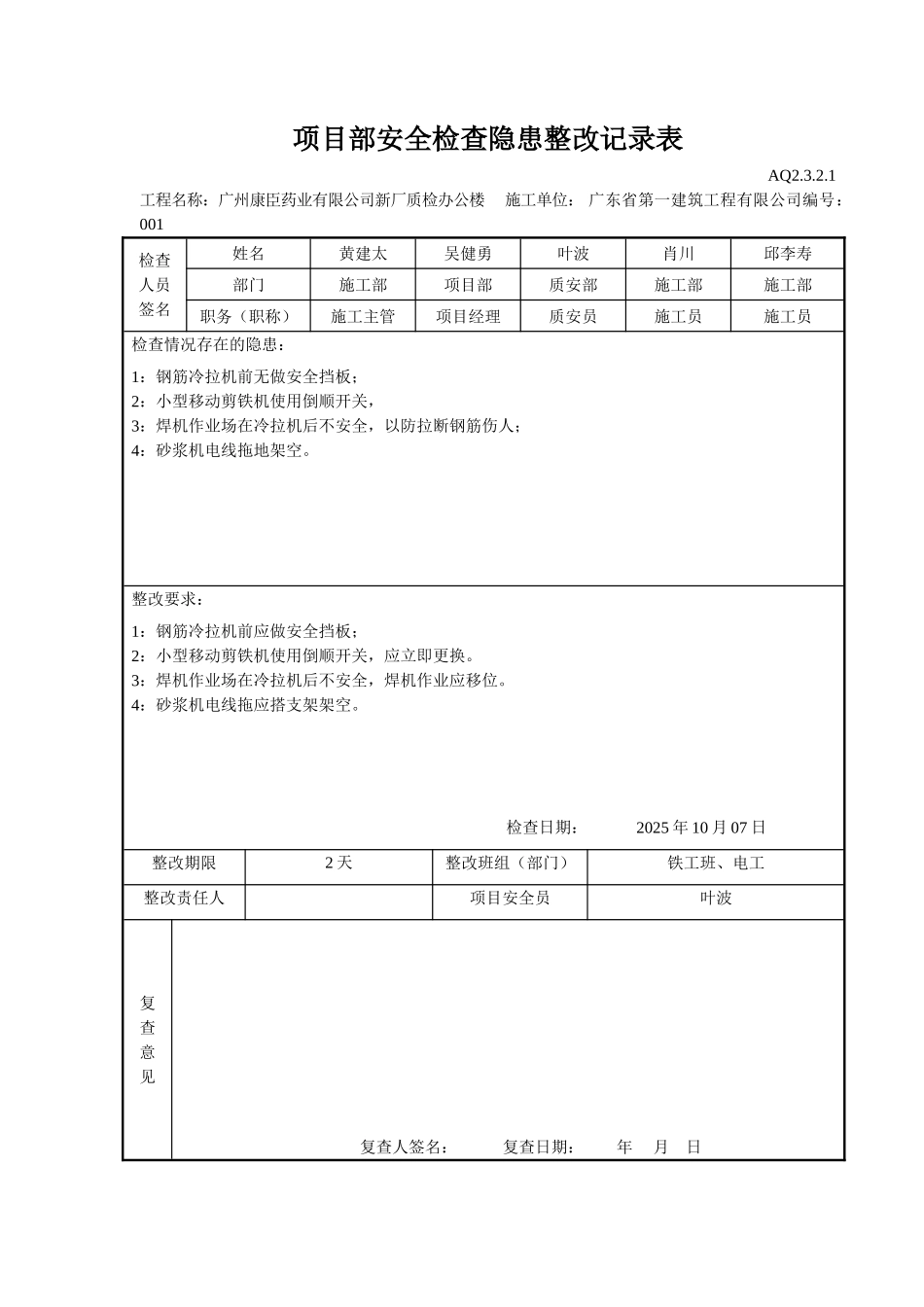
项目部安全检查隐患整改记录表AQ2.3.2.1工程名称:广州康臣药业有限公司新厂质检办公楼 施工单位: 广东省第一建筑工程有限公司编号:001检查人员签名姓名黄建太吴健勇叶波肖川邱李寿部门施工部项目部质安部施工部施工部职务(职称)施工主管项目经理质安员施工员施工员检查情况存在的隐患:1:钢筋冷拉机前无做安全挡板;2:小型移动剪铁机使用倒顺开关,3:焊机作业场在冷拉机后不安全,以防拉断钢筋伤人;4:砂浆机电线拖地架空。整改要求:1:钢筋冷拉机前应做安全挡板;2:小型移动剪铁机使用倒顺开关,应立即更换。3:焊机作业场在冷拉机后不安全,焊机作业应移位。4:砂浆机电线拖应搭支架架空。检查日期: 2025 年 10 月 07 日整改期限2 天整改班组(部门)铁工班、电工整改责任人项目安全员叶波复查意见复查人签名: 复查日期: 年 月 日项目部安全检查隐患整改记录表AQ2.3.2.1工程名称:广州康臣药业有限公司新厂质检办公楼 施工单位: 广东省第一建筑工程有限公司编号:002检查人员签名姓名黄建太吴健勇叶波肖川邱李寿部门施工部项目部质安部施工部施工部职务(职称)施工主管项目经理质安员施工员施工员检查情况存在的隐患:1: 三层支模有部分顶托申出过长(有约 60 公分长),有下托过短上托过长要加固:2: 有部分拉杆没有扣好、绑扎好;3: 有部分柱位与门式架相隔太宽的探头枋要加顶。整改要求:1、应立即顶托调整,加固。2、拉杆没有扣好的立即整改好;3、过宽探头枋要加顶。检查日期: 2025 年 10 月 22 日整改期限2 天整改班组(部门)木工班整改责任人项目安全员叶波复查意见复查人签名: 复查日期: 年 月 日 项目部安全检查隐患整改记录表AQ2.3.2.1工程名称:广州康臣药业有限公司新厂质检办公楼 施工单位: 广东省第一建筑工程有限公司编号:003检查人员签名姓名黄建太吴健勇叶波肖川邱李寿部门施工部项目部质安部施工部施工部职务(职称)施工主管项目经理质安员施工员施工员检查情况存在的隐患:1:钢井架楼层门没有安装应及时安装;2:钢井架的吊蓝安全推上时,安全装置起不到作用;3:钢井架没有楼层标识标志;4:施工楼梯照明应及时安装。整改要求:1、楼层门应及时安装。2、更换安装装置。3、钢井架必须挂楼层标识标志;4、施工楼梯照明应及时安装。检查日期: 2025 年 10 月 22 日整改期限2 天整改班组(部门)电工整改责任人项目安全员叶波复查意见复查人签名: 复查日期:...

1、当您付费下载文档后,您只拥有了使用权限,并不意味着购买了版权,文档只能用于自身使用,不得用于其他商业用途(如 [转卖]进行直接盈利或[编辑后售卖]进行间接盈利)。
2、本站所有内容均由合作方或网友上传,本站不对文档的完整性、权威性及其观点立场正确性做任何保证或承诺!文档内容仅供研究参考,付费前请自行鉴别。
3、如文档内容存在违规,或者侵犯商业秘密、侵犯著作权等,请点击“违规举报”。

碎片内容

项目部安全检查隐患整改记录表

确认删除?
VIP
微信客服
  • 扫码咨询
会员Q群
  • 会员专属群点击这里加入QQ群
客服邮箱
回到顶部