电脑桌面
添加小米粒文库到电脑桌面
安装后可以在桌面快捷访问

2025XX路市政管道吊装方案

2025XX路市政管道吊装方案_第1页
1/6
2025XX路市政管道吊装方案_第2页
2/6
2025XX路市政管道吊装方案_第3页
3/6
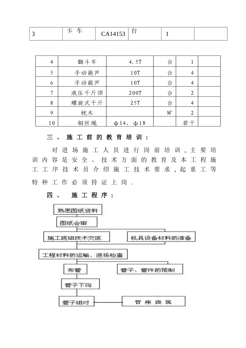
市 政 管 道 吊 装 专 项 方 案一 、 施 工 依 据 : 1 、 施 工 依 据 : 根 据 XXXX 市 政 道 路 及 配 套 工 程 施 工 现 场实 际 情 况 及 相 关 技 术 法 律 规 范 编 制 。 二 、 施 工 前 的 准 备 : 1 、 施 工 技 术 组 织 : 施 工 前 , 先 对 施 工 合 同 、 现 场 实 际 情 况 、技 术 法 律 规 范 等 进 行 熟 悉 , 对 于 施 工 工 序 不明 白 的 地 方 , 待 进 行 技 术 交 底 时 提 出 解 决 . 2 、 施 工 场 地 的 安 排 及 施 工 机 具 的 准 备 : ( 1) 、 施 工 场 地 的 安 排 : 由 于 此 工 程 处 于 交 通 要 道 旁 , 施 工 区 域狭 小 , 且 车 流 量 大 , 再 加 上 施 工 难 度 较 大 , 为减 少 对 交 通 的 影 响 , 采 纳 分 段 分 次 吊 装 , 吊装 时 设 2 个 交 通 安 全 指 挥 人 员 , 施 工 范 围 内设 安 全 围 挡 , 摆 放 安 全 指 示 牌 , 吊 车 、 挖 土机 停 放 沟 边 . ( 2) 、 施 工 机 具 设 备 的 组 织 : 本工程对于大型设备应采纳专人、专项管理,工具设备一览表见附 表:序 号机具名 称型号规 格单 位数 量备 注1汽车吊50 吨台12挖掘机PC200台23卡 车CA14153台1三 、 施 工 前 的 教 育 培 训 : 对 进 场 施 工 人 员 进 行 岗 前 培 训 , 主 要 培训 内 容 是 安 全 、 技 术 方 面 的 教 育 及 本 工 程 施工 工 序 技 术 员 介 绍 施 工 技 术 要 求 , 起 重 工 等特 种 工 作 必 须 持 证 上 岗 .四 、 施 工 程 序 :五 、 施 工 安 全 管 理 机 构 安 全 管 理 小 组 组 长 : XXX 副 组 长 : XXX 组 员 : XXXXXXXXXXX 六 、 施 工 技 术 要 求 及 注 意 事 项 : 1 、 吊 车 的 选 择 汽 车 吊 理 论 吨 位 乘 以 3 , 再 除 以 你 要 吊 的重 量 能 得 出 距 离 , 除 以 距 离 能 得 出 重 量 , 但是 吊 车 的 实 际 能 力 达 不 到 计 算 出 来 的 结 果 ,还 要 把 主 臂 的 重 量 和...

1、当您付费下载文档后,您只拥有了使用权限,并不意味着购买了版权,文档只能用于自身使用,不得用于其他商业用途(如 [转卖]进行直接盈利或[编辑后售卖]进行间接盈利)。
2、本站所有内容均由合作方或网友上传,本站不对文档的完整性、权威性及其观点立场正确性做任何保证或承诺!文档内容仅供研究参考,付费前请自行鉴别。
3、如文档内容存在违规,或者侵犯商业秘密、侵犯著作权等,请点击“违规举报”。

碎片内容

2025XX路市政管道吊装方案

确认删除?
VIP
微信客服
  • 扫码咨询
会员Q群
  • 会员专属群点击这里加入QQ群
客服邮箱
回到顶部