电脑桌面
添加小米粒文库到电脑桌面
安装后可以在桌面快捷访问

90度、45度弯头规格尺寸表

90度、45度弯头规格尺寸表_第1页
1/4
90度、45度弯头规格尺寸表_第2页
2/4
90度、45度弯头规格尺寸表_第3页
3/4
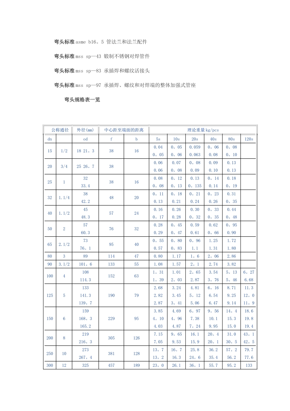
弯头规格尺寸表公称通径DN端部外径中心至端面尺寸中心至中心尺寸背面至端面尺寸45°弯头90°弯头180°弯头180°弯头A 系列B 系列长半径长半径短半径长半径短半径长半径短半径1521。3181638—76-48—2026。9251638-76-51—2533。732163825765156413242.438204832956470524048。3452457381147683815060。35732765115221061006576.1(73)764095641911271321218088.9894711476229152159159100114。3108631522305203210197125139.713379190127381254262237150168.315995229152457305313313200219。121912630520360406414391250273273158381254762508518467300323。9325189457305914610619533350355。63772215333561067711711610400406。44262536104061219813813686450457478284686457172914914762500508529316762508152410161016 550559-343838559 600610630381914610 650660-405991660 7007117204381067711 7507628204701143762 800813—5021219812 8508649205331295864 90081410205651372914 10001016—63215241016 10501067112066316001067 11001118122069416761118 12001219—75818291219 1300121—82119811321 14001420-88321341420 15001524—94722861524 弯头规格尺寸表弯头是改变管路方向的管件。弯头标准是什么呢?按角度分,有 45°及 90°180°三种最常用的,另外根据工程需要还包括 60°等其他非正常角度弯头。弯头标准都有哪些?弯头市场调研报告显示,弯头的材料有铸铁、不锈钢、合金钢、可煅铸铁、碳钢、有色金属及塑料等.弯头标准表显示,根据生产工艺可分为:焊接弯头、冲压弯头、推制弯头、铸造弯头等。其他名称:90 度弯头、直角弯、爱而弯等.下面介绍弯头标准尺寸表及弯头规格表: 弯头标准尺寸表及弯头规格表一览 弯头市场调研显示,国标弯头管道安装中常用的一种连接用管件,连接两根公称通径相同或者不同的管子,使管路作一定角度转弯。 弯头标准尺寸表 弯头标准 jis b2311 通用钢制对焊管件 弯头标准 jis b2312 钢制对焊管件 弯头标准 jis b2313 钢板制对焊管件 弯头标准 jis b2316 钢制承插焊管件 弯头标准管件执行标准之美国标准 : 弯头标准号 描述 弯头标准 asme/ansi b16。9 工厂制造的锻钢对焊管件 弯头标准 asme/ansi b16.11 承插焊和螺纹锻造管件 弯头标准 asme/ansi b16。28 钢制对焊小半径弯头和回头弯1600162-101024381620 17001727-107325911727 1800182...

1、当您付费下载文档后,您只拥有了使用权限,并不意味着购买了版权,文档只能用于自身使用,不得用于其他商业用途(如 [转卖]进行直接盈利或[编辑后售卖]进行间接盈利)。
2、本站所有内容均由合作方或网友上传,本站不对文档的完整性、权威性及其观点立场正确性做任何保证或承诺!文档内容仅供研究参考,付费前请自行鉴别。
3、如文档内容存在违规,或者侵犯商业秘密、侵犯著作权等,请点击“违规举报”。

碎片内容

90度、45度弯头规格尺寸表

您可能关注的文档

确认删除?
VIP
微信客服
  • 扫码咨询
会员Q群
  • 会员专属群点击这里加入QQ群
客服邮箱
回到顶部