电脑桌面
添加小米粒文库到电脑桌面
安装后可以在桌面快捷访问

ABB机器人外部启动配置说明

ABB机器人外部启动配置说明_第1页
1/20
ABB机器人外部启动配置说明_第2页
2/20
ABB机器人外部启动配置说明_第3页
3/20
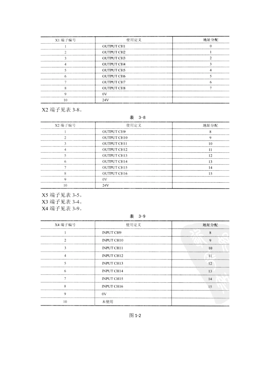
ABB 机器人外部启动配置说明一、外部 IO 板的配置ABB 标准 I/O 板 DSQC652 是最为常用的模块,下面以创建数字输入信号 DI,数字输出信号 DO,组输入信号 GI,组输出信号 GO 为例做一个详细的讲解。图 1—1 对 DSQC652 端子台的外观进行了描述。图 1-2 对 DSQC652 端子台的各个端子与机器人内部地址(Device mapping)关系进行了描述.图 1—1I/0 板上 X5 为 Devicenet 通讯端子:其中 1—5 为 Devicenet 接线端子,7-12 为拨码开关分别对应 1.2。4.8.16.32(将任意两个短接片剪断,对应端子上的拨码开关值相加即为该Devicenet 地址,例如此处将 8 和 10 端子短接片剪短,对应的拨码开关值分别为 2 和 8,所以2+8=10,此 Devicenet 地址为 10)。图 1-21、定义 DSQC652 板的总线连接ABB 标准 I/O 板都是下挂在 DeviceNet 现场总线下的设备,通过 X5 端口与 DeviceNet 现场总线进行通讯。 定义 DSQC652 板的总线连接相关参数说明见表 1-1—1表 1—1-1参数名称设定值说明Named652设定 IO 板在系统中的名字Address10设定 IO 板在总线中的地址来自模板的值DSQC 652 24 VDC I/O Device选择 DeviceNet 设备 单击【ABB 菜单】【控制面板】【配置】【DeviceNet Device】【添加】显示图1-1-1 所示的界面图 1-1—1单击“使用来自模板的值”行的下拉菜单,选择“DSQC 652 24 VDC I/O Device”,如图1—1—2 所示图 1—1—2点击【向下】按钮,找到参数名称 Address,将值改成 10。单击【确定】,完成DSQC652 板的总线连接.提示“重启”选择【是】。如图 1—1-3 所示图 1-1-32、创建数字输入信号 DI1单击【ABB 菜单】【控制面板】【配置】【Signal】【添加】显示图 1-2—1 所示的界面,数字输入信号 DI1 相关参数说明见表 1—2—1表 1—2-1参数名称设定值说明NameDI1设定数字输入信号的名字Type of SignalDigital Input设定信号的类型Assigned to DeviceDSQC 652 24 VDC I/O Device设定信号所在的 IO 模块Device Mapping1设定信号所占用的地址Invert Physical ValueNO假如想将信号取反,可选Yes图 1-2—1根据表 1—2—1 设定,设定完毕后如图 1—2-2 所示,单击【确定】,提示“重启”选择【是】,完成数字输入信号 DI1 的创建.图 1-2—23、创建数字输出信号 DO1单击【ABB 菜单】【控制面板】【配置】【Signal】【...

1、当您付费下载文档后,您只拥有了使用权限,并不意味着购买了版权,文档只能用于自身使用,不得用于其他商业用途(如 [转卖]进行直接盈利或[编辑后售卖]进行间接盈利)。
2、本站所有内容均由合作方或网友上传,本站不对文档的完整性、权威性及其观点立场正确性做任何保证或承诺!文档内容仅供研究参考,付费前请自行鉴别。
3、如文档内容存在违规,或者侵犯商业秘密、侵犯著作权等,请点击“违规举报”。

碎片内容

ABB机器人外部启动配置说明

雏圣文化+ 关注
实名认证
内容提供者

欢迎光临,大量办公文档供您挑选。

确认删除?
VIP
微信客服
  • 扫码咨询
会员Q群
  • 会员专属群点击这里加入QQ群
客服邮箱
回到顶部