电脑桌面
添加小米粒文库到电脑桌面
安装后可以在桌面快捷访问

CD4511引脚图及功能文档

CD4511引脚图及功能文档_第1页
1/8
CD4511引脚图及功能文档_第2页
2/8
CD4511引脚图及功能文档_第3页
3/8
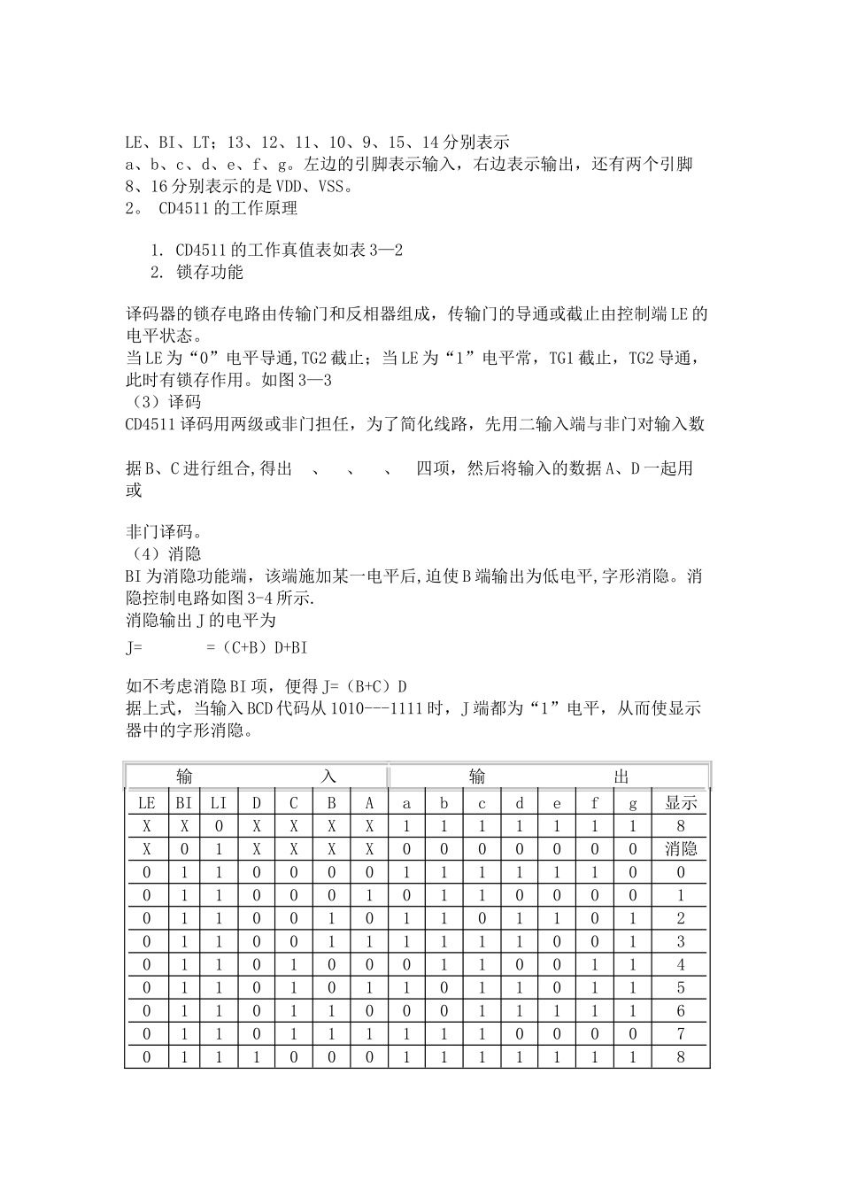
CD4511 引脚图及功能CD4511 是一个用于驱动共阴极 LED (数码管)显示器的 BCD 码—七段码译码器,特点如下:具有 BCD 转换、消隐和锁存控制、七段译码及驱动功能的 CMOS 电路能提供较大的拉电流。可直接驱动 LED 显示器。用 CD4511 实现 LED 与接口方法如下图: 其功能介绍如下: BI:4 脚是消隐输入控制端,当 BI=0 时,不管其它输入端状态如何,七段数码管均处于熄灭(消隐)状态,不显示数字. LT:3 脚是测试输入端,当 BI=1,LT=0 时,译码输出全为 1,不管输入 DCBA 状态如何,七段均发亮,显示“8”。它主要用来检测数码管是否损坏。 LE:锁定控制端,当 LE=0 时,允许译码输出. LE=1时译码器是锁定保持状态,译码器输出被保持在 LE=0 时的数值. A1、A2、A3、A4、为 8421BCD 码输入端。 a、b、c、d、e、f、g:为译码输出端,输出为高电平 1 有效. CD4511 的内部有上拉电阻,在输入端与数码管笔段端接上限流电阻就可工作。1. CD4511 的引脚 CD4511 具有锁存、译码、消隐功能,通常以反相器作输出级,通常用以驱动LED.其引脚图如 3-2 所示。 各引脚的名称:其中 7、1、2、6 分别表示 A、B、C、D;5、4、3 分别表示LE、BI、LT;13、12、11、10、9、15、14 分别表示 a、b、c、d、e、f、g。左边的引脚表示输入,右边表示输出,还有两个引脚8、16 分别表示的是 VDD、VSS。 2。 CD4511 的工作原理1. CD4511 的工作真值表如表 3—2 2. 锁存功能 译码器的锁存电路由传输门和反相器组成,传输门的导通或截止由控制端 LE 的电平状态。 当 LE 为“0”电平导通,TG2 截止;当 LE 为“1”电平常,TG1 截止,TG2 导通,此时有锁存作用。如图 3—3(3)译码 CD4511 译码用两级或非门担任,为了简化线路,先用二输入端与非门对输入数 据 B、C 进行组合,得出、、、四项,然后将输入的数据 A、D 一起用或非门译码。 (4)消隐 BI 为消隐功能端,该端施加某一电平后,迫使 B 端输出为低电平,字形消隐。消隐控制电路如图 3-4 所示. 消隐输出 J 的电平为 J= =(C+B)D+BI如不考虑消隐 BI 项,便得 J=(B+C)D据上式,当输入 BCD 代码从 1010---1111 时,J 端都为“1”电平,从而使显示器中的字形消隐。输 入输 出LEBILIDCBAabcdefg显示XX0XXXX11111118X01XXXX0000000消隐01100001111110001100010110000101100101101101201100111111001301101000110011401101011...

1、当您付费下载文档后,您只拥有了使用权限,并不意味着购买了版权,文档只能用于自身使用,不得用于其他商业用途(如 [转卖]进行直接盈利或[编辑后售卖]进行间接盈利)。
2、本站所有内容均由合作方或网友上传,本站不对文档的完整性、权威性及其观点立场正确性做任何保证或承诺!文档内容仅供研究参考,付费前请自行鉴别。
3、如文档内容存在违规,或者侵犯商业秘密、侵犯著作权等,请点击“违规举报”。

碎片内容

CD4511引脚图及功能文档

您可能关注的文档

确认删除?
VIP
微信客服
  • 扫码咨询
会员Q群
  • 会员专属群点击这里加入QQ群
客服邮箱
回到顶部