电脑桌面
添加小米粒文库到电脑桌面
安装后可以在桌面快捷访问

DFMEA失效模式分析报告-范例

DFMEA失效模式分析报告-范例_第1页
1/4
DFMEA失效模式分析报告-范例_第2页
2/4
DFMEA失效模式分析报告-范例_第3页
3/4
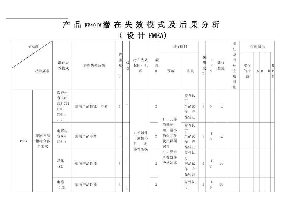
产 品 EP401M 潜 在 失 效 模 式 及 后 果 分 析 ( 设 计 FMEA)子系统潜在失效模式潜在失效后果严重度 S级别潜在失效起因/ 机理频度O现行控制探测度DRPN建议措施责任及目标完成日期措施结果 功能要求预防探测实行的措施S ODRPNPCBAEPON各项指标合客户要求陶瓷电容(C1 C23 C24 C60 C46 。。)影响产品性能、寿命 11 1.元器件一致性不足 2器件破损21 。元件降额使用,最小确保元件使用降额90% 2 。要求所有器件严格测试零件认可 产品试作 产品验证36无 电解电容(C4 C22 )影响产品寿命3 12零件认可 产品试作 产品验证318无 晶体(Y2)影响产品性能 31 2零件认可 产品试作 产品验证212无 电感(L21 影响产品性能 4 12零件认可 216无 L3 L151)产品试作 产品验证电源按键(S3)影响产品性能 3 11零件认可 产品试作 产品验证26无 光模块(U17)影响产品性能33 2零件认可 产品试作 产品验证354无 LED 灯(LED1—LDE5)影响产品性能 23 1零件认可 产品试作 产品验证318无 PCBAEPON各项指标合客户要求FLASH(U30)影响产品性能 211.元器件一致性不足 2.器件破损21 。元件降额使用,最小确保元件使用降额90% 2 。要求所有器件严格测试零件认可 产品试作 产品验证312无DDR(U400 )影响产品性能 212零件认可 产品试作 产品验证28无网口接口(J2)影响产品组装212零件认可 产品试作 产312无品验证电源接口(J5)影响产品组装211零件认可 产品试作 产品验证36无变压器(T2)影响产品性能 312零件认可 产品试作 产品验证212无结构器件满足外观及结构要求下壳影响外观及安装 21 安装及搬运过程中划伤1注意操作法律规范零件认可 产品试作 产品验证36无 上盖影响外观及安装 21 1零件认可 产品试作 产品验证36无

1、当您付费下载文档后,您只拥有了使用权限,并不意味着购买了版权,文档只能用于自身使用,不得用于其他商业用途(如 [转卖]进行直接盈利或[编辑后售卖]进行间接盈利)。
2、本站所有内容均由合作方或网友上传,本站不对文档的完整性、权威性及其观点立场正确性做任何保证或承诺!文档内容仅供研究参考,付费前请自行鉴别。
3、如文档内容存在违规,或者侵犯商业秘密、侵犯著作权等,请点击“违规举报”。

碎片内容

DFMEA失效模式分析报告-范例

确认删除?
VIP
微信客服
  • 扫码咨询
会员Q群
  • 会员专属群点击这里加入QQ群
客服邮箱
回到顶部