电脑桌面
添加小米粒文库到电脑桌面
安装后可以在桌面快捷访问

DLT5210.1-2025电力建设施工质量验收及评价规程全套验评表格

DLT5210.1-2025电力建设施工质量验收及评价规程全套验评表格_第1页
1/302
DLT5210.1-2025电力建设施工质量验收及评价规程全套验评表格_第2页
2/302
DLT5210.1-2025电力建设施工质量验收及评价规程全套验评表格_第3页
3/302
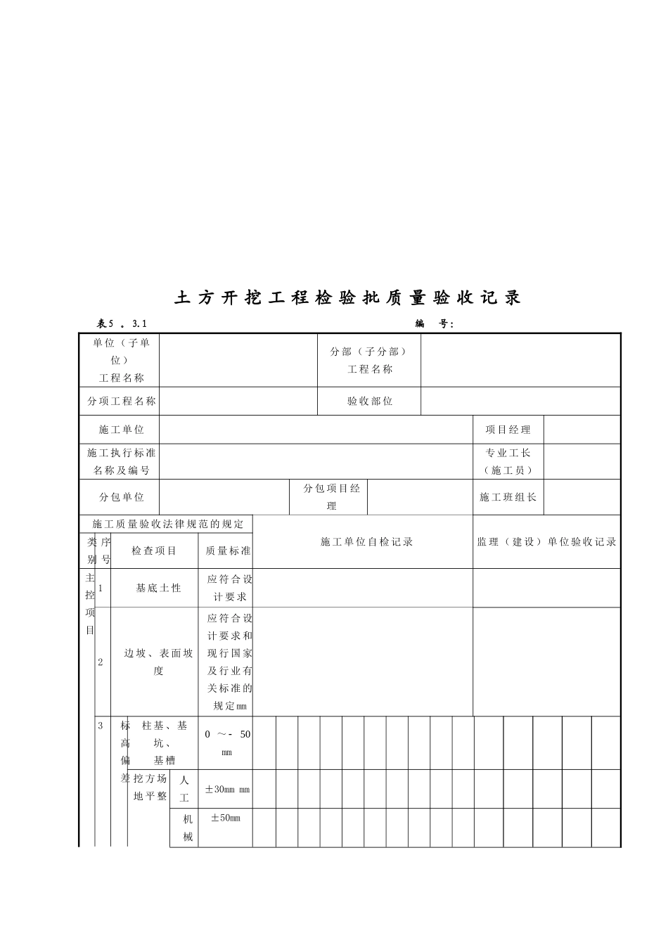
单 位 工 程 定 位 放 线 检 验 批 质 量 验 收 记 录表 5 。 2.1 编 号 :单 位 ( 子 单位 )分 部 ( 子分 部 )分 项 工 程 名称验 收 部 位施 工 单 位项 目 经 理施 工 执 行 标准名 称 及 编 号专 业 工 长( 施 工员 )分 包 单 位分 包 项 目经 理施 工 班 组长施 工 质 量 验 收 法 律 规 范 的 规 定施 工 单 位 自 检 记 录监 理 ( 建 设 ) 单 位 验 收 记录类别序号检 查 项目质 量 标 准主控项目1控 制 桩测 设根 据 建 ( 构 ) 筑 物 的 主 轴线 设 控 制 桩 . 桩 深 度 应 超过 冰 冻 土 层 。 主 厂 房 桩 数不 应 少 于 12 个 , 其 它 主 要建 ( 构 ) 筑 物 不 应 少 于 4个2平 面 控制桩 精 度应 符 合 二 级 导 线 的 精 度 要求 , 主 厂 房 和 输 煤 系 统 建筑 物 且 应 符 合 现 行 有 关 标准 的 规 定3高 程 控制桩 精 度应 符 合 三 等 水 准 的 精 度 要求施 工 单 位检 查 结 果项 目 专 业 质 量 检 查 员 : 项 目 专 业 技 术负 责 人 : 年 月 日监 理 ( 建 设 ) 单位验 收 结 论专 业 监 理 工 程 师 :( 建 设 单 位 项 目 专 业 技 术 负 责 人 ) 年 月 日土 方 开 挖 工 程 检 验 批 质 量 验 收 记 录表 5 。 3.1 编 号 : 单 位 ( 子 单位 )工 程 名 称分 部 ( 子 分 部 )工 程 名 称分 项 工 程 名 称验 收 部 位施 工 单 位项 目 经 理施 工 执 行 标 准名 称 及 编 号专 业 工 长( 施 工 员 )分 包 单 位分 包 项 目 经理施 工 班 组 长施 工 质 量 验 收 法 律 规 范 的 规 定施 工 单 位 自 检 记 录监 理 ( 建 设 ) 单 位 验 收 记 录类别序号检 查 项 目质 量 标 准主控项目1基 底 土 性应 符 合 设计 要 求2边 坡 、 表 面 坡度应 符 合 设计 要 求 和现 行 国 家及 行 业 有关 标 准 的规 定 mm3标高偏差柱 基 、 基坑 、基 槽0 ~ 50 mm挖 方 场地 平 整人工±30mm mm机械±50mm管 沟0 ~ 50 mm地 (路 ) 面基 层...

1、当您付费下载文档后,您只拥有了使用权限,并不意味着购买了版权,文档只能用于自身使用,不得用于其他商业用途(如 [转卖]进行直接盈利或[编辑后售卖]进行间接盈利)。
2、本站所有内容均由合作方或网友上传,本站不对文档的完整性、权威性及其观点立场正确性做任何保证或承诺!文档内容仅供研究参考,付费前请自行鉴别。
3、如文档内容存在违规,或者侵犯商业秘密、侵犯著作权等,请点击“违规举报”。

碎片内容

DLT5210.1-2025电力建设施工质量验收及评价规程全套验评表格

确认删除?
VIP
微信客服
  • 扫码咨询
会员Q群
  • 会员专属群点击这里加入QQ群
客服邮箱
回到顶部