电脑桌面
添加小米粒文库到电脑桌面
安装后可以在桌面快捷访问

JGJ59-2025安全检查评分表

JGJ59-2025安全检查评分表_第1页
1/27
JGJ59-2025安全检查评分表_第2页
2/27
JGJ59-2025安全检查评分表_第3页
3/27
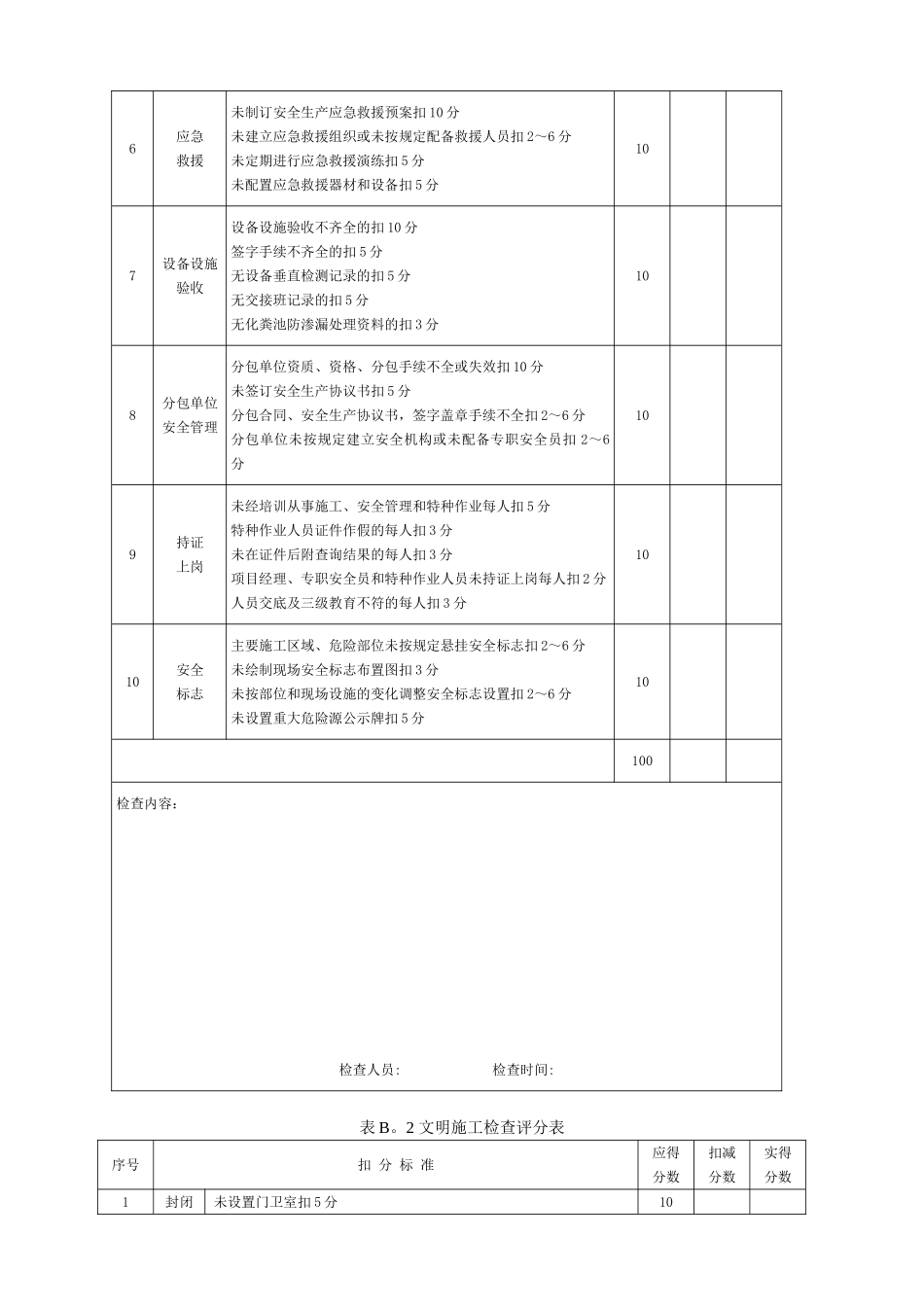
项目工程部检查评分表表 B.1 安全管理检查评分表序号扣 分 标 准应得分数扣减分数实得分数1安全生产责任制未建立安全生产责任制扣 10 分安全生产责任制未经责任人签字确认扣 5 分未配备各工种安全技术操作规程扣 2~10 分未制订安全资金保障制度扣 5 分未编制安全资金使用计划或未按计划实施扣 8 分未收集安全经费票据的扣 8 分102施工组织设计及专项施工方案施工组织设计中未制订安全技术措施扣 10 分危险性较大的分部分项工程未编制安全专项施工方案扣 10 分未按规定对超过一定规模危险性较大的分部分项工程专项施工方案进行专家论证扣 10 分施工组织设计、专项施工方案未经审批、审批签字不齐全的扣10 分缺少必要方案,或方案审批不及时的扣 10 分方案内容需要办理的签字手续不齐全的每处扣 2 分103安全技术交底未进行书面安全技术交底或交底内容不真实的扣 10 分未按分部分项进行交底扣 5 分交底事项未在安全日志中体现的扣 3 分交底内容不全面或针对性不强扣 2~5 分交底未履行签字手续或签字人员与备案不符的扣 4 分签字人员未受安全教育的扣 3 分104安全检查未有安全检查记录,安全检查记录不真实,不齐全的扣 8 分事故隐患的整改未做到定人、定时间、定措施扣 2~6 分对重大事故隐患整改通知书所列项目未按期整改和复查扣 5~10分无领导带班检查记录或记录不全,无班前会议记录的扣 5 分105安全教育施工人员入场未进行三级安全教育培训和考核扣 5 分未明确具体安全教育培训内容扣 2~8 分施工管理人员、专职安全员未按规定进行年度教育培训和考核每人扣 2 分三级教育身份证不齐全,签字不齐全扣 3 分无教育时间表及教育通知的扣 3 分安全日志中未体现安全教育活动的扣 8 分10序号扣 分 标 准应得分数扣减分数实得分数6应急救援未制订安全生产应急救援预案扣 10 分未建立应急救援组织或未按规定配备救援人员扣 2~6 分未定期进行应急救援演练扣 5 分未配置应急救援器材和设备扣 5 分107设备设施验收设备设施验收不齐全的扣 10 分签字手续不齐全的扣 5 分无设备垂直检测记录的扣 5 分无交接班记录的扣 5 分无化粪池防渗漏处理资料的扣 3 分108分包单位安全管理分包单位资质、资格、分包手续不全或失效扣 10 分未签订安全生产协议书扣 5 分分包合同、安全生产协议书,签字盖章手续不全扣 2~6 分分包单位未按规定建立安全机构或未配备专职安全员扣 2~6...

1、当您付费下载文档后,您只拥有了使用权限,并不意味着购买了版权,文档只能用于自身使用,不得用于其他商业用途(如 [转卖]进行直接盈利或[编辑后售卖]进行间接盈利)。
2、本站所有内容均由合作方或网友上传,本站不对文档的完整性、权威性及其观点立场正确性做任何保证或承诺!文档内容仅供研究参考,付费前请自行鉴别。
3、如文档内容存在违规,或者侵犯商业秘密、侵犯著作权等,请点击“违规举报”。

碎片内容

JGJ59-2025安全检查评分表

确认删除?
VIP
微信客服
  • 扫码咨询
会员Q群
  • 会员专属群点击这里加入QQ群
客服邮箱
回到顶部