电脑桌面
添加小米粒文库到电脑桌面
安装后可以在桌面快捷访问

MBR膜离线清洗方案VIP专享

MBR膜离线清洗方案_第1页
1/5
MBR膜离线清洗方案_第2页
2/5
MBR膜离线清洗方案_第3页
3/5
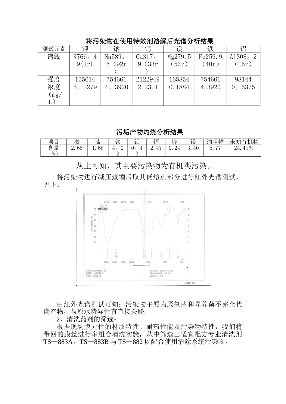
MBR 膜离线清洗方案二零一五年五月业主方低盐 MBR 系统共备有 MBR 膜箱组件 2 组,共膜组件300 组,有两种膜组件,每个膜箱组件有帘式膜元件分别为 24 片和40 片,材质为 PVDF。一、离线清洗原因1 污染物分析结果:我公司于 2025 年 2 月派遣专业工程师对业主方 MBR 膜进行现场勘查,在厂方工作人员的配合下,截取污染膜丝。发现 MBR 膜元件污染严重,由于其系统运行条件限制,无法进行彻底的化学在线清洗.必须配合现场原有清洗水箱,进行专业离线化学清洗,才能恢复MBR 膜过滤性能。从污染膜丝中分离出的污染物进行物化分析,初步认定 MBR 膜元件污染严重是与现场废水中的污泥膨胀而产生的混合污染胶团有关。将污染物在使用特效剂溶解后光谱分析结果测试元素钾钠钙镁铁铝谱线K766。49(1r)Na589。5(92r)Ca317。9(33r)Mg279.5(53r)Fe259.9(40r)Al308。2(15r)强度135614754661212294916585475466198144浓度(mg/L)6。22794。39202.23110.18844.39200。5375污垢产物灼烧分析结果从上可知,其主要污染物为有机类污染。将污染物进行减压蒸馏后取其低熔点部分进行红外光谱测试,见下:由红外光谱测试可知:污染物主要为厌氧菌和异养菌不完全代谢产物,与原水特异性有直接关联.2、清洗药剂的筛选:根据现场膜元件的材质特性、耐药性能及污染物特性,我们将带回的膜丝进行多组合清洗实验,从中筛选出适宜配方专业清洗剂TS—883A,TS—883B 与 TS—882 以配合使用清除系统污染物。项目碳硫铁铝钙锌镁油状物未知有机物含量(%)2.651.684。220。432.470.243.405.7724.41%清洗剂浸泡效果见下图: 左边为采纳专业清洗剂侵泡的膜丝,右边为未侵泡膜丝。清洗设备的工艺概况:根据 MBR 膜组件的运行特点,通过实验,自创发明了适合本项目的 MBR 专业离线清洗设备,可清洗整个膜箱 MBR 元件,不必拆卸,节约人工维修成本.工艺示意图见下: 循环泵 清洗用设备一套二、离线清洗情况1、药剂准备情况1)清洗水箱。2) 根据 80%容积配制药液。3)按要求加入清洗剂,可根据实际清洗情况,随时更换清洗剂,污染严重时需要多次交替清洗。 2、安全注意事项:配制药液过程中使用的均为 腐蚀药剂,因此要做好相关的防护措施。1)员工和清洗人员要穿戴好防酸服和橡胶手套,戴好防护面具.2)准备好清洗用的新奇水,当清洗药剂掉到手上或者溅入眼睛中,用新奇水及时冲洗,并立即送往卫生所进行处理.3、清洗系统的准备1)利用现场一次...

1、当您付费下载文档后,您只拥有了使用权限,并不意味着购买了版权,文档只能用于自身使用,不得用于其他商业用途(如 [转卖]进行直接盈利或[编辑后售卖]进行间接盈利)。
2、本站所有内容均由合作方或网友上传,本站不对文档的完整性、权威性及其观点立场正确性做任何保证或承诺!文档内容仅供研究参考,付费前请自行鉴别。
3、如文档内容存在违规,或者侵犯商业秘密、侵犯著作权等,请点击“违规举报”。

碎片内容

MBR膜离线清洗方案

确认删除?
VIP
微信客服
  • 扫码咨询
会员Q群
  • 会员专属群点击这里加入QQ群
客服邮箱
回到顶部