电脑桌面
添加小米粒文库到电脑桌面
安装后可以在桌面快捷访问

上部结构现浇整体化施工

上部结构现浇整体化施工_第1页
1/8
上部结构现浇整体化施工_第2页
2/8
上部结构现浇整体化施工_第3页
3/8
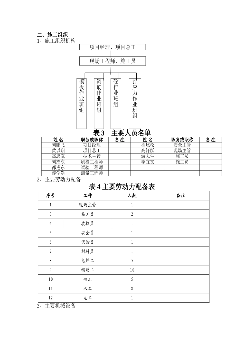
大广高速江西龙南里仁至杨村(赣粤界)段A3 合同段桥 梁 工 程上部结构现浇整体化施工(横梁、湿接缝、负弯矩)专项方案编制:高忠武审核:黄以职中国葛洲坝集团股份有限公司2025年08月20日上部结构现浇整体化施工(横梁、湿接缝、负弯矩)施工专项技术方案一、工程概况我部合同段内共有 4 座桥梁施工,分别为富坑一、二、三、四高架桥,四座都为预制小箱梁先简支后结构连续,桥台为肋板式桥台,桥墩为桩柱式桥墩形式。富坑一号桥为 6 跨,共有 25m 小箱梁 60 片,中、端横梁共计 7道,桥面湿接缝纵向 8 道,负弯矩 5 个墩。富坑二号桥为 8 跨,共有 25m 小箱梁 80 片,中、端横梁共计 10 道,桥面湿接缝纵向 8 道,负弯矩 6 个墩.富坑三号桥左副为 7 跨,右幅为 8 跨,共有 25m 小箱梁 75 片,中、端横梁左为 9 道右为 10 道,桥面湿接缝纵向 8 道,负弯矩左为 5 个墩,右为 6 个墩。富坑四号桥为 5 跨,共有 20m 小箱梁 50 片,中、端横梁共计 6 道,桥面湿接缝纵向 8 道,负弯矩 4 个墩。主要工程数量见表 1: 表 1 桥梁上部整体化施工主要工程数量表.序号细目名称单位数量备注1光圆钢筋(Ⅰ级)kg570122带肋钢筋(Ⅱ级)kg1854403后张法预应力钢绞线kg870174现浇混凝土 C50 砼m31437。9二、施工组织1、施工组织机构项目经理、项目总工现场工程师、施工员模板作业班组钢筋作业班组 砼作业班组预应力作业班组表 3 主要人员名单姓 名职务或职称备 注姓 名职务或职称备 注刘鹏飞项目经理程屹松安全主管黄以职项目总工高轩跃现场主管高忠武技术主管游志生施工员刘杰东质检工程师李宜文施工员都进东试验工程师黎学浩测量工程师2、主要劳动力配备表 4 主要劳动力配备表序号工种人数备注1现场主管13施工员24质检员15安全员16试验员17材料员18电焊工59钢筋工1010砼工511木工812电工13、主要机械设备表 5 主要机械设备清单序号名称规格型号数量备注1搅拌机JS7502 台 2配料机2 台 3水泥罐100T4 个6装载机500 型1 台 7电焊机BX-500、BX—3506 台 8灌车8 立方米 3 台 9张拉压浆设备1 套10插入式振动棒50 型、35 型5 台11弯矩机 2 台 12平板式振动器1 台13切断机 90L—21 台 14卷扬机1 台Ι 级钢筋调直(一)箱梁横向连接 1、现浇端横梁施工 (1)钢筋安装 钢筋必须使用经检验合格的原材,钢筋表面应洁净,使用前将表面油渍、漆皮、鳞锈等清除洁净。钢筋...

1、当您付费下载文档后,您只拥有了使用权限,并不意味着购买了版权,文档只能用于自身使用,不得用于其他商业用途(如 [转卖]进行直接盈利或[编辑后售卖]进行间接盈利)。
2、本站所有内容均由合作方或网友上传,本站不对文档的完整性、权威性及其观点立场正确性做任何保证或承诺!文档内容仅供研究参考,付费前请自行鉴别。
3、如文档内容存在违规,或者侵犯商业秘密、侵犯著作权等,请点击“违规举报”。

碎片内容

上部结构现浇整体化施工

办公文档专营+ 关注
实名认证
内容提供者

大量办公文档,欢迎选择

确认删除?
VIP
微信客服
  • 扫码咨询
会员Q群
  • 会员专属群点击这里加入QQ群
客服邮箱
回到顶部