电脑桌面
添加小米粒文库到电脑桌面
安装后可以在桌面快捷访问

中建六局企业质量管理评价表

中建六局企业质量管理评价表_第1页
1/29
中建六局企业质量管理评价表_第2页
2/29
中建六局企业质量管理评价表_第3页
3/29
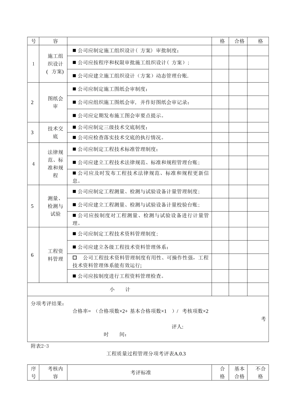
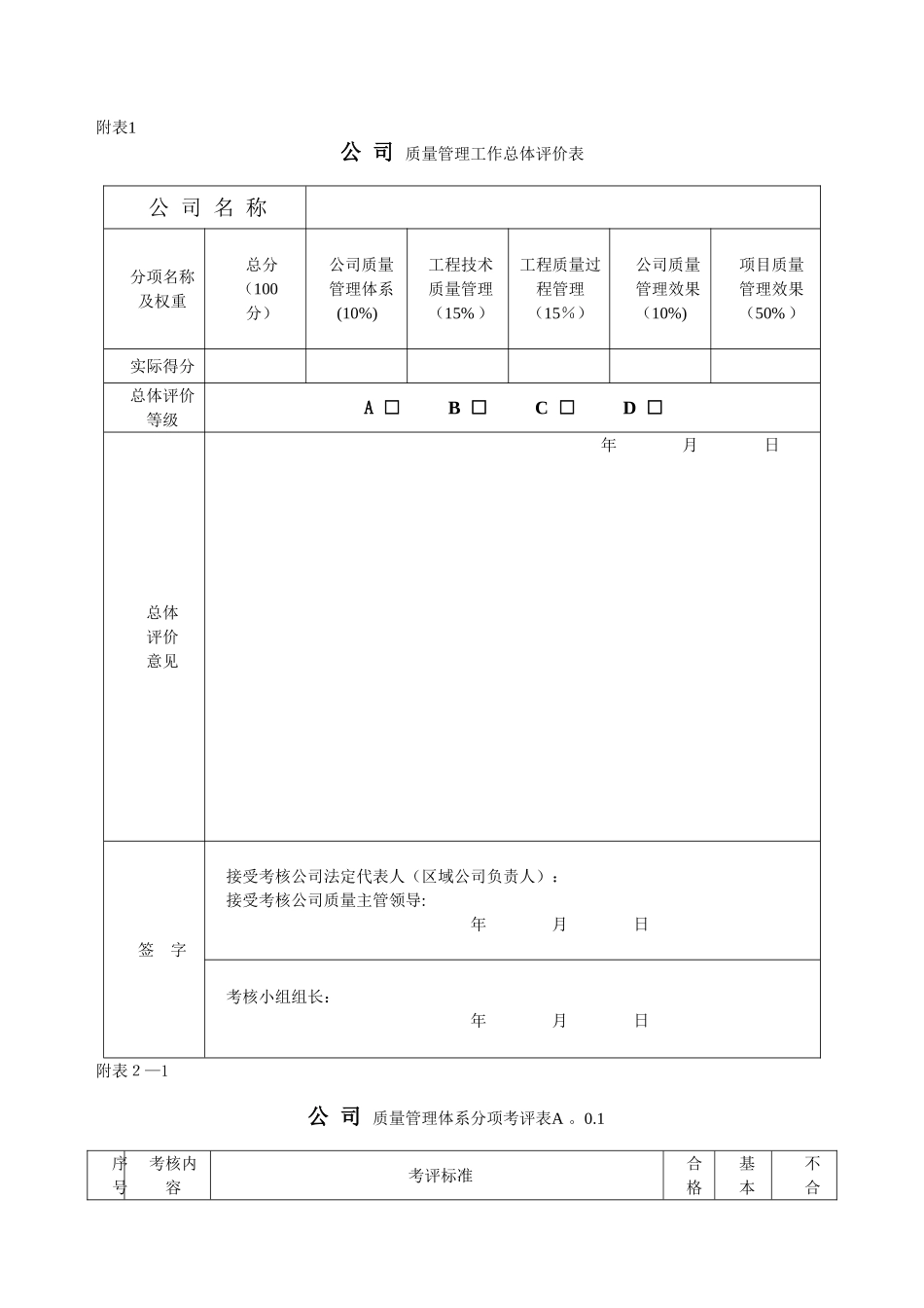
附表1公 司 质量管理工作总体评价表公 司 名 称分项名称及权重总分(100分)公司质量管理体系(10%)工程技术质量管理(15% )工程质量过程管理(15%)公司质量管理效果(10%)项目质量管理效果(50% )实际得分总体评价等级A □ B □ C □ D □总体评价意见年 月 日签 字接受考核公司法定代表人(区域公司负责人): 接受考核公司质量主管领导: 年 月 日考核小组组长: 年 月 日附表2—1公 司 质量管理体系分项考评表A 。0.1序号考核内容考评标准合格基本不合合格格1公司质量管理体系 公司必须建立质量管理体系; 公司质量管理体系必须纵向到底, 横向到边。2质量管理决策机构 公司必须建立质量管理委员会; 公司质量管理委员会至少召开一次专题会议,对重大质量管理事项进行决策。3质量管理部门与人员 公司应设置独立的质量管理部门; 公司质量管理部门人员数量应符合《办法》的要求; 公司质量管理部门所配专业人员宜齐全。4专职质量管理人员资格 公司质量管理人员的任职资格应符合《办法》的要求; 专职质量管理人员持证上岗; 专职质量管理人员每年继续教育时间不应少于40学时。5工程质量管理制度 公司应建立健全工程质量管理责任制度,签订岗位责任书,明确质量管理目标; 公司应建立健全工程质量教育培训制度, 制订年度培训计划, 做好培训记录; 公司应建立健全工程质量检查制度, 开展质量检查工作,做好检查记录; 公司应建立健全工程质量内部预验收制度,做好验收记录; 公司应建立健全工程质量事故报告处理制度,建立事故台账; 公司应建立健全工程质量管理评价制度,开展年度质量评价工作,做好评价记录; 公司应建立健全质量管理统计报告制度,按时上报质量报表及相关资料。小 计分项考评结果:合格率= (合格项数×2+ 基本合格项数×1)/ 考核项数×2 考评人: 时 间:附表2-2工程技术质量管理分项考评表A.0 。2序考核内考评标准合基本不合号容格合格格1施工组织设计( 方案) 公司应制定施工组织设计( 方案) 审批制度; 公司应按程序和权限审批施工组织设计( 方案); 公司应建立施工组织设计(方案)动态管理台账.2图纸会审 公司应制定施工图纸会审制度; 公司应组织施工图纸会审, 并作好图纸会审记录; 公司应定期发布施工图会审要点提示。3技术交底 公司应制定三级技术交底制度; 公司应检查落实技术交底的执行情...

1、当您付费下载文档后,您只拥有了使用权限,并不意味着购买了版权,文档只能用于自身使用,不得用于其他商业用途(如 [转卖]进行直接盈利或[编辑后售卖]进行间接盈利)。
2、本站所有内容均由合作方或网友上传,本站不对文档的完整性、权威性及其观点立场正确性做任何保证或承诺!文档内容仅供研究参考,付费前请自行鉴别。
3、如文档内容存在违规,或者侵犯商业秘密、侵犯著作权等,请点击“违规举报”。

碎片内容

中建六局企业质量管理评价表

您可能关注的文档

确认删除?
VIP
微信客服
  • 扫码咨询
会员Q群
  • 会员专属群点击这里加入QQ群
客服邮箱
回到顶部