电脑桌面
添加小米粒文库到电脑桌面
安装后可以在桌面快捷访问

中石化三级单位岗位责任制汇编全文VIP专享

中石化三级单位岗位责任制汇编全文_第1页
1/232
中石化三级单位岗位责任制汇编全文_第2页
2/232
中石化三级单位岗位责任制汇编全文_第3页
3/232
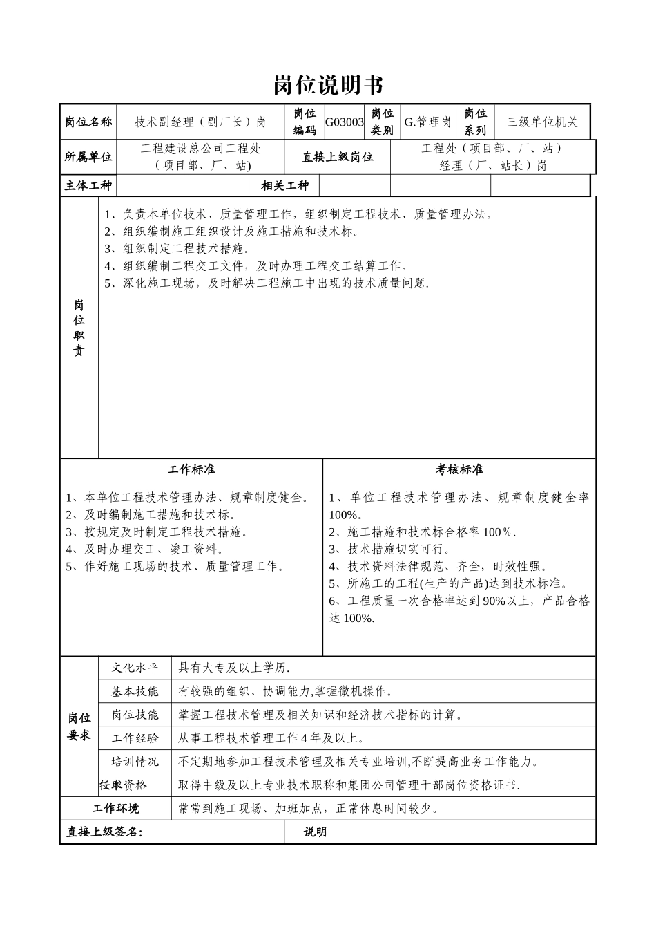
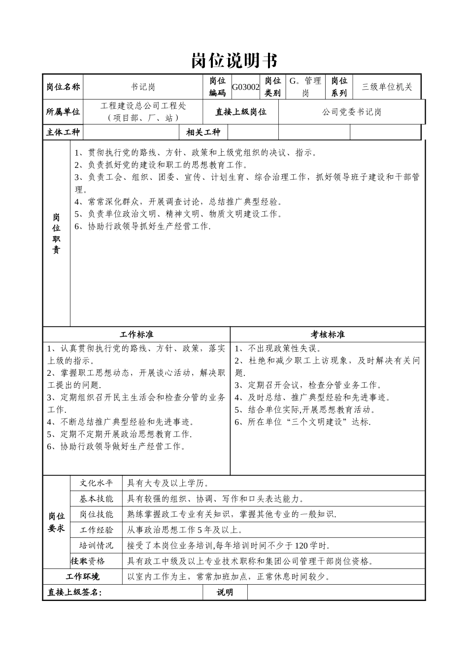
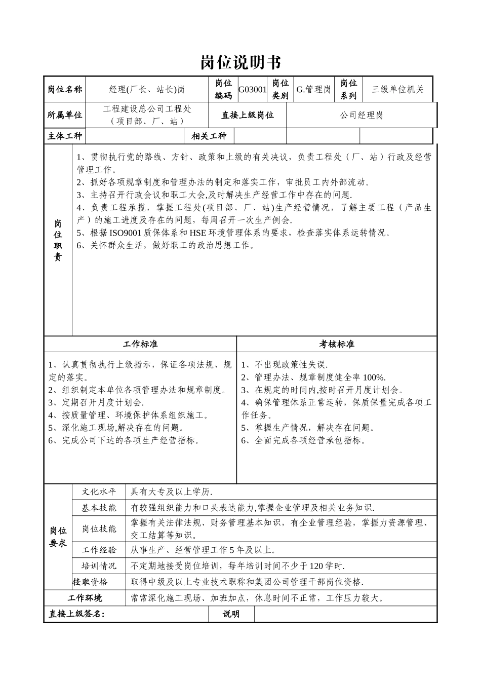
岗位说明书岗位名称经理(厂长、站长)岗岗位编码 G03001 岗位类别G.管理岗岗位系列三级单位机关所属单位工程建设总公司工程处(项目部、厂、站)直接上级岗位公司经理岗主体工种相关工种岗 位 职 责1、贯彻执行党的路线、方针、政策和上级的有关决议,负责工程处(厂、站)行政及经营管理工作。2、抓好各项规章制度和管理办法的制定和落实工作,审批员工内外部流动。3、主持召开行政会议和职工大会,及时解决生产经营工作中存在的问题.4、负责工程承揽,掌握工程处(项目部、厂、站)生产经营情况,了解主要工程(产品生产)的施工进度及存在的问题,每周召开一次生产例会.5、根据 ISO9001 质保体系和 HSE 环境管理体系的要求,检查落实体系运转情况。6、关怀群众生活,做好职工的政治思想工作。工作标准考核标准1、认真贯彻执行上级指示,保证各项法规、规定的落实。2、组织制定本单位各项管理办法和规章制度。3、定期召开月度计划会.4、按质量管理、环境保护体系组织施工。5、深化施工现场,解决存在的问题。6、完成公司下达的各项生产经营指标。1、不出现政策性失误.2、管理办法、规章制度健全率 100%.3、在规定的时间内,按时召开月度计划会。4、确保管理体系正常运转,保质保量完成各项工作任务。5、掌握生产情况,解决存在问题。6、全面完成各项经营承包指标。岗位要求文化水平具有大专及以上学历.基本技能有较强组织能力和口头表达能力,掌握企业管理及相关业务知识.岗位技能掌握有关法律法规、财务管理基本知识,有企业管理经验,掌握力资源管理、交工结算等知识。工作经验从事生产、经营管理工作 5 年及以上。培训情况不定期地接受岗位培训,每年培训时间不少于 120 学时.任职技术资格取得中级及以上专业技术职称和集团公司管理干部岗位资格.工作环境常常深化施工现场、加班加点,休息时间不正常,工作压力较大。直接上级签名:说明岗位说明书岗位名称书记岗岗位编码 G03002 岗位类别G。管理岗岗位系列三级单位机关所属单位工程建设总公司工程处(项目部、厂、站)直接上级岗位公司党委书记岗主体工种相关工种岗 位 职 责1、贯彻执行党的路线、方针、政策和上级党组织的决议、指示。2、负责抓好党的建设和职工的思想教育工作。3、负责工会、组织、团委、宣传、计划生育、综合治理工作,抓好领导班子建设和干部管理。4、常常深化群众,开展调查讨论,总结推广典型经验。5、负责单位政治文明、精神文明、物质文明建设工作。6、协...

1、当您付费下载文档后,您只拥有了使用权限,并不意味着购买了版权,文档只能用于自身使用,不得用于其他商业用途(如 [转卖]进行直接盈利或[编辑后售卖]进行间接盈利)。
2、本站所有内容均由合作方或网友上传,本站不对文档的完整性、权威性及其观点立场正确性做任何保证或承诺!文档内容仅供研究参考,付费前请自行鉴别。
3、如文档内容存在违规,或者侵犯商业秘密、侵犯著作权等,请点击“违规举报”。

碎片内容

中石化三级单位岗位责任制汇编全文

确认删除?
VIP
微信客服
  • 扫码咨询
会员Q群
  • 会员专属群点击这里加入QQ群
客服邮箱
回到顶部