电脑桌面
添加小米粒文库到电脑桌面
安装后可以在桌面快捷访问

中石油招标文件模板

中石油招标文件模板_第1页
1/40
中石油招标文件模板_第2页
2/40
中石油招标文件模板_第3页
3/40
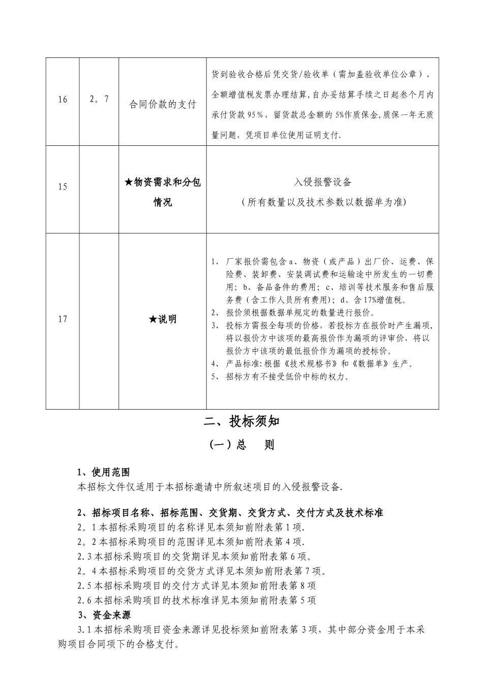
四川石化基地供气工程入侵报警设备招标文件招标编号:WZCGZX-2025-025四川石油管理局物资总公司2012 年 4 月 1 日入侵报警设备招标文件(共 61 页)招标项目编号:WZCGZX-2025-025 招标项目名称: 入侵报警设备采购 招 标 人: 四川石油管理局物资总公司(盖章) 法定代表人或其委托代理人: 日 期: 2025 年 4 月 1 日目 录第一章 投标须知及投标须知前附表第二章 合同文件格式及条款第三章 技术要求第四章 物资(服务)需求表第五章 投标文件投标函及商务部分格式第六章 投标文件资质证明文件部分格式第七章 投标文件技术部分格式第八章 评标方法、标准和定标原则第九章 招标用表第一章 投标须知及投标须知前附表目 录一、投标须知前附表二、投标须知(一)总则(二)招标文件(三)投标文件的编制(四)投标文件的提交(五)开标(六)评标(七)合同的授予一、投标须知前附表项号条款号内 容说明与要求12.1项目名称四川石化基地供气工程入侵报警设备33.1资金来源四川石油管理局物资总公司筹集42。2招标范围入侵报警设备52。6技术标准技术规格书:SCSHJDGQ-TE-SP—00262.3交货时间下订单之日起 36 个日历日内交货72.4交货地点四川彭州或成都天回镇82.5交付方式货物实地交付94。2资格审查方式按相关规定进行资格预审1016.1投标有效期为: 50 日历日,从投标截止之日算起1119.1投标文件份数贰份正本, 叁 份副本, 壹 份电子版1221。122.1投标文件提交地点、开始时间及截止时间投标文件递至: 四川石油管理局物资总公司地点: 成都市小关庙街 6 号 211 室 邮编: 610017开始时间: 2025 年 4 月 11 日下午 13 时 30 分截止时间: 2025 年 4 月 11 日下午 14 时 00 分1326.1开标开始时间: 2025 年 4 月 11 日下午 14 时 00 分地点:成都市小关庙街 6 号四川石油管理局物资总公 司视频会议室1434。3评标方法及标准采纳综合评分法评标,详见第八章152.6合同价款支付方式银行电汇或银行承兑汇票结算162。7合同价款的支付 货到验收合格后凭交货/验收单(需加盖验收单位公章)、全额增值税发票办理结算,自办妥结算手续之日起叁个月内承付货款 95%,留货款总金额的 5%作质保金,质保一年无质量问题,凭项目单位使用证明支付.15★物资需求和分包情况入侵报警设备(所有数量以及技术参数以数据单为准)17★说明1、 厂家报价需包含 a、物资(或产品)出厂价、运费、保...

1、当您付费下载文档后,您只拥有了使用权限,并不意味着购买了版权,文档只能用于自身使用,不得用于其他商业用途(如 [转卖]进行直接盈利或[编辑后售卖]进行间接盈利)。
2、本站所有内容均由合作方或网友上传,本站不对文档的完整性、权威性及其观点立场正确性做任何保证或承诺!文档内容仅供研究参考,付费前请自行鉴别。
3、如文档内容存在违规,或者侵犯商业秘密、侵犯著作权等,请点击“违规举报”。

碎片内容

中石油招标文件模板

您可能关注的文档

确认删除?
VIP
微信客服
  • 扫码咨询
会员Q群
  • 会员专属群点击这里加入QQ群
客服邮箱
回到顶部