电脑桌面
添加小米粒文库到电脑桌面
安装后可以在桌面快捷访问

临时建筑工程验收记录表

临时建筑工程验收记录表_第1页
1/6
临时建筑工程验收记录表_第2页
2/6
临时建筑工程验收记录表_第3页
3/6
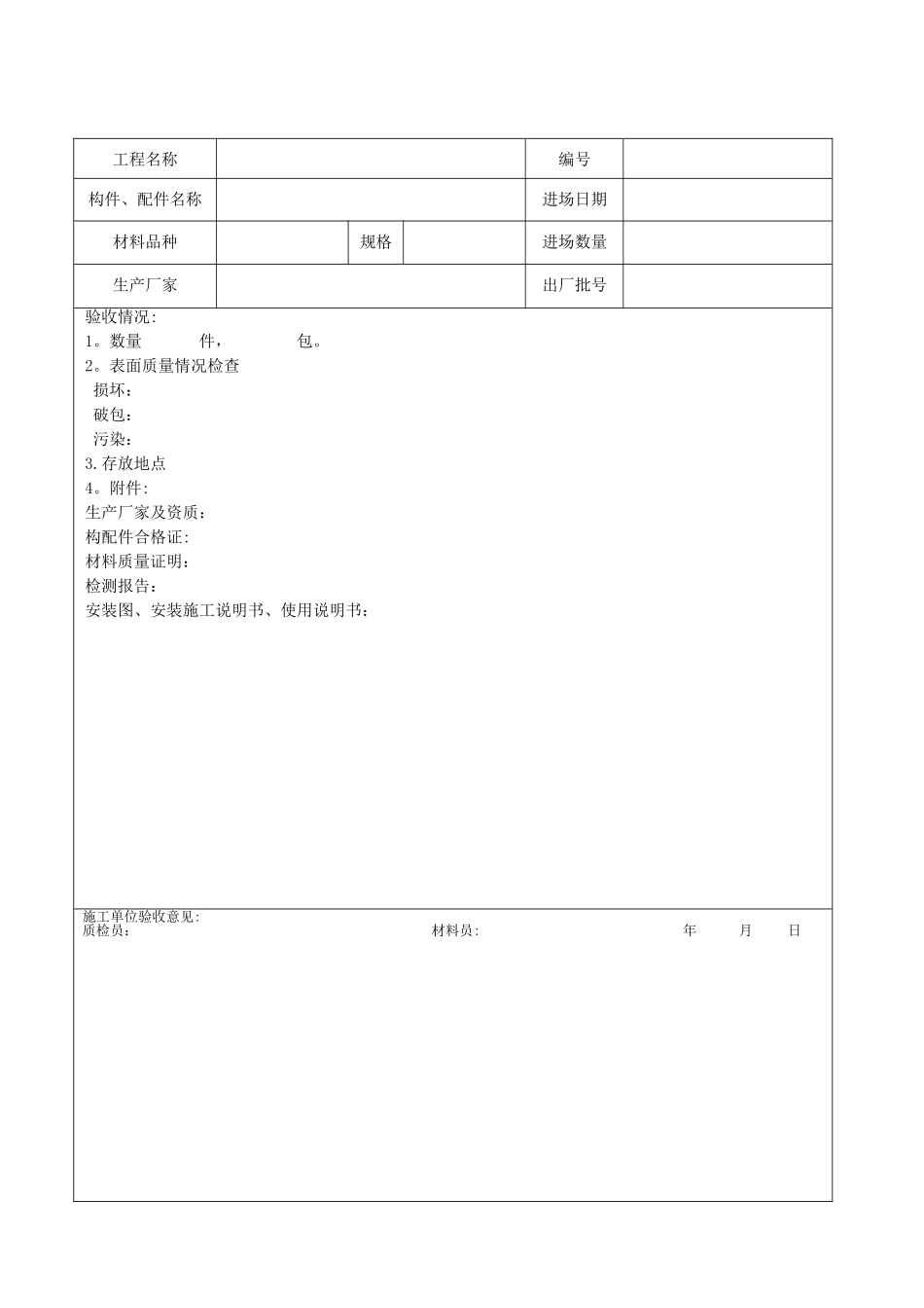
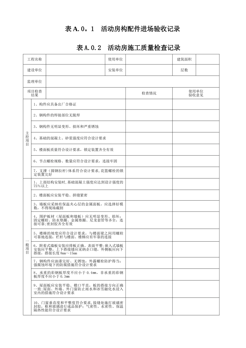
工程名称编号构件、配件名称进场日期材料品种规格进场数量生产厂家出厂批号验收情况:1。数量 件, 包。2。表面质量情况检查 损坏: 破包: 污染: 3.存放地点4。附件:生产厂家及资质:构配件合格证:材料质量证明:检测报告:安装图、安装施工说明书、使用说明书:施工单位验收意见:质检员: 材料员: 年 月 日表 A.0。1 活动房构配件进场验收记录表 A.0.2 活动房施工质量检查记录工程名称使用单位建筑面积建设单位安装单位层数监理单位项目检查结果检查情况使用单位验收意见主控项目1、构件应具备出厂合格证2、钢构件的焊接部位无脱焊3、钢构件无明显变形、损坏和严重锈蚀4、基础的混凝土、砂浆强度应符合设计要求5、楼面板质量符合设计要求,锁定装置齐全有效6、节点螺栓规格、数量应符合设计要求,连接牢固7、支撑(圆钢拉杆)体系符合设计要求,花篮螺栓的锁定装置完好一般项目1、上部结构安装时,基础混凝土强度应达到设计强度的75%以上2、楼面板应安装平稳、拼缝紧密3、墙板应采纳有保温夹心层的金属面板,应选择好模数,不得现场截割4、围护板材(屋面板和墙板)应无明显变形、损坏;固定螺栓、防水垫圈、金属垫圈、尼龙套管等齐全,连接可靠;密封胶齐全有效5、楼梯的坡度应符合设计要求,与楼面梁之间用螺栓可靠地连接;栏杆与楼面、楼梯应有牢靠的连接6、附着式墙板安装应排板正确、表面平整;嵌入式墙板安装应平整,上下搭接缝应采纳企口缝,外侧板应向下搭接,搭接长度 8mm~15mm7、钢构件应油漆完好、无锈蚀,外露螺栓防护得当;强腐蚀环境下的防腐措施符合设计要求8、承重的彩钢板厚度不应小于 0.4㎜,非承重的彩钢板厚度不应小于 0.3㎜9、屋面板应安装平稳、檐口平直,板的搭接方向正确一致;屋面、外墙、外门窗防止雨水和冰雪融化水浸入室内的措施符合设计要求10、门窗垂直度和平整度符合要求,接缝处施打玻璃密封胶,框和玻璃进行成品保护;气密性、水密性、保温隔热性能符合设计要求11、活动房周边应排水通畅,无积水,不堆放杂物续表 A。0.2 允许偏差检查项目允许偏差检查记录使用单位验收意见12345678910基础基础截面尺寸现浇式+8、—5装配式±5建筑物定位轴线3基础上柱的定位轴线3支承面标高±2水平度1/1000现浇基础地脚螺栓螺栓中心线±2伸出长度+20、—0螺纹长度+20、-0装配式基础螺栓孔中心线水平位置5中心线与顶面距离±3柱子安装底层柱底轴线对定位轴线的偏差3柱子定位轴线3柱子垂直度(单层)10柱子垂直度(...

1、当您付费下载文档后,您只拥有了使用权限,并不意味着购买了版权,文档只能用于自身使用,不得用于其他商业用途(如 [转卖]进行直接盈利或[编辑后售卖]进行间接盈利)。
2、本站所有内容均由合作方或网友上传,本站不对文档的完整性、权威性及其观点立场正确性做任何保证或承诺!文档内容仅供研究参考,付费前请自行鉴别。
3、如文档内容存在违规,或者侵犯商业秘密、侵犯著作权等,请点击“违规举报”。

碎片内容

临时建筑工程验收记录表

确认删除?
VIP
微信客服
  • 扫码咨询
会员Q群
  • 会员专属群点击这里加入QQ群
客服邮箱
回到顶部