电脑桌面
添加小米粒文库到电脑桌面
安装后可以在桌面快捷访问

临时用电验收记录表11925

临时用电验收记录表11925_第1页
1/5
临时用电验收记录表11925_第2页
2/5
临时用电验收记录表11925_第3页
3/5
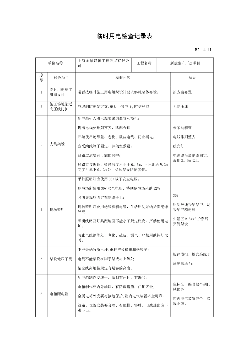
临时用电检查记录表B2—4-11单位名称上海金赢建筑工程进展有限公司工程名称新建生产厂房项目序号验收项目验收内容结果1临时用电施工组织设计 是否按临时施工用电组织设计要求实施总体布设。 按方案布置 2施工场地临近高压线防护 应编制防护架方案,审批手续齐全,防护严密 无高压线 3支线架设 配电箱引入引出线要采纳套管和横担;进出电线要排列整齐、匹配合理;严禁使用绝缘差、老化、破皮电线、防止漏电;应采纳绝缘子固定、并架空敷设;线路过道要有可靠的保护;线路直接埋地,敷设深度不小于 0。6m,引出地面从 2m高度至地下 0。2m 处,必须架设防护套管。 未采纳套管电线排列整齐线完好电缆线沿墙绝缘固定,离地 2。5m 以上 4现场照明 手持照明灯应使用 36V 以下安全电压;危险场所使用 36V 安全电压、特别危险场采纳 12V;照明导线应固定在绝缘子上;现场照明灯要用绝缘橡套电缆,生活照明采纳护套绝缘导线;照明线路及灯具距地面不能小于规定距离,严禁使用电炉;防止电线绝缘差、老化、破皮、漏电、严禁用碘钨灯取暖。 36V照明导线采纳架空,均采纳三蕊电缆生活区 2.5mm2 护套线穿管架设 5架设低压干线 不准采纳竹质电杆,电杆应设横担和绝缘子;电线不能架设在脚手架或树上等处;架空线离地按规定有足够的高度。 镀锌横担,蝶式绝缘子高度离地 5m 6电箱配电箱 配电箱制作要统一,做到有色标,有编号;电箱制作要内外油漆,有防雨措施,门锁齐全;金属电箱外壳要有接地保护,箱内电气装置齐全可靠;线路、位置安装要合理、有地排、零牌,电线进出应下进下出。 色标全,编号缺个别门锁损坏箱内电气装置齐全,接线正确。 7开关箱熔丝 开关箱要符合一机一闸一保险,箱内无杂物、不积灰;配电箱与开关箱之间距离 30m 左右,用电设备与开关箱超过 3m 应加随机开关,配电箱的下沿离地面不小于1。2m 箱内严禁动力、照明混用;严禁用其它金属代替熔丝,熔丝安装要合理。 箱内清洁度较好做到“四个一"要求 8接地或接零 严禁接地接零混接,接地体符合要求,二根之间距离不小于 2.5m,电阻值为 4Ω,接地体不宜用螺纹钢。 测试三组接地装置,电阻值均〈4Ω 9变配电装置 露天变压器设置符合规定要求,配电间安全防护措施和安全用具、警告标志齐全;配电间门要朝外开,高处正中装 20×30cm 玻璃。 无露天变压器,配电间安全用具及标志齐全,门朝外开 验收意见:待部分不符合的项目整改完以后,同意投入使用。...

1、当您付费下载文档后,您只拥有了使用权限,并不意味着购买了版权,文档只能用于自身使用,不得用于其他商业用途(如 [转卖]进行直接盈利或[编辑后售卖]进行间接盈利)。
2、本站所有内容均由合作方或网友上传,本站不对文档的完整性、权威性及其观点立场正确性做任何保证或承诺!文档内容仅供研究参考,付费前请自行鉴别。
3、如文档内容存在违规,或者侵犯商业秘密、侵犯著作权等,请点击“违规举报”。

碎片内容

临时用电验收记录表11925

阳光书坊+ 关注
实名认证
内容提供者

阳光书坊,传播未来

确认删除?
VIP
微信客服
  • 扫码咨询
会员Q群
  • 会员专属群点击这里加入QQ群
客服邮箱
回到顶部