电脑桌面
添加小米粒文库到电脑桌面
安装后可以在桌面快捷访问

五金手册查询表89317

五金手册查询表89317_第1页
1/9
五金手册查询表89317_第2页
2/9
五金手册查询表89317_第3页
3/9
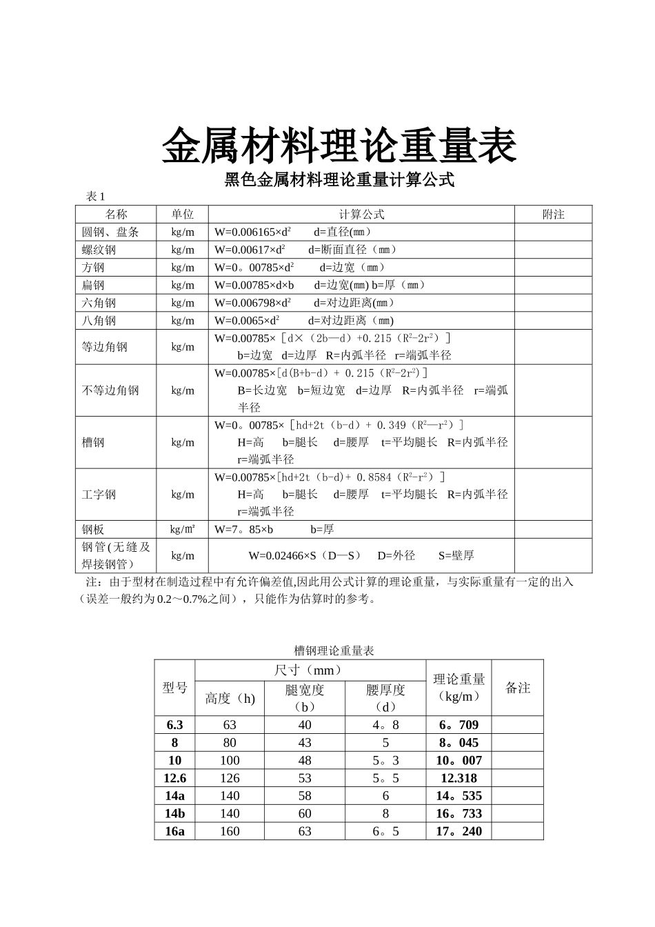
金属材料理论重量表黑色金属材料理论重量计算公式表 1名称单位计算公式附注圆钢、盘条㎏/mW=0.006165×d2 d=直径(㎜)螺纹钢㎏/mW=0.00617×d2 d=断面直径(㎜)方钢㎏/mW=0。00785×d2 d=边宽(㎜)扁钢㎏/mW=0.00785×d×b d=边宽(㎜) b=厚(㎜)六角钢㎏/mW=0.006798×d2 d=对边距离(㎜)八角钢㎏/mW=0.0065×d2 d=对边距离(㎜)等边角钢㎏/mW=0.00785×[d×(2b—d)+0.215(R2-2r2)] b=边宽 d=边厚 R=内弧半径 r=端弧半径不等边角钢㎏/mW=0.00785×[d(B+b-d)+ 0.215(R2-2r2)] B=长边宽 b=短边宽 d=边厚 R=内弧半径 r=端弧半径槽钢㎏/mW=0。00785×[hd+2t(b-d)+ 0.349(R2—r2)]H=高 b=腿长 d=腰厚 t=平均腿长 R=内弧半径 r=端弧半径工字钢㎏/mW=0.00785×[hd+2t(b-d)+ 0.8584(R2-r2)] H=高 b=腿长 d=腰厚 t=平均腿长 R=内弧半径 r=端弧半径钢板㎏/㎡W=7。85×b b=厚钢管(无缝及焊接钢管)㎏/mW=0.02466×S(D—S) D=外径 S=壁厚注:由于型材在制造过程中有允许偏差值,因此用公式计算的理论重量,与实际重量有一定的出入(误差一般约为 0.2~0.7%之间),只能作为估算时的参考。槽钢理论重量表型号尺寸(mm)理论重量(kg/m)备注高度(h)腿宽度(b)腰厚度(d)6.363404。86。7098804358。04510100485。310。00712.6126535。512.31814a14058614。53514b14060816。73316a160636。517。24016160658.519.75218a180687.020.17418180709.023.00020a20073722.6372020075925。77722a22077724。9992222079928.45324a240787。026。86024b240809.030.62824c2408211.034。39625a25080727。41025b25082931。33525c250821135.26027a270827。530.83827b270849。535.07727c2708611.539。31628a280827.531.42728b280849.535。82328c2808611。540.21930a300857。534。46330b300879。539.17330c3008911.543。88332a32088838。08332b320901043.10732c320921248。13136a36096947。81436b360981153.46636c3601001359.11840a40010010.558。92840b40010212.565.20840c40010414。571。488圆钢直径和方钢边长及理论重量表表 1-1圆钢直径 d方钢边长 a (㎜)理 论 重 量(㎏/m)圆钢直径 d方 钢 边 长a(㎜)理 论 重 量(㎏/m)圆钢直径 d方 钢 边 长a(㎜)理 论 重 量(㎏/m)圆钢方钢圆钢方钢圆钢方钢5。50.1860.237*274.495.72*6828.5136。3060.2220.238284。836。157030.2138。476.50。2600...

1、当您付费下载文档后,您只拥有了使用权限,并不意味着购买了版权,文档只能用于自身使用,不得用于其他商业用途(如 [转卖]进行直接盈利或[编辑后售卖]进行间接盈利)。
2、本站所有内容均由合作方或网友上传,本站不对文档的完整性、权威性及其观点立场正确性做任何保证或承诺!文档内容仅供研究参考,付费前请自行鉴别。
3、如文档内容存在违规,或者侵犯商业秘密、侵犯著作权等,请点击“违规举报”。

碎片内容

五金手册查询表89317

您可能关注的文档

确认删除?
VIP
微信客服
  • 扫码咨询
会员Q群
  • 会员专属群点击这里加入QQ群
客服邮箱
回到顶部