电脑桌面
添加小米粒文库到电脑桌面
安装后可以在桌面快捷访问

企业安全生产标准化自评报告

企业安全生产标准化自评报告_第1页
1/6
企业安全生产标准化自评报告_第2页
2/6
企业安全生产标准化自评报告_第3页
3/6
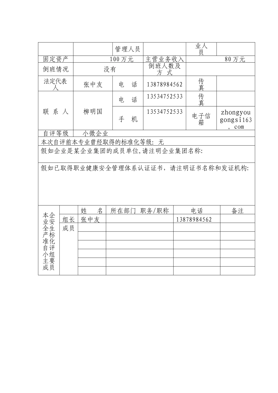
附件1企 业 安 全 生 产 标 准 化 自 评 报 告企业名称:蓬莱市中友食品有限公司所属行业:轻工专业:自评得分:63 自评等级:自评日期:2025 年 3 月 10 日 是否在企业内部公示:是 是否申请评审: 是 国家安全生产监督管理总局制一、基本情况表企业名称蓬莱市中友食品有限公司地 址山东省蓬莱市登州街道海市西路 8 号企业性质私营 安全管理机构员工总数36 人 专职安全1 人特种作1 人管理人员业人 员固定资产100 万元主营业务收入80 万元倒班情况 没有倒班人数及 方 式法定代表人张中友电 话13878984562传 真联 系 人柳明国电 话13534752533传 真手 机13534752533电子信箱zhongyougongsi163。com自评等级小微企业本次自评前本专业曾经取得的标准化等级:无假如企业是某企业集团的成员单位,请注明企业集团名称:假如已取得职业健康安全管理体系认证证书,请注明证书名称和发证机构:本企业安全生产标准化自评小组主要成员姓名所在部门 职务/职称电话备注组长 张中友13878984562成员二、企业自评总结本公司位于蓬莱市登州街道海市西路 8 号,属轻工行业,生产销售:食品添加剂;销售:建材、五金交电、日用百货;代租代售房屋。企业共有职工 36 人,每年销售收入 80 万元,成立于 2001 年 03 月 30 日。自成立来,我企业十分注重安全生产,平常注重进行安全演练,到目前为止,我单位未发生重伤、死亡或其他重大生产安全事故和职业病。三、评审申请表1.企业是否同意遵守评审要求,并能提供评审所必需的真实信息?是 2。企业在提交申请书时,应附以下文件资料:◇安全生产许可证复印件(未实施安全生产行政许可的行业不需提供)◇自评扣分项目汇总表3.企业自评得分:634.企业自评结论:符合小微企业安全生产标准法定代表人(签名): 张中友 (申请企业盖章)2025 年 3 月 10 日5.上级主管单位意见:负责人(签名): (主管单位盖章)年 月 日6.安全生产监督管理部门意见:负责人(签名): (安监部门盖章)年 月 日自评报告填报说明1.“企业名称”填写企业名称并加盖申请企业章。2.“所属行业”主要类别有非煤矿山、危险化学品、化工、医药、烟花爆竹、冶金、有色、建材、机械、轻工、纺织、烟草、商贸等行业。“专业”按行业所属专业填写,有专业安全生产标准化标准的,按标准确定的专业填写,如“冶金”行业中的“炼钢" 、“轧钢" 专业,“建材”行业中的“水泥" 专业,“有色”行业中的...

1、当您付费下载文档后,您只拥有了使用权限,并不意味着购买了版权,文档只能用于自身使用,不得用于其他商业用途(如 [转卖]进行直接盈利或[编辑后售卖]进行间接盈利)。
2、本站所有内容均由合作方或网友上传,本站不对文档的完整性、权威性及其观点立场正确性做任何保证或承诺!文档内容仅供研究参考,付费前请自行鉴别。
3、如文档内容存在违规,或者侵犯商业秘密、侵犯著作权等,请点击“违规举报”。

碎片内容

企业安全生产标准化自评报告

确认删除?
VIP
微信客服
  • 扫码咨询
会员Q群
  • 会员专属群点击这里加入QQ群
客服邮箱
回到顶部