电脑桌面
添加小米粒文库到电脑桌面
安装后可以在桌面快捷访问

企业安全生产标准化自评报告表格

企业安全生产标准化自评报告表格_第1页
1/25
企业安全生产标准化自评报告表格_第2页
2/25
企业安全生产标准化自评报告表格_第3页
3/25
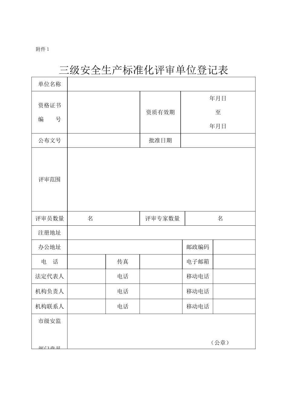
企业安全生产生产标准化自评/评审报告表格(大全)1、三级安全生产标准化评审单位登记表 2、安全生产标准化评审单位评审人员汇总表 3、安全生产标准化评审员登记表 4、安全生产标准化评审专家登记表 5、企业安全生产标准化自评报告 6、企业安全标准化评审申请表 7、企业安全标准化考核评级审批表 8、企业安全标准化评审报告附件 1三级安全生产标准化评审单位登记表单位名称资格证书编 号资质有效期年月日至年月日公布文号批准日期评审范围评审员数量名评审专家数量名注册地址办公地址邮政编码电 话传真电子邮箱法定代表人电话移动电话机构负责人电话移动电话机构联系人电话移动电话市级安监部门意见 (公章)省级安监部门备案意见 (公章)年月日填表说明:①此表由考核确定三级安全标准化评审单位的市级安监部门填写并打印;②“单位名称”栏要填写单位全称;③“资格证书编号”栏根据安全标准评审单位资格证书填写,格式为:“ABPS- ”+各市名称(如西安市填写“西安”)+“3—”+顺序号;④此表一式三份,省安全监管局相关业务处室、政策法规处和市(区)安全监管局各一份。附件 2安全生产标准化评审单位评审人员汇总表评审单位(公章): 评审员(共 名,其中专职 名,兼职 名)序号姓 名职称培训证书编号所学专业注安/评价师是否专职123456789101112131415161718聘任的评审专家(共 名)序号姓 名职称培训证书编号文化程度特长专业是否签订聘用协议1234567891011121314151617填表说明:①此表由评审员所在评审单位填写并打印;②评审员“培训证书编号"栏填写经国家安全监管总局指定机构培训考核发放的安全标准化培训合格证书编号;聘任评审专家“培训证书编号”栏填写经省安监局指定的机构培训考核,由局政策法规处发放的安全标准化培训合格证书编号,未经培训的不填写;③“是否专职”栏,评审员与评审单位签订劳动合同,并缴纳基本养老、基本医疗、失业、工伤保险(事业单位的评审员有住房公积证明)的为专职,其他为兼职;④ 此表一式三份,评审单位所在地市(区)安全监管局、省安全监管局相关业务处室和政策法规处各一份。附件 3安全生产标准化评审员登记表姓 名性 别出生日期照片(一寸)工作单位职 务通讯地址邮政编码E-mail身份证号联系电话移动电话毕业学校学 历所学专业技术职称培训单位培训证书编 号安全资格注册安全工程师 □安 全 评 价 师 □是否专职是□否□工作简历及主要成就申请人承 诺本人保证以...

1、当您付费下载文档后,您只拥有了使用权限,并不意味着购买了版权,文档只能用于自身使用,不得用于其他商业用途(如 [转卖]进行直接盈利或[编辑后售卖]进行间接盈利)。
2、本站所有内容均由合作方或网友上传,本站不对文档的完整性、权威性及其观点立场正确性做任何保证或承诺!文档内容仅供研究参考,付费前请自行鉴别。
3、如文档内容存在违规,或者侵犯商业秘密、侵犯著作权等,请点击“违规举报”。

碎片内容

企业安全生产标准化自评报告表格

您可能关注的文档

确认删除?
VIP
微信客服
  • 扫码咨询
会员Q群
  • 会员专属群点击这里加入QQ群
客服邮箱
回到顶部