电脑桌面
添加小米粒文库到电脑桌面
安装后可以在桌面快捷访问

企业自动监测设备运行与维护记录表

企业自动监测设备运行与维护记录表_第1页
1/11
企业自动监测设备运行与维护记录表_第2页
2/11
企业自动监测设备运行与维护记录表_第3页
3/11
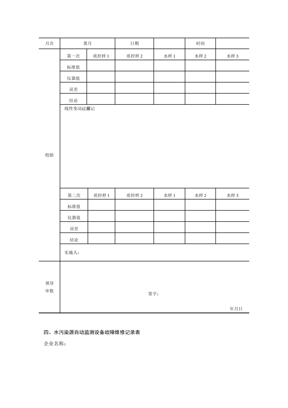
自动监测设备运行与维护记录表一、水污染源自动监测设备运营维护日常巡检表企业名称: 日期:设备名称:规格型号:设备编号:维护管理单位:安装地点:维护保养人:设备巡检内容、情况、及处理情况说明日常维护工作记录(一)维护预备查询日志试剂、耗材准备(二)系统检查供电系统(稳压、UPS 等)通信系统(本地通信、远程通信等)控制系统(PLC、工控机等)子站设施(泵、阀等)采水系统(三)仪器检查仪器显示故障报警仪器管路仪器校验(四)周期维护仪器清洗集成管路清洗废液处理试剂更换耗材更换卫生打扫站房记录(五)其他情况异常情况处理记录更换耗材备注离站时间服务耗时维护人员业主方代表日期二、水污染源自动监测仪校准记录表站点名称仪器类别型号月份日期时间时到时常规项校准前各参数是否正常 异常参数校准后各参数是否正常异常参数结果记录(异常情况描述):原因分析与实行措施:处理结果及器件更换:线形变动记录:校验前:校验后:实施人 1:实施人 2:领导审批签字:年月日三、水污染源自动监测仪校验记录表站点名称仪器类别型号月次第月日期时间校验第一次质控样 1质控样 2水样 1水样 2水样 3标准值仪器值误差结论线性变动过程记录:第二次质控样 1质控样 2水样 1水样 2水样 3标准值仪器值误差结论实施人:领导审批签字:年月日四、水污染源自动监测设备故障维修记录表企业名称:设备名称规格型号设备编号维护管理单位安装地点故障情况及发生时间仪器设备管理员:年月日维修人:年月日修复后使用前校验时间、校验结果说明校验人:年月日正常投入使用时间仪器设备管理员:年月日负责人:年月日五、标准溶液核查结果记录表站点名称: 测定日期: 年 月 日序号测试项目单位自动监测仪器测定结果配置值(推举值)相对误差/%备注运营方代表: 日期:年 月 日业主方代表: 日期:年 月 日六、烟气自动监测设备日常巡检维护记录表企业名称: 日期: 年 月 日设备名称:规格型号:设备编号:维护管理单位:安装地点:维护保养人:设备巡检内容、情况、及处理情况说明序号子系统巡检部件及事项说明巡检部件情况说明处理情况处理后结果说明1烟气监测系统探头滤芯、采样管、伴热管是否堵塞采样探头反吹是否正常,电磁阀、反吹气源是否正常采样泵、致冷器、过滤器、采样流量是否正常直接烟气分析仪的净化装置管路、风机、过滤器、风量吸附剂、干燥剂是否过期烟气监测数据是否正常,分析仪(直抽式)校准是否正常标气的浓...

1、当您付费下载文档后,您只拥有了使用权限,并不意味着购买了版权,文档只能用于自身使用,不得用于其他商业用途(如 [转卖]进行直接盈利或[编辑后售卖]进行间接盈利)。
2、本站所有内容均由合作方或网友上传,本站不对文档的完整性、权威性及其观点立场正确性做任何保证或承诺!文档内容仅供研究参考,付费前请自行鉴别。
3、如文档内容存在违规,或者侵犯商业秘密、侵犯著作权等,请点击“违规举报”。

碎片内容

企业自动监测设备运行与维护记录表

您可能关注的文档

确认删除?
VIP
微信客服
  • 扫码咨询
会员Q群
  • 会员专属群点击这里加入QQ群
客服邮箱
回到顶部