电脑桌面
添加小米粒文库到电脑桌面
安装后可以在桌面快捷访问

优质结构创优方案

优质结构创优方案_第1页
1/31
优质结构创优方案_第2页
2/31
优质结构创优方案_第3页
3/31
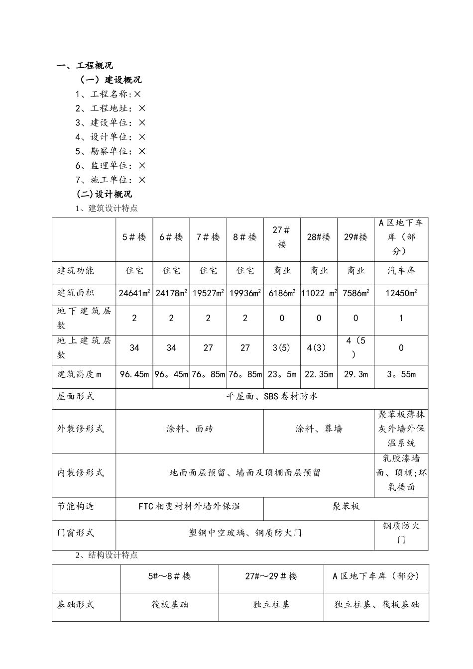
一、工程概况(一)建设概况1、工程名称:×2、工程地址:×3、建设单位:×4、设计单位:×5、勘察单位:×6、监理单位:×7、施工单位:×(二)设计概况1、建筑设计特点5#楼6#楼7#楼8#楼27#楼28#楼29#楼A 区地下车库(部分)建筑功能住宅住宅住宅住宅商业商业商业汽车库建筑面积24641m2 24178m2 19527m2 19936m26186m2 11022 m2 7586m212450m2地 下 建 筑 层数22220001地 上 建 筑 层数343427273(5)4(3)4(5)0建筑高度 m96.45m 96。45m 76。85m 76。85m 23。5m22.35m29.3m3。55m屋面形式平屋面、SBS 卷材防水外装修形式涂料、面砖涂料、幕墙聚苯板薄抹灰外墙外保温系统内装修形式地面面层预留、墙面及顶棚面层预留乳胶漆墙面、顶棚;环氧楼面节能构造FTC 相变材料外墙外保温聚苯板门窗形式塑钢中空玻璃、钢质防火门钢质防火门2、结构设计特点5#~8#楼27#~29#楼A 区地下车库(部分)基础形式筏板基础独立柱基独立柱基、筏板基础结构形式钢筋混凝土剪力墙结构钢筋混凝土框架结构钢筋混凝土无梁楼盖结构钢筋等级Ⅰ 级、Ⅲ级Ⅰ 级、Ⅱ级、Ⅲ级混凝土等级垫层 C15、基础底板混凝土为 C30、地下二层~十一层墙体混凝 土 为 C35 、 十 二层~二十二层墙体混凝土为 C30、其余墙体混凝土为 C25、地下 室 ~ 六 层 楼 板 为C30、其余楼板混凝土为 C25垫层 C20、独立柱基及框 架 柱 C30 、 梁 板C30、其他 C25垫层 C15、独立柱基及基 础 底 板 混 凝 土 为C30、车库顶板、地下车库柱混凝土为 C40、墙混凝土为 C40、楼梯及车库顶板以上通风竖井混凝土为 C30、高层住宅范围内的地下室楼板混凝土为 C30地下混凝土防水等级底 板 为 P8 、 其 他 为P6/底板为 P8、其他为 P6砌体结构设计陶 粒 混 凝 土 空 心 砌块、M5。0 混合砂浆加气混凝土砌块,M5 专用砂浆陶 粒 混 凝 土 空 心 砌块、M5。0 混合砂浆钢筋连接竖向电渣压力焊接、横向搭接和直螺纹机械连接二、结构工程质量创优标准(一)模板工程质量创优标准1、模板制作,保证规格尺寸准确,棱、角平直光洁,面层平整,拼缝严密。新制作的模板进行检查验收和试组装,并按规格类型编号标识。钢模板及其支架、零部件有防锈蚀措施。2、模板安装,依据施工方案确保模板的位置线、轴线、标高、垂直度、结构构件尺寸、门窗、孔洞位置等符合设计要求。跨度等于或大于 4m 的粱板模板按设计要求起拱,起拱高度宜为跨...

1、当您付费下载文档后,您只拥有了使用权限,并不意味着购买了版权,文档只能用于自身使用,不得用于其他商业用途(如 [转卖]进行直接盈利或[编辑后售卖]进行间接盈利)。
2、本站所有内容均由合作方或网友上传,本站不对文档的完整性、权威性及其观点立场正确性做任何保证或承诺!文档内容仅供研究参考,付费前请自行鉴别。
3、如文档内容存在违规,或者侵犯商业秘密、侵犯著作权等,请点击“违规举报”。

碎片内容

优质结构创优方案

您可能关注的文档

确认删除?
VIP
微信客服
  • 扫码咨询
会员Q群
  • 会员专属群点击这里加入QQ群
客服邮箱
回到顶部