电脑桌面
添加小米粒文库到电脑桌面
安装后可以在桌面快捷访问

住宅工程质量分户验收汇总表

住宅工程质量分户验收汇总表_第1页
1/8
住宅工程质量分户验收汇总表_第2页
2/8
住宅工程质量分户验收汇总表_第3页
3/8
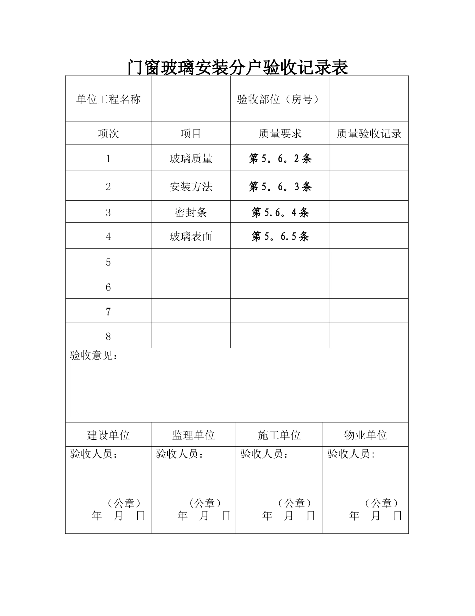
住宅工程质量分户验收汇总表工程名称建设单位总户数监理单位施工单位物业单位内容验收户数每户验收项目功能性试验外墙公共部位保温节能验收结论建设单位:项目负责人: (公章) 年 月 日监理单位:项目负责人: (公章) 年 月 日施工单位:项目负责人: (公章) 年 月 日物业单位:项目负责人: (公章) 年 月 日门窗玻璃安装分户验收记录表单位工程名称验收部位(房号)项次项目质量要求质量验收记录1玻璃质量第 5。6。2 条2安装方法第 5。6。3 条3密封条第 5.6。4 条4玻璃表面第 5。6.5 条5678验收意见:建设单位监理单位施工单位物业单位验收人员: (公章) 年 月 日验收人员: (公章) 年 月 日验收人员: (公章) 年 月 日验收人员: (公章) 年 月 日金属门窗安装质量分户验收记录表单位工程名称验收部位(房号)项次项目允许偏差(mm)实测值合格率1门窗槽口宽度、高度≤1500mm1.5>1500mm22窗槽口对角线长度差≤2000mm4〉2000mm43门窗框的正、侧面垂直度2.54门窗横框的水平度25门窗横框标高56门窗竖向偏离中心57双层门窗内外框间距48推拉门窗扇与框搭接量1.5验收意见:建设单位监理单位施工单位物业单位验收人员: (公章) 年 月 日验收人员: (公章) 年 月 日验收人员: (公章) 年 月 日验收人员: (公章) 年 月 日溶剂型涂料涂饰质量分户验收记录表单位工程名称验收部位(房号)项次项目质量要求质量验收记录1涂料质量第 10.3.2 条2颜色、光泽、图案第 10.3。3 条3涂饰综合质量第 10.3。4 条4基层处理第 10.3。5 条5与其他材料、设备衔接处界面应清楚第 10.3.8 条6刷纹无刷纹7裹棱、流坠、皱皮不允许8装饰线、分色线、直线度1验收意见:建设单位监理单位施工单位物业单位验收人员: (公章) 年 月 日验收人员: (公章) 年 月 日验收人员: (公章) 年 月 日验收人员: (公章) 年 月 日饰面砖质量分户验收记录表单位工程名称验收部位(房号)项次项目允许偏差(mm)实测值合格率外墙面砖内墙面砖1立面垂直度322表面平整度433阴阳角方正334接缝直线度325接缝高低差10。56接缝宽度1178验收意见:建设单位监理单位施工单位物业单位验收人员: (公章) 年 月 日验收人员: (公章) 年 月 日验收人员: (公章) 年 月 日验收人员: (公章) 年 月 日防水工程、公共部位质量分户验收记录表单位工程名称验收部位(房号)现场检查项目质量...

1、当您付费下载文档后,您只拥有了使用权限,并不意味着购买了版权,文档只能用于自身使用,不得用于其他商业用途(如 [转卖]进行直接盈利或[编辑后售卖]进行间接盈利)。
2、本站所有内容均由合作方或网友上传,本站不对文档的完整性、权威性及其观点立场正确性做任何保证或承诺!文档内容仅供研究参考,付费前请自行鉴别。
3、如文档内容存在违规,或者侵犯商业秘密、侵犯著作权等,请点击“违规举报”。

碎片内容

住宅工程质量分户验收汇总表

您可能关注的文档

雏圣文化+ 关注
实名认证
内容提供者

欢迎光临,大量办公文档供您挑选。

确认删除?
VIP
微信客服
  • 扫码咨询
会员Q群
  • 会员专属群点击这里加入QQ群
客服邮箱
回到顶部