电脑桌面
添加小米粒文库到电脑桌面
安装后可以在桌面快捷访问

体系文件管理规定

体系文件管理规定_第1页
1/6
体系文件管理规定_第2页
2/6
体系文件管理规定_第3页
3/6
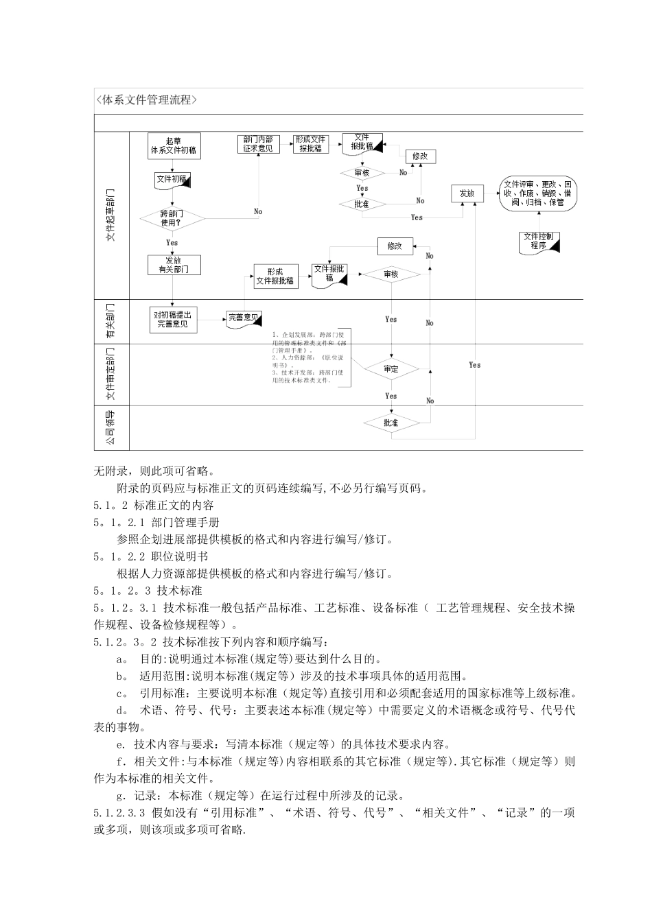
xxxxxx 有限公司体系文件管理规定(第 1 版)年月日发布 年月日实施起 草人:审核人: 批准人:起草日期:审核日期:批准日期:体系文件管理规定1 目的适应公司变更和部门职责调整需要,确保体系文件连续的适宜性、有效性和可追溯性,确保各部门体系文件的编写/修订、审批、发放、评审、更改、回收等的控制不受公司变更和部门职责调整影响,法律规范公司体系文件的管理。2 适用范围 本规定适用于公司各单位体系文件的管理和控制.3 职责3.1 公司领导负责分管的各单位制定的跨部门使用的体系文件的批准。3.2 企划进展部a。 负责体系文件管理有关规定的制定,并对各部门体系文件管理进行指导和组织检查、考核。b。 负责公司跨部门使用的管理标准类文件报批前的审定.3.3 人力资源部负责公司各部门所有岗位员工《职位说明书》的管理和编制/修订指导。3。4 技术质量部负责公司跨部门使用的技术标准类文件报批前的审定。3.5 各部门负责制定本单位体系文件,并负责文件(包括电子版)的存档和管理。3。6 文件的使用人员负责所用文件的妥善使用和保管.3。7 专业归口管理部门负责有关专业外来文件的统一管理。 4 管理程序 见下页. 5 管理内容与要求5。1 文件的编写5。1。1 标准的构成 标准一般由封面、目录、正文、页脚、附录等组成。 5。1。1.1 封面的内容和格式见本规定封面,标准文件印刷幅面一般采纳 A4 纸,各部门体系文件的字号、字体应尽量统一。为保持与公司 OA 实施接轨和持续推展公司外在形象,《部门手册》、《职位说明书》、《技术标准》、《管理标准》印刷幅面采纳 A4 纸统一模板,正文标题采纳宋体三号字,正文采纳宋体五号字并使用 WORD 软件打印;各种标志(盖泽、中国建材等)的使用根据企业文化部的相关要求执行。考虑到“其他类文件”的特别性,“其他类文件"在编排格式、印刷幅面、字体、字号上不做强制规定,但提倡 A4 纸统一模板、WORD 软件打印。5。1.1。2 当标准内容较长,结构较复杂,条文较多时,一般在印刷页超过 15 页时应编写目录。页数接近 15 页,但为了便于使用者,也可编写目录。 目录的内容一般包括章条的编号、标题以及标题所在页码,标题与页码之间用符号“.。..。。”连结.目录所在页应另编页码,不能与标准正文的页码连续。5.1。1。3 页脚:每页的脚注。格式为:标准编号/版本 x/第 x—x 页/第 x 次修订,具体实例见本规定页脚.5.1。1.4 附录:一般指标准涉及的附表、附图...

1、当您付费下载文档后,您只拥有了使用权限,并不意味着购买了版权,文档只能用于自身使用,不得用于其他商业用途(如 [转卖]进行直接盈利或[编辑后售卖]进行间接盈利)。
2、本站所有内容均由合作方或网友上传,本站不对文档的完整性、权威性及其观点立场正确性做任何保证或承诺!文档内容仅供研究参考,付费前请自行鉴别。
3、如文档内容存在违规,或者侵犯商业秘密、侵犯著作权等,请点击“违规举报”。

碎片内容

体系文件管理规定

确认删除?
VIP
微信客服
  • 扫码咨询
会员Q群
  • 会员专属群点击这里加入QQ群
客服邮箱
回到顶部