电脑桌面
添加小米粒文库到电脑桌面
安装后可以在桌面快捷访问

供应商质量评估评分

供应商质量评估评分_第1页
1/5
供应商质量评估评分_第2页
2/5
供应商质量评估评分_第3页
3/5
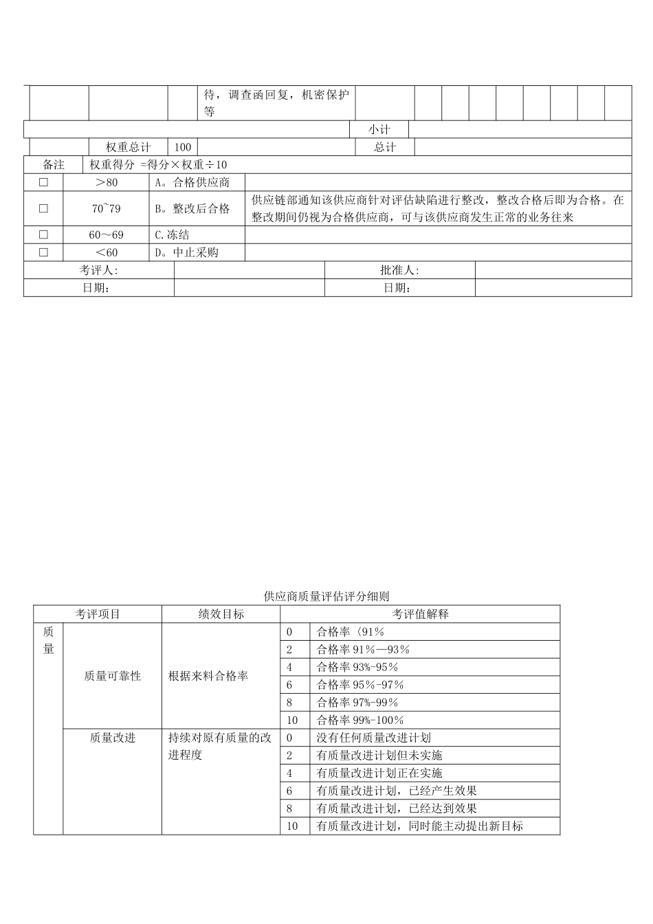
供应商质量评估评分表记录编码:供应商名称主要产品考评项目权重绩效目标考评部门考评值0246810得分权重得分质量质量可靠性20根据来料合格率质量保证部质量改进10持续对原有质量的改进程度质量保证部物料质量问题10物料质量问题等级及其反馈情 况 ( 详 见 SMP-QM 。 012《物料质量问题分类管理制度》)质量保证部/供应链部小计价格价格水平10与市场相同或相似产品的价格比较供应链部报价2报价信息内容符合要求供应链部付款条件2价格合作态度和配合程度;收款发票合格、及时程度供应链部降价分享1让顾客分享降低成本的利益供应链部小计供货能力准时交货20严格按订单按时按量发运货物供应链部订单接受灵活性10根据订单变化接受率,对紧急订单的处理能力,配合完成紧急任务的能力供应链部小计配合度售后服务8帮助我厂解决供货或使用中出现的所有问题的态度供应链部信息沟通2沟通速度和手段供应链部反应表现2对订单、交货、质量投诉等的反应,答复完整性,对退货、选择等的处理供应链部合作态度2与我厂的合作的重视程度,合作态度供应链部参加改进开发2参加我厂质量体系审核、项目改进或新项目研发的意愿与能力供应链部其他支持1其 他 配 合 情 况 , 如 访 问 接供应链部待,调查函回复,机密保护等小计权重总计100总计备注权重得分 =得分×权重÷10□>80A。合格供应商□70~79B。整改后合格供应链部通知该供应商针对评估缺陷进行整改,整改合格后即为合格。在整改期间仍视为合格供应商,可与该供应商发生正常的业务往来□60~69C.冻结□<60D。中止采购考评人:批准人:日期:日期:供应商质量评估评分细则考评项目绩效目标考评值解释质量质量可靠性根据来料合格率0合格率〈91%2合格率 91%—93%4合格率 93%-95%6合格率 95%-97%8合格率 97%-99%10合格率 99%-100%质量改进持续对原有质量的改进程度0没有任何质量改进计划2有质量改进计划但未实施4有质量改进计划正在实施6有质量改进计划,已经产生效果8有质量改进计划,已经达到效果10有质量改进计划,同时能主动提出新目标物料质量问题物料质量问题等级及其反馈情况(详见 SMP—QM.012《物料质量问题分类管理制度》)0重复发生的 A 类质量问题且未及时反馈2重复发生的 A 类质量问题但能及时反馈;重复发生的 B 类质量问题且未及时反馈4首次发生的 A 类质量问题;重复发生的 B 类质量问题但能及时反馈6首次发生的 B 类质量问题8C 类质量问题10D 类质量问题...

1、当您付费下载文档后,您只拥有了使用权限,并不意味着购买了版权,文档只能用于自身使用,不得用于其他商业用途(如 [转卖]进行直接盈利或[编辑后售卖]进行间接盈利)。
2、本站所有内容均由合作方或网友上传,本站不对文档的完整性、权威性及其观点立场正确性做任何保证或承诺!文档内容仅供研究参考,付费前请自行鉴别。
3、如文档内容存在违规,或者侵犯商业秘密、侵犯著作权等,请点击“违规举报”。

碎片内容

供应商质量评估评分

办公文档专营+ 关注
实名认证
内容提供者

大量办公文档,欢迎选择

确认删除?
VIP
微信客服
  • 扫码咨询
会员Q群
  • 会员专属群点击这里加入QQ群
客服邮箱
回到顶部