电脑桌面
添加小米粒文库到电脑桌面
安装后可以在桌面快捷访问

公司工程付款管理制度

公司工程付款管理制度_第1页
1/4
公司工程付款管理制度_第2页
2/4
公司工程付款管理制度_第3页
3/4
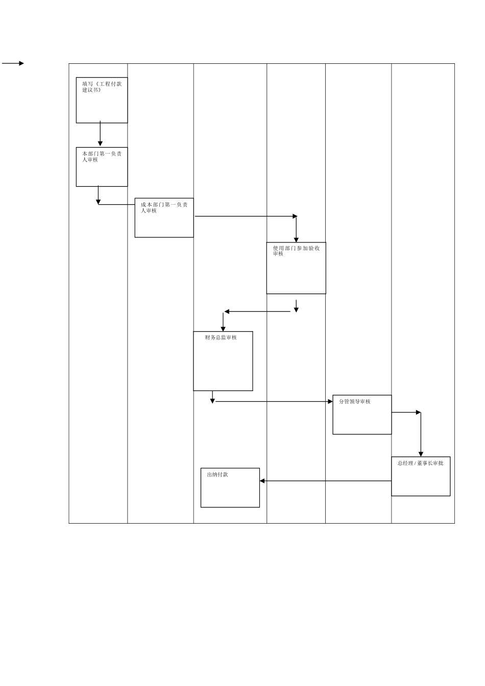
****公司工程付款管理制度1.范围法律规范项目工程款项付款程序,明确付款审批人的职责,工程付款指工程项目的设计,施工,材料,设备以及营销费用等付款的总称。2.控制目标2.1 控制目标:保证工程款按工程合同,工程进度计划合理支付3.主要涉及岗位3.1 流程主持者:财务总监3.2 流程相关岗位:相关部门经理/公司分管领导,总经理4.主要控制节点:4.1 工程部/供应部的经办人核实已完工作(工程)量,确认按合同的约 定是否须付款,填写付款审批单及付款台账4.2 工程部/供应部分管领导复核经办人意见,包括工程的进度,质量情况和合同执行情况,签署审批意见4.3 成本部根据合同经济条款和预决算审核意见,签署审批意见4.4 假如该次付款为累计付款达到 100%的最后一次付款,则必须有使用部门参 审核,确定该项工程,材料或设备是否存在使用上的问题,以及是否存在其 其他方面的费用扣缴的问题,并确定最终的扣付金额4.5 财务部门负责人根据合同条款和已付款情况,签署审批意见4.6 总经理根据财务总体情况和审批权限,签署意见4.7 财务部门在付款时,《合同款项支付审批表》后必须附发票,如因特别情况 需事后补发票的,应由经办人填写暂缺发票证明,经本部门负责人,分管领 导同意签字同意后,财务部门方可付款,但经办人必须承担按时补回发票的 责任,同意其暂缺发票的部门负责人承担连带责任4.8 本公司其他部门同时可参照上述管理流程填写《合同支付审批表》支付本部门应付款项工程付款审批流程相关部门成本部财务部使用部门 分管领导总经理填写《工程付款建议书》本部门第一负责人审核成本部门第一负责人审核使用部门参加验收审核财务总监审核分管领导审核总经理 / 董事长审批出纳付款合同款项支付审批表NO:适用范围:涉及公司所有合同款项及费用支付 填表单位:工程/业务项目 名称合同名称 合同编号合同收款单位及联系人,电话合同款类型1。设计 2.材料设备 3。施工 4.其他 乙 方 收 款 明 细付款类型1。预付 2.进度 3.结算 4。保修 5.上期累计本月付款本期累计合同款总额合同约定本期付款金额(大写)乙方申请本期付款金额(大写)合计是否有监理公司意见相关部门专业人员 付 款 意 见付款部门经办人付款意见使用部门付款意见成本部门付款意见财务部门付款 意见分管领导审批意见 总经理审批 意见 董事长审批 意见

1、当您付费下载文档后,您只拥有了使用权限,并不意味着购买了版权,文档只能用于自身使用,不得用于其他商业用途(如 [转卖]进行直接盈利或[编辑后售卖]进行间接盈利)。
2、本站所有内容均由合作方或网友上传,本站不对文档的完整性、权威性及其观点立场正确性做任何保证或承诺!文档内容仅供研究参考,付费前请自行鉴别。
3、如文档内容存在违规,或者侵犯商业秘密、侵犯著作权等,请点击“违规举报”。

碎片内容

公司工程付款管理制度

您可能关注的文档

确认删除?
VIP
微信客服
  • 扫码咨询
会员Q群
  • 会员专属群点击这里加入QQ群
客服邮箱
回到顶部