电脑桌面
添加小米粒文库到电脑桌面
安装后可以在桌面快捷访问

公司质量、安全等管理检查表格

公司质量、安全等管理检查表格_第1页
1/12
公司质量、安全等管理检查表格_第2页
2/12
公司质量、安全等管理检查表格_第3页
3/12
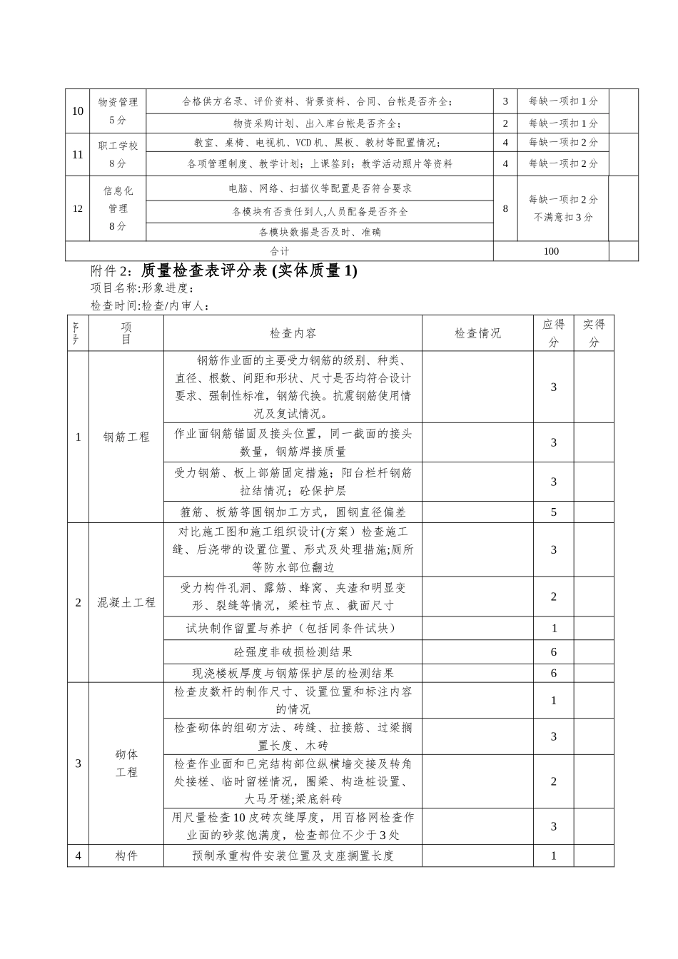
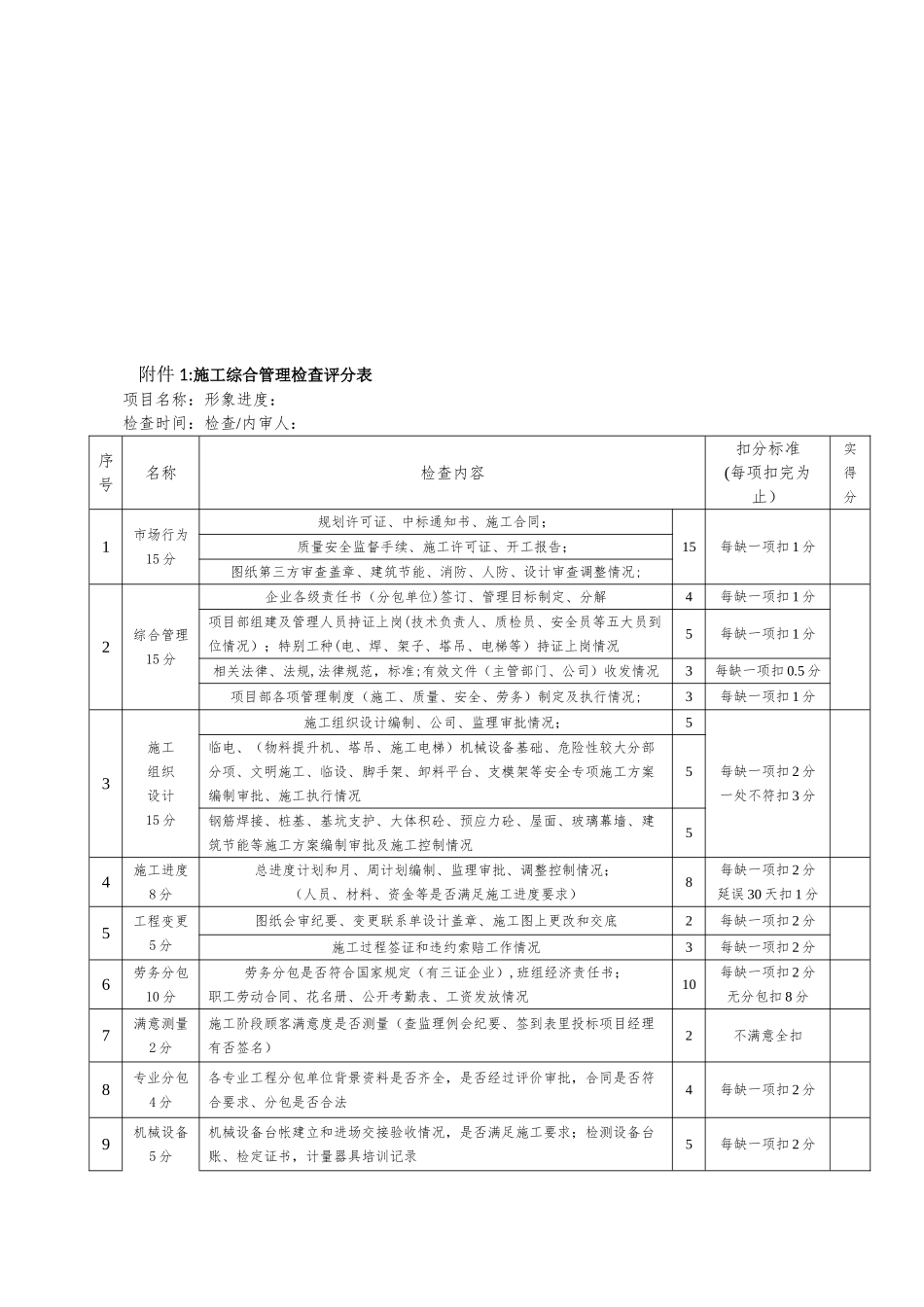
附件 1:施工综合管理检查评分表项目名称:形象进度:检查时间:检查/内审人:序号名称检查内容扣分标准(每项扣完为止)实得分1市场行为15 分规划许可证、中标通知书、施工合同;15每缺一项扣 1 分质量安全监督手续、施工许可证、开工报告;图纸第三方审查盖章、建筑节能、消防、人防、设计审查调整情况;2综合管理15 分企业各级责任书(分包单位)签订、管理目标制定、分解4每缺一项扣 1 分项目部组建及管理人员持证上岗(技术负责人、质检员、安全员等五大员到位情况);特别工种(电、焊、架子、塔吊、电梯等)持证上岗情况5每缺一项扣 1 分相关法律、法规,法律规范,标准;有效文件(主管部门、公司)收发情况3每缺一项扣 0.5 分项目部各项管理制度(施工、质量、安全、劳务)制定及执行情况;3每缺一项扣 1 分3施工组织设计15 分施工组织设计编制、公司、监理审批情况;5每缺一项扣 2 分一处不符扣 3 分临电、(物料提升机、塔吊、施工电梯)机械设备基础、危险性较大分部分项、文明施工、临设、脚手架、卸料平台、支模架等安全专项施工方案编制审批、施工执行情况5钢筋焊接、桩基、基坑支护、大体积砼、预应力砼、屋面、玻璃幕墙、建筑节能等施工方案编制审批及施工控制情况54施工进度8 分总进度计划和月、周计划编制、监理审批、调整控制情况;(人员、材料、资金等是否满足施工进度要求)8每缺一项扣 2 分延误 30 天扣 1 分5工程变更5 分图纸会审纪要、变更联系单设计盖章、施工图上更改和交底2每缺一项扣 2 分施工过程签证和违约索赔工作情况3每缺一项扣 2 分6劳务分包10 分劳务分包是否符合国家规定(有三证企业),班组经济责任书;职工劳动合同、花名册、公开考勤表、工资发放情况10每缺一项扣 2 分无分包扣 8 分7满意测量2 分施工阶段顾客满意度是否测量(查监理例会纪要、签到表里投标项目经理有否签名)2不满意全扣8专业分包4 分各专业工程分包单位背景资料是否齐全,是否经过评价审批,合同是否符合要求、分包是否合法4每缺一项扣 2 分9机械设备5 分机械设备台帐建立和进场交接验收情况,是否满足施工要求;检测设备台账、检定证书,计量器具培训记录5每缺一项扣 2 分10物资管理5 分合格供方名录、评价资料、背景资料、合同、台帐是否齐全;3每缺一项扣 1 分物资采购计划、出入库台帐是否齐全;2每缺一项扣 1 分11职工学校8 分教室、桌椅、电视机、VCD 机、黑板、教材等配置情况;4每缺...

1、当您付费下载文档后,您只拥有了使用权限,并不意味着购买了版权,文档只能用于自身使用,不得用于其他商业用途(如 [转卖]进行直接盈利或[编辑后售卖]进行间接盈利)。
2、本站所有内容均由合作方或网友上传,本站不对文档的完整性、权威性及其观点立场正确性做任何保证或承诺!文档内容仅供研究参考,付费前请自行鉴别。
3、如文档内容存在违规,或者侵犯商业秘密、侵犯著作权等,请点击“违规举报”。

碎片内容

公司质量、安全等管理检查表格

您可能关注的文档

一帆文传+ 关注
实名认证
内容提供者

欢迎光临店铺,各类公文供您挑选。

确认删除?
VIP
微信客服
  • 扫码咨询
会员Q群
  • 会员专属群点击这里加入QQ群
客服邮箱
回到顶部