电脑桌面
添加小米粒文库到电脑桌面
安装后可以在桌面快捷访问

冬季混凝土施工配合比各种养护条件下的试验结果汇总与分析-secret

冬季混凝土施工配合比各种养护条件下的试验结果汇总与分析-secret_第1页
1/9
冬季混凝土施工配合比各种养护条件下的试验结果汇总与分析-secret_第2页
2/9
冬季混凝土施工配合比各种养护条件下的试验结果汇总与分析-secret_第3页
3/9
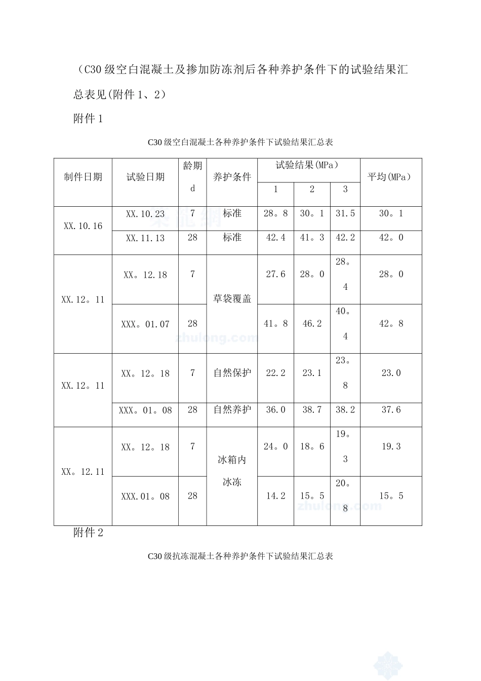
冬季混凝土施工配合比各种养护条件下的试验结果汇总与分析混凝土冬季施工,根据《桥涵施工技术法律规范》的定义,是指“室外日平均气温连续 5d 低于 5℃时”条件下的施工,一般情况下,野外现场露出地面的混凝土由于实行蒸汽养护十分困难,为了防止混凝土受冻,冬季一般不安排施工,但在工期很紧的情况下,就不得不进行混凝土的冬季施工.在实行了法律规范要求的诸如掺加防冻剂,覆盖蓄热保温等措施的情况下,以确保实体混凝土的强度增长.本文对如何进行混凝土冬季施工不打算进行讨论,仅对冬季施工用防冻混凝土配合比试件在各种养护条件下的实验结果进行汇总与分析,以便在工程实践中加以利用。1. 掺加 FD 型防冻剂的防冻机理XX 高速公路经历了一个冬季的施工,即 XX 年 11 月~XXX 年 3 月(寒流频发时停止施工),我们采纳的防冻剂为山西省万荣北杨前进化工厂生产的 FD 非氯盐型防冻剂,该品外观特点为:灰色粉状体、无毒、无臭、易溶于水,具有 8~10%的减水能力,掺量合适时(2。5~4%)其抗冻能力可达—15℃。据该型防冻剂的产品说明介绍,该产品的抗冻机理为:抗冻剂可以改变混凝土内部成冰的结晶状态,该结晶状态是畸形的,其强度远低于自然冰的强度,其体积稳定,对混凝土不会造成损害,形成的结晶细微的冰体称为“跃冰”,跃冰均匀分布于混凝土内,不会产生迁移和积聚,掺加该型防冻剂后混凝土结冰是正常现象,但只要恢复正常养护,强度仍能达标.2。养护条件的选择和确定1.1 为了模拟实际气温环境,在做抗冻混凝土配合比时,我们用冰柜模拟冬季环境气温条件,冰柜温度控制在—7℃±3℃。2。2 在寒流期间,用自然环境气温养护试件.2。3 用草袋覆盖,将试件放在旷野之中养护。2.4 在冰柜模拟冬季条件养护 7 天后,拿出来试件放入标养室继续养护。2.5 在冰柜模拟冬季条件养护 28 天后,在放入标养室标养 28 天.2.6 冬季自然环境条件下养护 28 天后,再放入标养室标养 28 天.前 3 个条件的试验目的,一是为了验证在掺加该种防冻剂后,如不采纳蓄热或简单覆盖条件下,混凝土是否有强度增长,二是与在标养条件下相比较强度的降低幅度。后 3 个条件是为了验证混凝土在掺加了该种防冻剂后,假如经过受冻,在气温回升后是否有强度再增长现象。3。 试验结果汇总试验采纳 C30 级普通混凝土的配合比,具体配合比为:水泥:中砂:碎石=1:1。58:2。94;W/C=0。46;水泥用量 402kg/m3;坍落度4.0cm;碎率:Sp=35%;水泥:寿鹿山牌...

1、当您付费下载文档后,您只拥有了使用权限,并不意味着购买了版权,文档只能用于自身使用,不得用于其他商业用途(如 [转卖]进行直接盈利或[编辑后售卖]进行间接盈利)。
2、本站所有内容均由合作方或网友上传,本站不对文档的完整性、权威性及其观点立场正确性做任何保证或承诺!文档内容仅供研究参考,付费前请自行鉴别。
3、如文档内容存在违规,或者侵犯商业秘密、侵犯著作权等,请点击“违规举报”。

碎片内容

冬季混凝土施工配合比各种养护条件下的试验结果汇总与分析-secret

您可能关注的文档

确认删除?
VIP
微信客服
  • 扫码咨询
会员Q群
  • 会员专属群点击这里加入QQ群
客服邮箱
回到顶部