电脑桌面
添加小米粒文库到电脑桌面
安装后可以在桌面快捷访问

冷再生基层试验段施工方案

冷再生基层试验段施工方案_第1页
1/5
冷再生基层试验段施工方案_第2页
2/5
冷再生基层试验段施工方案_第3页
3/5
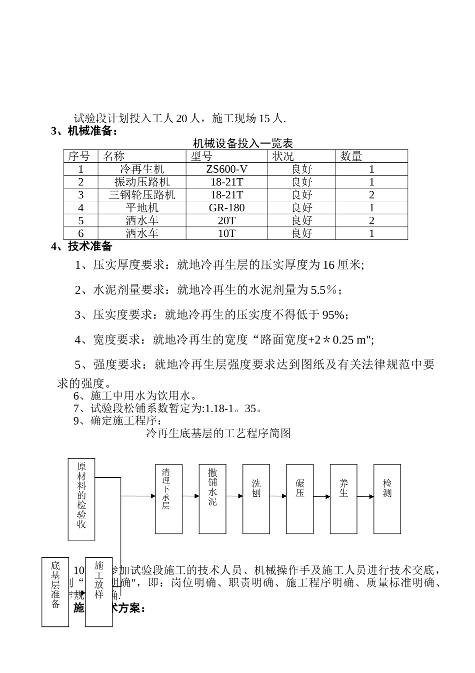
S 1 0 1 合 相 路 固 镇 段 沥 青 路 面 大 修 工 程 冷再生底基层 试验段施工技术方案 池 州 通 华 工 程 建 设 有 限 责 任 公 司S 1 0 1 合 相 路 固 镇 段 大 修 工 程 项 目 经 理 部 2025 年 5 月 5 日冷再生底基层试验段施工技术方案根据实施性施工组织设计计划,冷再生基层计划于 2025 年 5 月 15 日开工。到目前为止,我部已做了充分的准备工作,人员均已到位且经过了严格培训;机械设备数量满足施工要求且均已通过调试,状况良好;试验配合比优化工作已完成,各种原材料已经检验均合格。已具备了冷再生基层试验段施工的条件,待取得一些必要的施工数据及经验之后,将进行冷再生基层的大面积施工。一、试验段位置:根据路槽交验情况,冷再生基层试验段选在:K166+700~K167+200 右幅幅,全长 500 米。二、 试验段目的:1、确定施工配合比。2、确定混合料的松铺系数。3、确定标准施工方法:(1)、混合料数量的控制。(2)、混合料摊铺方法和适用机具。(3)、压实机械的选择和组合,压实的顺序、速度和遍数。(4)、拌和、运输、摊铺和碾压的机械、人员合理组合及其协调和配合。(5)、确定最小作业段内,从混合料拌和到碾压成型的作业时间能否满足在水泥初凝时间以前完成。4、每工作日的工程进度及工料机的消耗。5、对工程成本进行核算:在试验段结束后,立即进行总结,并做出文字性总结报告,报送监理工程师审批后,据此指导大面积的冷再生基层的施工。三、 试验段施工组织准备:1、现场准备:A、冷再生底基层施工前的试验资料:集料技术性能检测、水泥软练、水泥剂量标准曲线、冷再生击实试验,该试验结果符合设计与法律规范要求。B、清扫路面,使之洁净、洁净,强度、稳定性符合要求。C、施工机械已在现场试运转完毕,机械状况良好,满足要求。2、人员及机构组织准备:为了加强对试验路段的技术指导,成立技术指导组(见下图)。冷再生底基层施工组织简图项目技术负责:严云华现场负责人:丁南海材料员:何兵施工员:张衍超 质检员韦建安全员:程林造价员:曹志云项目负责人:张衍龙试验段计划投入工人 20 人,施工现场 15 人.3、机械准备:机械设备投入一览表序号名称型号状况数量1冷再生机ZS600-V良好12振动压路机18-21T良好13三钢轮压路机18-21T良好24平地机GR-180良好15洒水车20T良好26洒水车10T良好14、技术准备1、压实厚度要求:就地冷再生层的压实厚度为 16 厘米;...

1、当您付费下载文档后,您只拥有了使用权限,并不意味着购买了版权,文档只能用于自身使用,不得用于其他商业用途(如 [转卖]进行直接盈利或[编辑后售卖]进行间接盈利)。
2、本站所有内容均由合作方或网友上传,本站不对文档的完整性、权威性及其观点立场正确性做任何保证或承诺!文档内容仅供研究参考,付费前请自行鉴别。
3、如文档内容存在违规,或者侵犯商业秘密、侵犯著作权等,请点击“违规举报”。

碎片内容

冷再生基层试验段施工方案

您可能关注的文档

确认删除?
VIP
微信客服
  • 扫码咨询
会员Q群
  • 会员专属群点击这里加入QQ群
客服邮箱
回到顶部