电脑桌面
添加小米粒文库到电脑桌面
安装后可以在桌面快捷访问

分部工程质量验收记录SG-022

分部工程质量验收记录SG-022_第1页
1/4
分部工程质量验收记录SG-022_第2页
2/4
分部工程质量验收记录SG-022_第3页
3/4
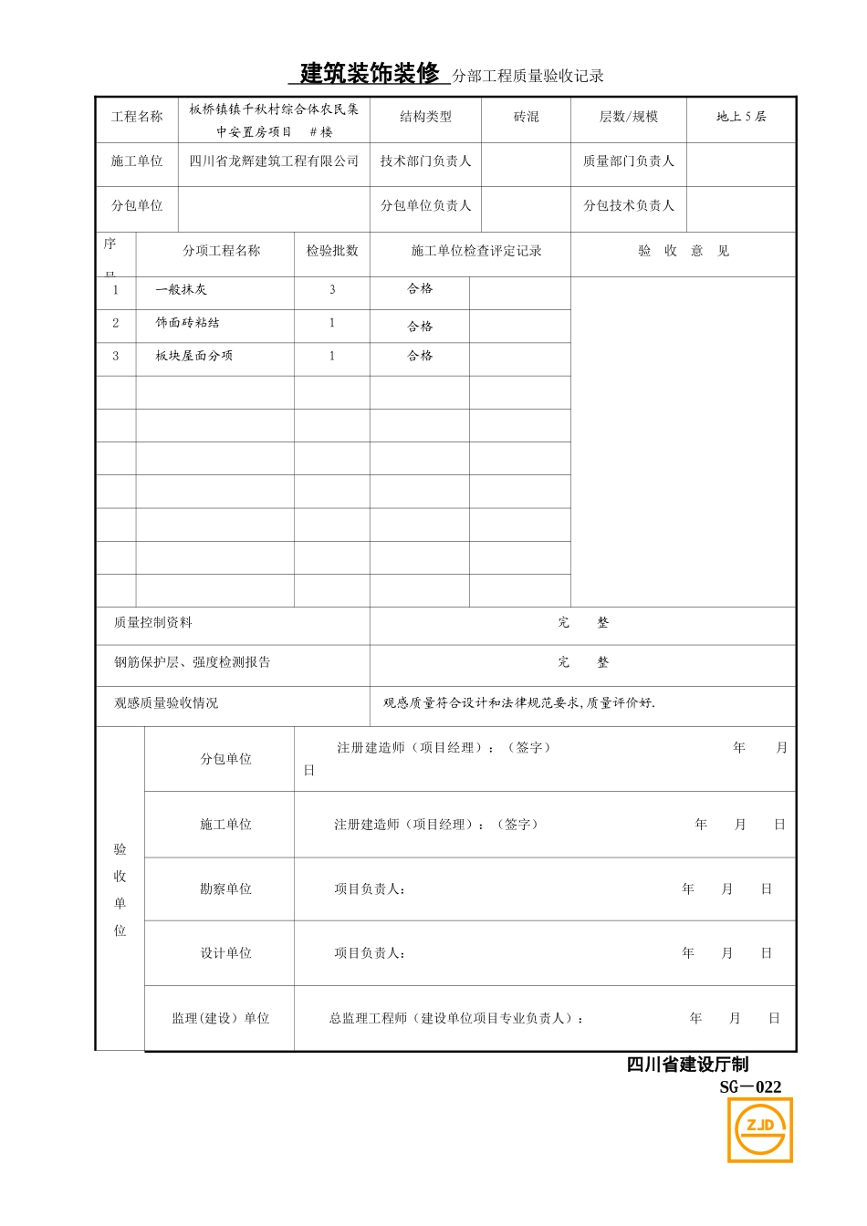
SG-022 分部工程质量验收记录工程名称结构类型层数/规模施工单位技术部门负责人质量部门负责人分包单位分包单位负责人分包技术负责人序号分项工程名称检验批数施工单位检查评定记录验 收 意 见12345678质量控制资料钢筋保护层、强度检测报告观感质量验收情况验 收 单 位分包单位 注册建造师(项目经理):(签字) 年 月 日施工单位 注册建造师(项目经理):(签字) 年 月 日勘察单位 项目负责人: 年 月 日设计单位 项目负责人: 年 月 日监理(建设)单位总监理工程师(建设单位项目专业负责人): 年 月 日四川省建设厅制SG-022 建筑装饰装修 分部工程质量验收记录工程名称板桥镇镇千秋村综合体农民集中安置房项目 #楼结构类型砖混层数/规模地上 5 层施工单位四川省龙辉建筑工程有限公司技术部门负责人质量部门负责人分包单位分包单位负责人分包技术负责人序号分项工程名称检验批数施工单位检查评定记录验 收 意 见1一般抹灰3合格合格2饰面砖粘结1合格3板块屋面分项1合格质量控制资料完 整钢筋保护层、强度检测报告完 整观感质量验收情况观感质量符合设计和法律规范要求,质量评价好.验 收 单 位分包单位 注册建造师(项目经理):(签字) 年 月 日施工单位 注册建造师(项目经理):(签字) 年 月 日勘察单位 项目负责人: 年 月 日设计单位 项目负责人: 年 月 日监理(建设)单位总监理工程师(建设单位项目专业负责人): 年 月 日四川省建设厅制SG-022 屋面 分部工程质量验收记录工程名称板桥镇镇千秋村综合体农民集中安置房项目 3#楼结构类型砖混结构层数/规模地上 5 层施工单位四川省龙辉建筑工程有限公司技术部门负责人质量部门负责人分包单位分包单位负责人分包技术负责人序号分项工程名称检验批数施工单位检查评定记录验 收 意 见1屋面找平层、保温层分项工程1合格合格2屋面防水层分项工程1合格345678质量控制资料完 整钢筋保护层、强度检测报告完 整观感质量验收情况观感质量符合设计和法律规范要求,质量评价好.验 收 单 位分包单位 注册建造师(项目经理):(签字) 年 月 日施工单位 注册建造师(项目经理):(签字) 年 月 日勘察单位 项目负责人: 年 月 日设计单位 项目负责人: 年 月 日监理(建设)单位总监理工程师(建设单位项目专业负责人): 年 月 日四川省建设厅制SG-022 建筑装饰装修分部工程质量验收记录工程名称板桥...

1、当您付费下载文档后,您只拥有了使用权限,并不意味着购买了版权,文档只能用于自身使用,不得用于其他商业用途(如 [转卖]进行直接盈利或[编辑后售卖]进行间接盈利)。
2、本站所有内容均由合作方或网友上传,本站不对文档的完整性、权威性及其观点立场正确性做任何保证或承诺!文档内容仅供研究参考,付费前请自行鉴别。
3、如文档内容存在违规,或者侵犯商业秘密、侵犯著作权等,请点击“违规举报”。

碎片内容

分部工程质量验收记录SG-022

您可能关注的文档

雏圣文化+ 关注
实名认证
内容提供者

欢迎光临,大量办公文档供您挑选。

确认删除?
VIP
微信客服
  • 扫码咨询
会员Q群
  • 会员专属群点击这里加入QQ群
客服邮箱
回到顶部