电脑桌面
添加小米粒文库到电脑桌面
安装后可以在桌面快捷访问

刚性防水屋面工程施工方案

刚性防水屋面工程施工方案_第1页
1/5
刚性防水屋面工程施工方案_第2页
2/5
刚性防水屋面工程施工方案_第3页
3/5
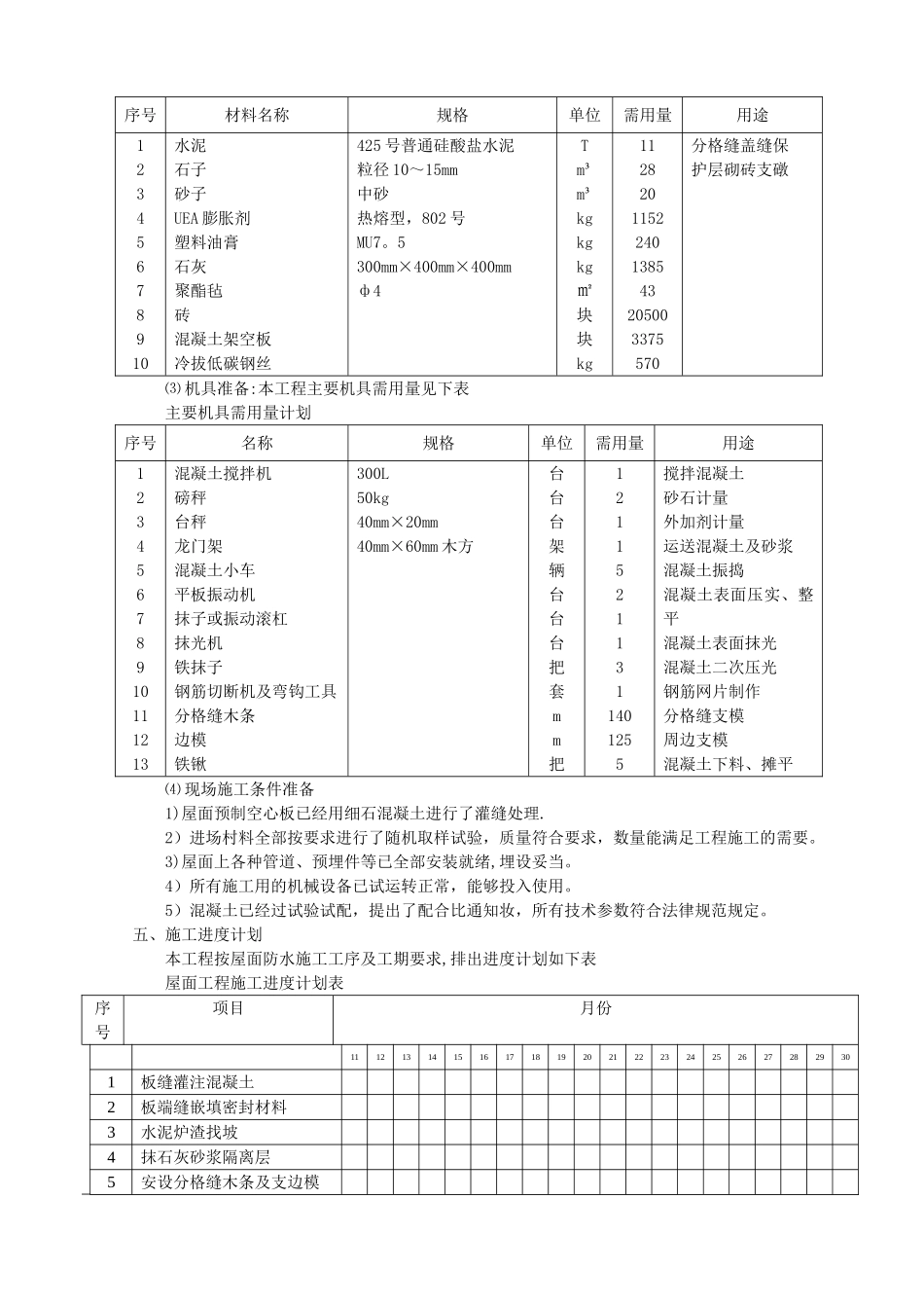
刚性防水屋面工程施工方案一、工程概况本工程是南方某市的一幢 6 层住宅楼,全长 49。5m,宽 11.7m,屋面面积为 591㎡,屋顶平面如图示。本工程由市建筑设计院负责设计,本公司第三项目经理部负责施工。屋面工程计划安排在 9月 10 至 9 月 30 日施工。本工程的屋顶结构层为 120 厚的预应力钢筋混凝土预制空心楼板,上面铺抹 40 厚的补偿收缩混凝土防水层,防水层上砌砖支礅,高 240mm,上面铺盖预制钢筋混凝土架空隔热板,屋面防水等级为Ⅲ级。二、质量工作目标1.防水层质量目标要求补偿收缩混凝土防水层施工完后不得出现渗漏,混凝土的强度符合设计要求,防水层的坡度和厚度符合设计规定,外观检查应表面平整,压实抹光,无裂缝、起壳、起砂等缺陷,表面平整度偏差小于 5mm,确保达到合格标准,几争屋面工程达到优良。2.屋面防水工程质量预控标准⑴ 预应力钢筋混凝土空心板铺设平稳,板缝用 C20 细石混凝土灌缝,混凝土中掺入膨胀剂,缝内混凝土嵌填密实,确保楼盖结构的整体刚度。⑵ 补偿收缩混凝土防水层内掺入 UEA 膨胀剂,自由膨胀率为 0。06%,混凝土振捣密实,表面压实抹光。⑶ 防水层的厚度 40mm,屋面坡度为 2%,檐沟纵坡为 1%,无倒坡、积水。⑷ 分格缝留设正确,密封材料嵌填严密,节点做法符合《屋面工程技术法律规范》(GB50207-2025)的规定。⑸ 架空层砖支礅做法符合设计要求,混凝土架空隔热板铺放平稳,勾缝严密,在架空层中无砂浆等杂物.3.工序质量检查⑴ 预制空心板灌缝后,应检查灌缝的质量是否符合规定,有无酥松、脱落、不密实之处。⑵ 搅拌混凝土前应先检查混凝土的配合比、讲师装置等是否符合要求。搅拌中随时检查砂、石等是否计量,混凝土的水灰比、坍落度是否符合要求。⑶ 专人检查钢筋网片的规格、尺寸及在防水层中的摆放位置。⑷ 用尺量检查混凝土防水层的厚度;用 2m 直尺和塞尺检查混凝土表面的平整度。⑸ 用水平仪或水平尺检查屋面心水层的坡度和檐沟的纵坡。⑹ 分格缝嵌填密封材料及节点柔性密封处理进行外观和尺量检查.⑺ 架空层尺寸用尺量检查,架空板铺设平整度用直尺检查.⑻ 屋面防水层全部完工后检验屋面有无渗漏,排水是否通畅,应在雨后或持续淋水 2h 后进行检查。三、防水材料的选用及要求1.防水材料的选用⑴ 水泥:本工程选用 425 号普通硅酸盐水泥.⑵ 石子:选用粒径为 10~15mm 的碎石,含泥是不应大于 1%.⑶ 砂子:可选用当地出产的河砂(中砂),含...

1、当您付费下载文档后,您只拥有了使用权限,并不意味着购买了版权,文档只能用于自身使用,不得用于其他商业用途(如 [转卖]进行直接盈利或[编辑后售卖]进行间接盈利)。
2、本站所有内容均由合作方或网友上传,本站不对文档的完整性、权威性及其观点立场正确性做任何保证或承诺!文档内容仅供研究参考,付费前请自行鉴别。
3、如文档内容存在违规,或者侵犯商业秘密、侵犯著作权等,请点击“违规举报”。

碎片内容

刚性防水屋面工程施工方案

您可能关注的文档

确认删除?
VIP
微信客服
  • 扫码咨询
会员Q群
  • 会员专属群点击这里加入QQ群
客服邮箱
回到顶部