电脑桌面
添加小米粒文库到电脑桌面
安装后可以在桌面快捷访问

人工顶管专项施工组织设计VIP免费

人工顶管专项施工组织设计_第1页
1/46
人工顶管专项施工组织设计_第2页
2/46
人工顶管专项施工组织设计_第3页
3/46
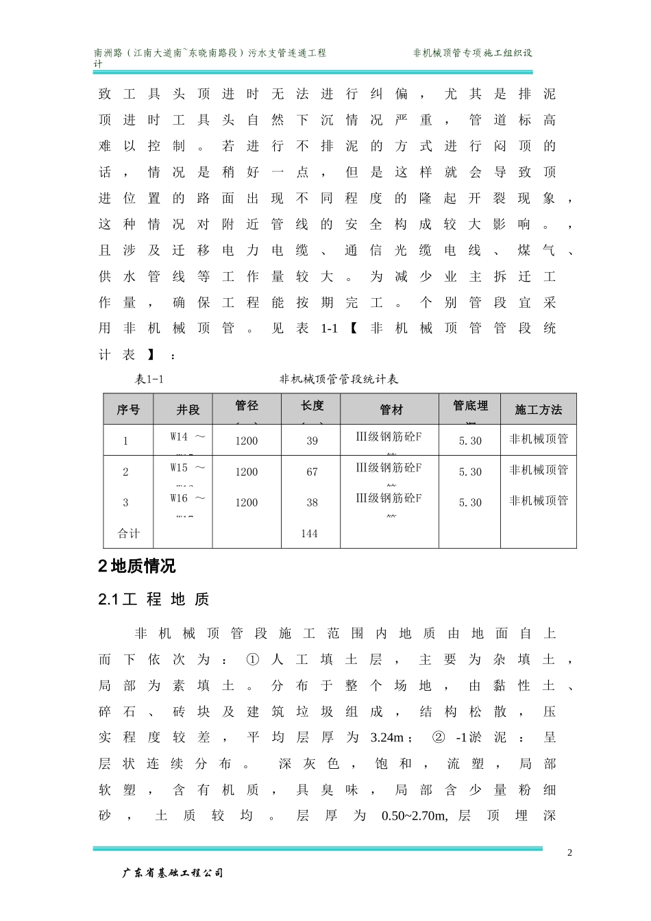
广东省基础工程公司南洲路(江南大道南~东晓南路段)污水支管连通工程非机械顶管专项施工组织设计第第11章章工程概述§1工程概况工程名称:南洲路(江南大道南~东晓南路段)污水支管连通工程建设单位:广州市污水治理有限责任公司设计单位:广州市市政工程设计研究院施工单位:广东省基础工程公司工程地点:广州市海珠区南洲路本工程位于广州市南部,管线起点江南大道南大干围路口,由西向东沿南洲路铺设,管线终点位于东晓南路。管段的管底深度5.00m~5.50m,总长度约为821m,包括顶管工作井5个,顶管接收井6个,顶管段检查井8个。原设计为全机械顶管,经现场仔细勘察摸查发现W14~W15、W15~W16、W16~W17井段,井段长分别约39m、67m、38m,管径为DN1200钢筋混凝土管,管道拟建在南洲名苑小区外围怡居街上,怡居街道路宽度15米,以上井段经过位置两旁分别是瑞宝街使用的变电房、宝兴楼(受当时内环路建设影响房屋受损,为此本工程实施过程中专门进行了专项加固措施)及民居。经现场勘察摸查发现,管道经过位置附近埋设有供水水管、排水水管、通讯光缆和有多根高压电力电缆经变电房进出铺设在怡居街上,特别是电缆的走向与我们建设的污水管道走向一样,垂直平面位置重叠,从我们现在现场施工中的W16工作井和W17接收井的开挖位置情况能看到部分电缆设置的位置占用了工作井和接收井的使用空间,电缆的埋深深浅不一,特别是发现部分利用牵引钻进法施工铺设的电缆埋深几乎与我们施工的污水管道标高一致,而且铺设的标高很难估计。若在上述施工段上按原设计机械顶管方案实施,将对铺设在以上井段附近的高压电缆管线安全带来较大影响,机械顶管不可遇见的地下障碍物风险也增加很大,到时涉及迁移电力电缆、供水、排水、通讯管线等工作量较大。加上之前在实施W11~W14井段时由于机械顶管工具头自重较大,施工井段的地质条件(淤泥质细砂)的地基承载力不足,导1广东省基础工程公司南洲路(江南大道南~东晓南路段)污水支管连通工程非机械顶管专项施工组织设计致工具头顶进时无法进行纠偏,尤其是排泥顶进时工具头自然下沉情况严重,管道标高难以控制。若进行不排泥的方式进行闷顶的话,情况是稍好一点,但是这样就会导致顶进位置的路面出现不同程度的隆起开裂现象,这种情况对附近管线的安全构成较大影响。,且涉及迁移电力电缆、通信光缆电线、煤气、供水管线等工作量较大。为减少业主拆迁工作量,确保工程能按期完工。个别管段宜采用非机械顶管。见表1-1【非机械顶管管段统计表】:表1-1非机械顶管管段统计表序号井段管径(mm)长度(m)管材管底埋深施工方法1W14~W15120039Ⅲ级钢筋砼F管5.30非机械顶管2W15~W16120067Ⅲ级钢筋砼F管5.30非机械顶管3W16~W17120038Ⅲ级钢筋砼F管5.30非机械顶管合计1442地质情况2.12.1工程地质非机械顶管段施工范围内地质由地面自上而下依次为:①人工填土层,主要为杂填土,局部为素填土。分布于整个场地,由黏性土、碎石、砖块及建筑垃圾组成,结构松散,压实程度较差,平均层厚为3.24m;②-1淤泥:呈层状连续分布。深灰色,饱和,流塑,局部软塑,含有机质,具臭味,局部含少量粉细砂,土质较均。层厚为0.50~2.70m,层顶埋深2广东省基础工程公司南洲路(江南大道南~东晓南路段)污水支管连通工程非机械顶管专项施工组织设计2.60~4.00m,平均1.55m。标贯试验8次,标贯击数1.0~3.0击,平均1.6击;③粉质粘土(Qel):揭露于整个场区,呈层状连续分布。灰白色,黄褐色,红褐色等,湿,可塑~硬塑,含有少量的中细砂颗粒,局部钻孔含有石英质粗砾砂,残余原岩结构可见。该层未穿透,层厚为0.80~4.90m,层顶埋深3.30~5.80m。标贯试验14次,标贯击数1.0~4.0击,平均2.6击。顶管施工主要穿越的地层为②-1、③粉质粘土层及淤泥质细沙土层。2.22.2水文地质(1)地下水类型场地地下水类型主要有人工填土层中的上层滞水和第四系全新统和上更新统砂层中的孔隙承压水。场地其它地层均为相对隔水层。(2)水的腐蚀性场地地下水在强透水土层中对混凝土结构具有弱腐蚀性,在弱透水层中对混凝土结构具有无腐蚀性;在干湿交替环境对钢筋混凝土结构中钢筋具弱腐蚀性;对钢结构具...

1、当您付费下载文档后,您只拥有了使用权限,并不意味着购买了版权,文档只能用于自身使用,不得用于其他商业用途(如 [转卖]进行直接盈利或[编辑后售卖]进行间接盈利)。
2、本站所有内容均由合作方或网友上传,本站不对文档的完整性、权威性及其观点立场正确性做任何保证或承诺!文档内容仅供研究参考,付费前请自行鉴别。
3、如文档内容存在违规,或者侵犯商业秘密、侵犯著作权等,请点击“违规举报”。

碎片内容

人工顶管专项施工组织设计

您可能关注的文档

确认删除?
VIP
微信客服
  • 扫码咨询
会员Q群
  • 会员专属群点击这里加入QQ群
客服邮箱
回到顶部