电脑桌面
添加小米粒文库到电脑桌面
安装后可以在桌面快捷访问

加油站设备周期检修保养计划

加油站设备周期检修保养计划_第1页
1/2
加油站设备周期检修保养计划_第2页
2/2
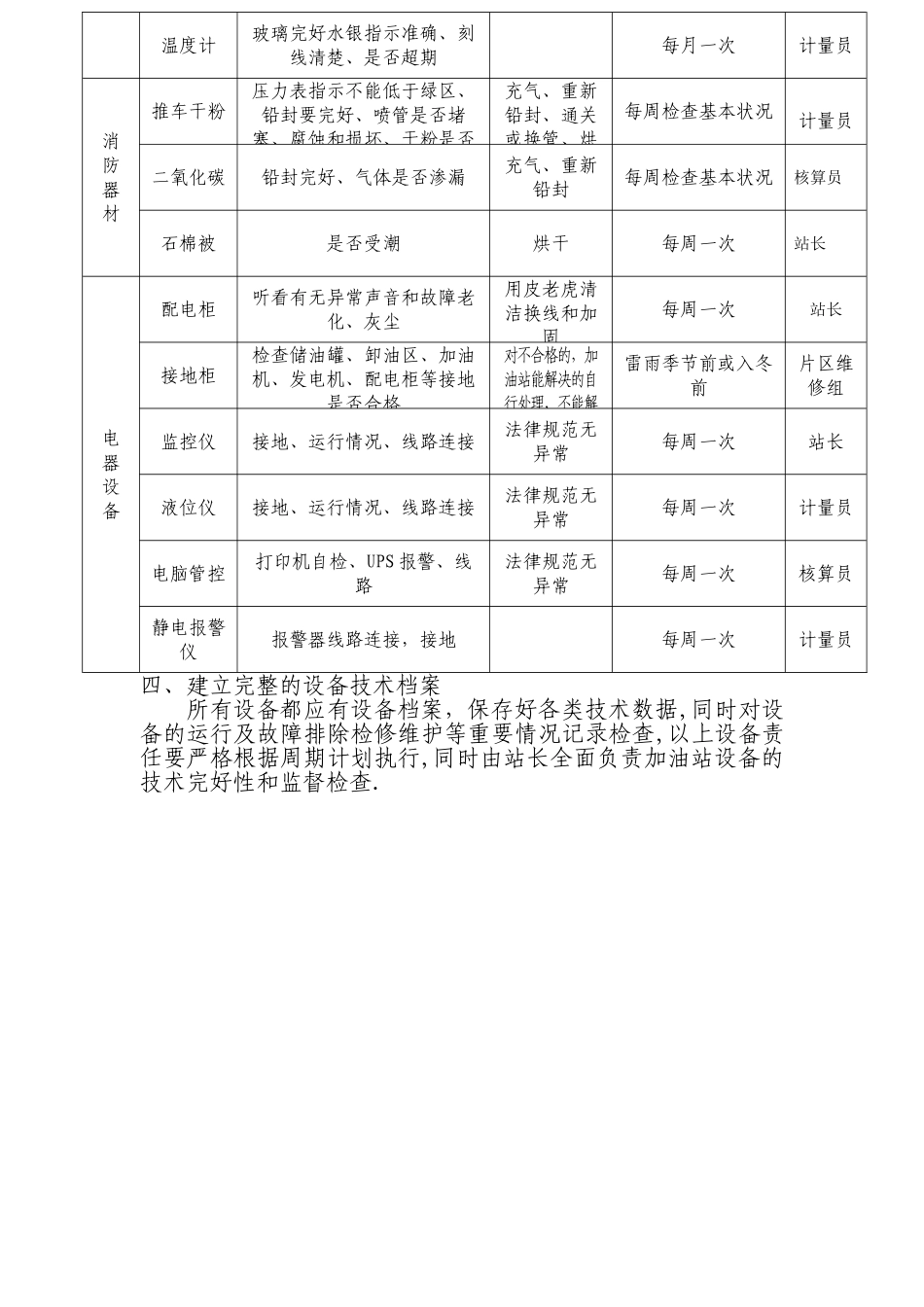
加油站设备周期检修保养计划加油站设备的安全无故障、高效稳定运作是成品油销售的重要环节,而加油站设备众多,需要制定一套科学法律规范的设备维护计划,及时消除安全隐患、机械故障和影响正常营业的不合理因素。所以,制定此计划。一、根据设备功能用途分类如下:1、加油设备(加油机、油罐及附件、发电机等)2、主要计量器具(量油尺、密度计、温度计)3、消防器材(干粉灭火器、二氧化碳、石棉被、)4、电器设备(配电柜、防雷防静电接地、静电接地报警器)二、设备责任人:*********三、设备检修周期及内容表***********加油站设备周期检修保养计划设备名称检查内容维修内容检查周期责任人加油设备加油机通过听、看、嗅、摸检查机油机工作状态清洁、坚固、调整、润滑、防腐每日当班流量员过滤器是否堵塞清洁每月 1 次计量员计量器误错由当地计量部门鉴定讲师是否合格每月自检 1 次和半年计量部门检验公司维修组各部件磨损程度、老化、技术状况维修更换大修 3 年、中修 1.5年、小修 0。5 年计量员油罐及其附件检查油罐防腐层是否失效、罐体腐蚀程度修复、点蚀严复报公司解决每 3—5 年复检 1 次计量员人孔是否渗油、漏气、螺栓是否齐全完整螺栓坚固加油防锈每周一次计量员量油孔盖密封垫是否严密、老化、导尺槽磨损密封垫换新每3 年一次每周一次计量员阻火器防火网或波形散热片是否清洁畅通腐蚀清洗防火网或散热片螺栓加油每季度一次计量员计量器材量油尺检查油尺死折多少、刻线是否清楚均匀、是否超期每月一次计量员密度计铅丸是否松动或玻璃有裂痕每月一次计量员温度计玻璃完好水银指示准确、刻线清楚、是否超期每月一次计量员消防器材推车干粉压力表指示不能低于绿区、铅封要完好、喷管是否堵塞、腐蚀和损坏、干粉是否充气、重新铅封、通关或换管、烘每周检查基本状况计量员二氧化碳铅封完好、气体是否渗漏充气、重新铅封每周检查基本状况核算员石棉被是否受潮烘干每周一次站长电器设备配电柜听看有无异常声音和故障老化、灰尘用皮老虎清洁换线和加固每周一次站长接地柜检查储油罐、卸油区、加油机、发电机、配电柜等接地是否合格对不合格的,加油站能解决的自行处理,不能解雷雨季节前或入冬前片区维修组监控仪接地、运行情况、线路连接法律规范无异常每周一次站长液位仪接地、运行情况、线路连接法律规范无异常每周一次计量员电脑管控打印机自检、UPS 报警、线路法律规范无异常每周一次核算员静电报警仪报警器线路...

1、当您付费下载文档后,您只拥有了使用权限,并不意味着购买了版权,文档只能用于自身使用,不得用于其他商业用途(如 [转卖]进行直接盈利或[编辑后售卖]进行间接盈利)。
2、本站所有内容均由合作方或网友上传,本站不对文档的完整性、权威性及其观点立场正确性做任何保证或承诺!文档内容仅供研究参考,付费前请自行鉴别。
3、如文档内容存在违规,或者侵犯商业秘密、侵犯著作权等,请点击“违规举报”。

碎片内容

加油站设备周期检修保养计划

您可能关注的文档

确认删除?
VIP
微信客服
  • 扫码咨询
会员Q群
  • 会员专属群点击这里加入QQ群
客服邮箱
回到顶部