电脑桌面
添加小米粒文库到电脑桌面
安装后可以在桌面快捷访问

安川2系列电机手册-SGDH-安川2系列电机手册-SGDM-

安川2系列电机手册-SGDH-安川2系列电机手册-SGDM-_第1页
1/501
安川2系列电机手册-SGDH-安川2系列电机手册-SGDM-_第2页
2/501
安川2系列电机手册-SGDH-安川2系列电机手册-SGDM-_第3页
3/501
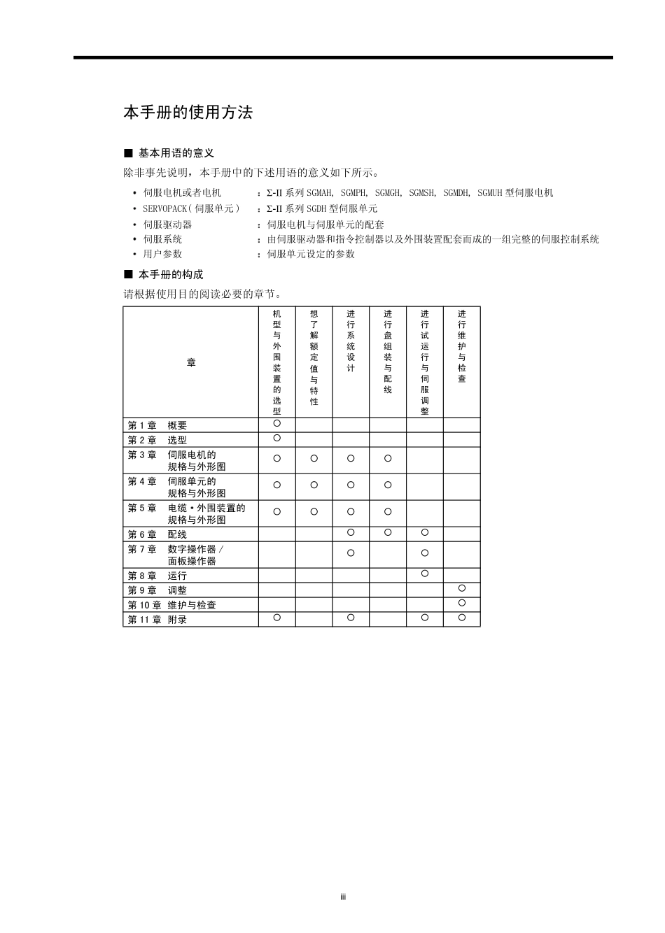
iii本手册的使用方法基本用语的意义除非事先说明本手册中的下述用语的意义如下所示本手册的构成请根据使用目的阅读必要的章节 伺服电机或者电机Σ-II 系列 SGMAH, SGMPH, SGMGH, SGMSH, SGMDH, SGMUH 型伺服电机 SERVOPACK( 伺服单元 )Σ-II 系列 SGDH 型伺服单元 伺服驱动器伺服电机与伺服单元的配套 伺服系统由伺服驱动器和指令控制器以及外围装置配套而成的一组完整的伺服控制系统 用户参数伺服单元设定的参数章机型与外围装置的选型想了解额定值与特性进行系统设计进行盘组装与配线进行试运行与伺服调整进行维护与检查第 1 章概要!第 2 章选型!第 3 章伺服电机的规格与外形图!!!!第 4 章伺服单元的规格与外形图!!!!第 5 章电缆外围装置的规格与外形图!!!!第 6 章配线!!!第 7 章数字操作器 /面板操作器!!第 8 章运行!第 9 章调整!第 10 章 维护与检查!第 11 章 附录!!!! iv图标的说明为使读者了解说明内容的区分本书中设计了如下图标并在必要的地方使用这些图标以助读者理解表示需要熟记的重要事项同时也表示发出警报但还不至于造成装置损坏的注意事项表示补充事项或记住后会便于使用的功能表示具体的实例表示对难于理解的用语进行解释并对事先没有说明而后出现的用语进行说明反信号名的书写在本手册的正文中书写反信号名 (L 电平时有效的信号 ) 通过在信号名前加 / 来表示书写例相关手册相关手册包括下表所示的内容请根据需要进行阅读 S-ON= /S-ON P-CON= /P-CON资料名称资料编号内容Σ-II 系列 SGM"H/SGDM数字操作器使用说明书TO-S800-34详细地说明作为选购设备的 JUSP-OP02A-2 型数字操作器的操作方法Σ-II 系列 SGM"H/SGDMPC 监视用软件用户手册SIZ-S800-35说明将市售 PC 作为 Σ-II 系列伺服用监视装置的软件的使用方法与操作方法Σ-II 系列 全封闭I/F 装置用户手册(JUSP-FC100 型 )SI-C718-5对全封闭控制进行详细说明Σ-II 系列 MECHATROLINKI/F 装置用户手册(JUSP-NS100 型 )SI-C718-4对 MECHATROLINK 通信控制进行详细说明Σ-II 系列 DEVICENETI/F 装置用户手册(JUSP-NS300 型 )SI-C718-6对 DEVICENET 通信控制进行详细说明Σ-II 系列 PROFIBUS-DPI/F 装置用户手册(JUSP-NS500 型 )SI-C718-8对 PROFIBUS-DP 通信控制进行详细说明Σ-II 系列 INDEXER应用模块用户手册(JUSP-NS600 型 )SI-C718-9对通信与接点定位控制进行详细说明Liniear...

1、当您付费下载文档后,您只拥有了使用权限,并不意味着购买了版权,文档只能用于自身使用,不得用于其他商业用途(如 [转卖]进行直接盈利或[编辑后售卖]进行间接盈利)。
2、本站所有内容均由合作方或网友上传,本站不对文档的完整性、权威性及其观点立场正确性做任何保证或承诺!文档内容仅供研究参考,付费前请自行鉴别。
3、如文档内容存在违规,或者侵犯商业秘密、侵犯著作权等,请点击“违规举报”。

碎片内容

安川2系列电机手册-SGDH-安川2系列电机手册-SGDM-

确认删除?
VIP
微信客服
  • 扫码咨询
会员Q群
  • 会员专属群点击这里加入QQ群
客服邮箱
回到顶部