电脑桌面
添加小米粒文库到电脑桌面
安装后可以在桌面快捷访问

海南省建筑边坡及深基坑工程设计方案专家论证申报表

海南省建筑边坡及深基坑工程设计方案专家论证申报表_第1页
1/9
海南省建筑边坡及深基坑工程设计方案专家论证申报表_第2页
2/9
海南省建筑边坡及深基坑工程设计方案专家论证申报表_第3页
3/9
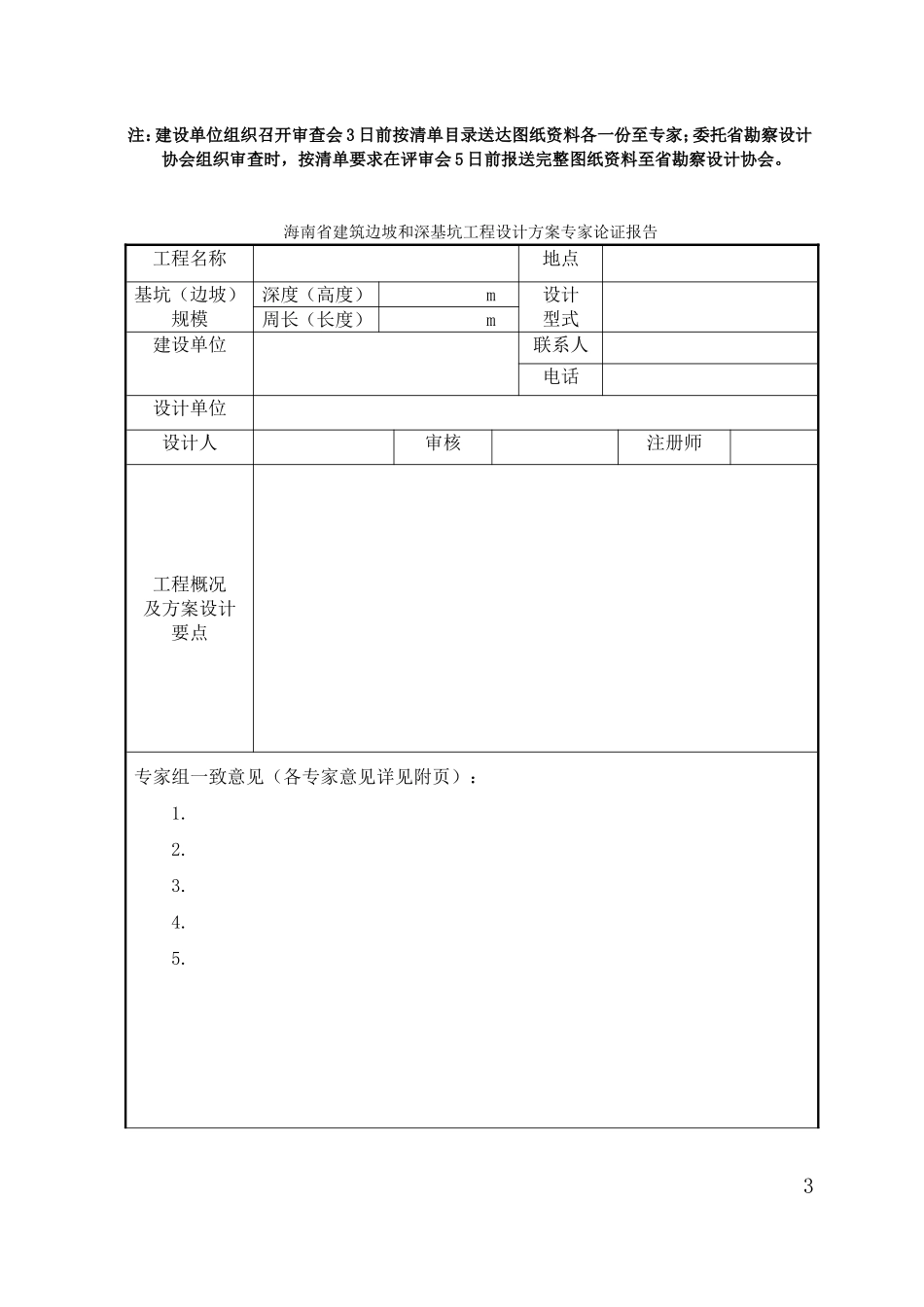
海南省建筑边坡及深基坑工程设计方案专家论证申报表 项目名称工程概况1.建设地点;2.工程规模,投资估算;3.建筑边坡或深基坑主要技术参数,如边坡高度、长度、坡度;深基坑长、宽、深度;支护形式,边坡结构形式等;4.周边建构筑物、地下管线情况;5.地质条件、地下水位情况;6.主体工程及其它需要说明的情况。(篇幅不足可加附页)申请评审内容建设单位建筑主体设计单位边坡或基坑设计单位建设单位项目负责人联系电话边坡及基坑方案设计负责人或注册工程师联系电话申请评审地点申请评审时间申报单位建设单位(盖章): 年 月 日注:填写本表报海南省勘察设计协会抽选专家。1建筑边坡及深基坑工程设计方案论证资料清单 编号:JK-项目名称建设地点建设单位联系人电话设计单位资质等级勘察单位文 件 资 料 明 细序号文件名称数量备注1海南省建筑边坡及深基坑工程设计方案专家论证申报表6原件至少一份2工程地质勘察报告6原件至少一份3工程用地红线图及地形图6原件至少一份4建筑总平面6原件至少一份5周边建构筑物、地下管线图及环境现状照片6周边无建构物及管线者,建设单位需另出书面说明。照片不少于 5 张(5 个不同角度场景)6边坡或基坑支护方案设计图纸及计算书6加盖设计单位出图章及注册工程师章7地下室剖面图6原件至少一份8基础平面图6原件至少一份全部资料提交日期资料签收资料提交人签名签收日期2注:建设单位组织召开审查会 3 日前按清单目录送达图纸资料各一份至专家;委托省勘察设计协会组织审查时,按清单要求在评审会 5 日前报送完整图纸资料至省勘察设计协会。 海南省建筑边坡和深基坑工程设计方案专家论证报告工程名称地点基坑(边坡)规模深度(高度) m设计型式周长(长度) m建设单位联系人电话设计单位设计人审核注册师工程概况及方案设计要点专家组一致意见(各专家意见详见附页):1.2.3.4.5.3论证结论:□通过。 □按专家意见修改完善。□重新编制后重新审查。专家组长(签字): 年 月 日专家会签栏姓名工作单位职称专业电话4建设单位意见:项目负责人签字: 年 月 日设计单位意见:注册师签字:年 月 日海南省建筑边坡和深基坑工程施工方案专家论证申报表项目名称工程概况1.建设地点;2.工程规模,投资估算;3.建筑边坡或深基坑主要技术参数,如边坡高度、长度、坡度;深基坑长、宽、深度;支护形式,边坡结构形式等;4.周边建构筑物、地下管线情况;5.地质条件、地下水位情况;6.主体工程及其它...

1、当您付费下载文档后,您只拥有了使用权限,并不意味着购买了版权,文档只能用于自身使用,不得用于其他商业用途(如 [转卖]进行直接盈利或[编辑后售卖]进行间接盈利)。
2、本站所有内容均由合作方或网友上传,本站不对文档的完整性、权威性及其观点立场正确性做任何保证或承诺!文档内容仅供研究参考,付费前请自行鉴别。
3、如文档内容存在违规,或者侵犯商业秘密、侵犯著作权等,请点击“违规举报”。

碎片内容

海南省建筑边坡及深基坑工程设计方案专家论证申报表

您可能关注的文档

确认删除?
VIP
微信客服
  • 扫码咨询
会员Q群
  • 会员专属群点击这里加入QQ群
客服邮箱
回到顶部