电脑桌面
添加小米粒文库到电脑桌面
安装后可以在桌面快捷访问

企业管理运作流程

企业管理运作流程_第1页
1/6
企业管理运作流程_第2页
2/6
企业管理运作流程_第3页
3/6
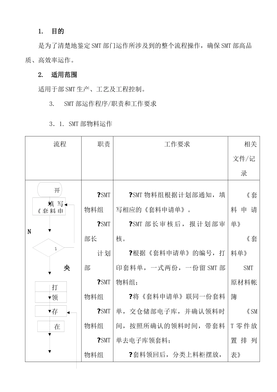
1. 目的是为了清楚地鉴定 SMT 部门运作所涉及到的整个流程操作,确保 SMT 部高品质、高效率运作。2. 适用范围适用于部 SMT 生产、工艺及工程控制。3.SMT 部运作程序/职责和工作要求3.1. SMT 部物料运作流程职责工作要求相关文件/记录 N 央 ?SMT物料组?SMT部长计划部?SMT物料组?SMT物料组?SMT物料组?SMT 物料组根据计划部通知,填写相应的《套料申请单》。?SMT 部长审核后,报计划部审核。?根据《套料申请单》的编号,打印套料单,一式两份,一份留 SMT 部物料组;?将《套料申请单》联同一份套料单,交仓储部电子库,并确认领料时间,按照所确认的领料时间,带套料单去电子库领套料;?套料领回后,分类上料柜摆放,《套料 申 请单》《套料单》SMT原材料帐簿《SMT 零件放置 排 列表》填 写《套料申审开打印 套 料领取套料存放物料在线使用? 操作员并上好管理卡,以备用,物料组要根据各类物料的领料情况作好《SMT 原材料帐簿》以备查数;?各生产线领用时,需签字认可所领用的数量。——各生产线在完成工单后,要向物料组报告物料损耗情况。流程职责工作要求相关文件/记录N 央 央 N N 央?IPQC操作员? 技术人员操作员? 操作 员 SMT物料组?SMT物料组? 计划部?SMT物料组 ?根据《SMT 零件放置排列表》核对在线物料。?记录《MVIIF 每日生产效率及组件抛料记录表》,跟进抛料情况。?将好料存仓,分类保管。?物料报废,将由各生产线写好字据,并由当班负责人签字后交由物料组处理,物料组收到报废物料及单据后,要整理分类,再填写退料单,?经计划部审核后交回仓储部电子库?在报废料交回仓储部电子库的同时,要开《零星领料单》领回同样数量的同种物料。 《MVIIF 每 日生产效率及组件抛料 记 录表》《退料单》《零星 领 料单》3.2. SMT 部生产管理流程职责工作要求相关检贴 片 生 产退报废料及补损审电子库补料检文件/记录?生产课长?操作员?技术人员操 作员?操作员 ?SMT 生产安排以生产计划部下达的《周计划》为参考,以生产计划部下达的《日生产指令书》为依据,具体安排各线的生产;?各生产线在明确自己的生产安排后,要及时向物料组领取相应的物料及生产辅料,并通知相关技术人员,调试所在生产线的各种机器设备; ?调试所在生产线的各种机器设备;?生产线领班需在上料员排好料后,要按照《SMT 零件放置排列表》核对一次;——核对一次无误后,通知技术人员可开始生产首件,所生产的首件要及...

1、当您付费下载文档后,您只拥有了使用权限,并不意味着购买了版权,文档只能用于自身使用,不得用于其他商业用途(如 [转卖]进行直接盈利或[编辑后售卖]进行间接盈利)。
2、本站所有内容均由合作方或网友上传,本站不对文档的完整性、权威性及其观点立场正确性做任何保证或承诺!文档内容仅供研究参考,付费前请自行鉴别。
3、如文档内容存在违规,或者侵犯商业秘密、侵犯著作权等,请点击“违规举报”。

碎片内容

企业管理运作流程

您可能关注的文档

确认删除?
VIP
微信客服
  • 扫码咨询
会员Q群
  • 会员专属群点击这里加入QQ群
客服邮箱
回到顶部