电脑桌面
添加小米粒文库到电脑桌面
安装后可以在桌面快捷访问

企业风险管理清单

企业风险管理清单_第1页
1/18
企业风险管理清单_第2页
2/18
企业风险管理清单_第3页
3/18
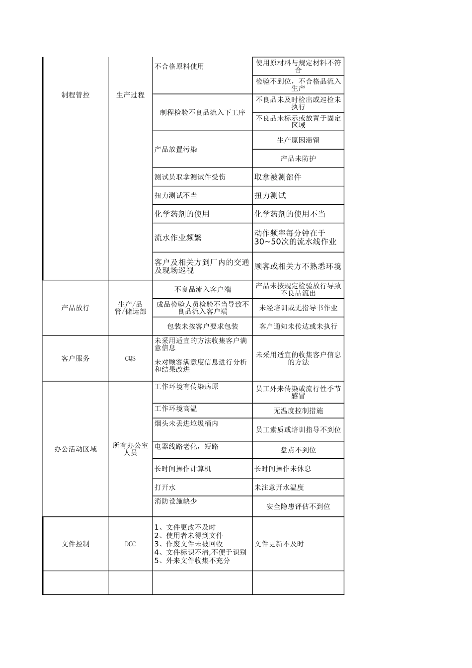
责任区域 风险描述产生原因产品实现过程文字描述说明文字描述说明体系策划过程管理层质量方针没有得到宣传和沟通未能使管理方针实施沟通管理目标不适宜风险应对措施不适当法律法规国家标准国家规范更新传达不及时环境标准国家规范更新传达不及时人员要求员工招聘童工或未成年人进入公司员工素养员工素养达不到公司需求培训未达成接受订单客户的订单变更产品设计人为因素试产过程工程变更信息沟通失效2021年XXXXX公司风险管理计划风险管理计划范围内容文字描述说明管理目标不适宜管理目标的没有统计及分析管理目标没有实施计划和方案风险识别不充分风险控制能力不足风险应对措施不适当职责不明确、责任不清职责不清对相关国家、行业标准,法律法规了解不当导致产品不符合要求对国家及行业环境标准法规了解不够导致产品不符合要求未严格按照招聘流程及招聘要求录用相关人员订单/合同审查客户的订单变更订单评审信息不全,导致对订单信息的误解设计过程策划职责不明确、责任不清样机制作过程不能满足客户/设定要求不能满足客户和法律、法规要求或设计性能要求使用的工(夹)具不适宜工艺实现过程不合理试产过程没有按照策划的要求实施设备不能满足加工要求人员能力不足试产过程没有按照策划的要求实施工程变更信息没有及时做内部沟通采购管理对供应商的控制能力生产准备阶段生产计划客户订单发生变化生产准备物料供应不及时来料检验IQC未经培训或无指导书作业进料检验仪器失效进料检验仪器操作不当人员培训或指导不到位进料检验锡烫伤未经培训或无指导书作业进料检验后标签张贴不清晰检验员对物料标示认识不清物料存储仓储仓库材料过期呆滞仓储条件不当物资搬运、装卸方法不当操作不当物资堆放不当物体堆放高度过高叉车载人操作不当叉车运载途中损害叉车未点检仓库电器线路老化,短路盘点不到位制程管控生产过程设备失效影响产品质量设施设备维护不良设备故障运行设备仪器操作不当人员培训或指导不到位使用测试仪器测试仪器使用不当检测设备失效引起产品误判仪器维护校正不到位工艺执行错误人员操作失误不合格原料使用使用原料超过保质期采购及供应商管理过程供应商打样货品质量和批量生产货品质量不一致,供应商的质量和交期不稳定供应商的质量和交期不能满足要求没有按照质量、时间提供货品因人员、设备、物料等原因无法实施生产计划客户订单变化导致生产计划调整生产准备信息不全面,导致不能实施生产计划。人员操作不当造成不良物料入库设备故障...

1、当您付费下载文档后,您只拥有了使用权限,并不意味着购买了版权,文档只能用于自身使用,不得用于其他商业用途(如 [转卖]进行直接盈利或[编辑后售卖]进行间接盈利)。
2、本站所有内容均由合作方或网友上传,本站不对文档的完整性、权威性及其观点立场正确性做任何保证或承诺!文档内容仅供研究参考,付费前请自行鉴别。
3、如文档内容存在违规,或者侵犯商业秘密、侵犯著作权等,请点击“违规举报”。

碎片内容

企业风险管理清单

确认删除?
VIP
微信客服
  • 扫码咨询
会员Q群
  • 会员专属群点击这里加入QQ群
客服邮箱
回到顶部