电脑桌面
添加小米粒文库到电脑桌面
安装后可以在桌面快捷访问

钢结构检测合同样本VIP免费

钢结构检测合同样本_第1页
1/6
钢结构检测合同样本_第2页
2/6
钢结构检测合同样本_第3页
3/6
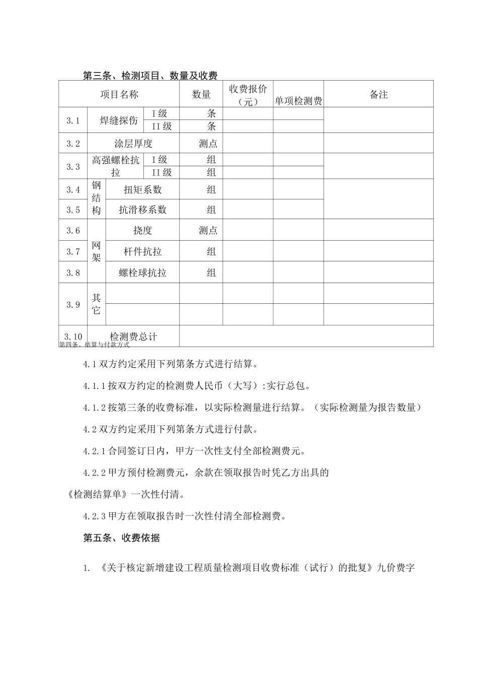
合同编号:钢结构专项检测合同工程名称:委托单位:检测单位:委托单位(甲方):检测单位(乙方):根据《中华人民共和国合同法》及国家有关法律、法规,结合本工程具体情况,为明确责任、协作配合,确保检测质量,经双方协商一致签订本合同,共同遵守。第一条、工程概况1.1工程名称工程地点1.2建设单位1.3施工单位1.4设计单位1.5监理单位1.6监督单位1.7结构形式建筑面积1.8检测联系人甲方联系电话乙方联系电话第二条、检测依据2.1口《钢结构工程施工质量验收规范》GB50205-20012.2口《钢结构超声波探伤及质量分级法》JGT203-20072.3口《建筑钢结构焊接技术规程》JGJ81-20022.4口《钢焊缝手工超声波探伤方法和探伤结果分级》GB11345-892.5口《紧固件螺栓、螺柱》GB/T3098.12.6口《钢结构高强度大六角螺栓大六角热圆技术条件》GB/T12312.7口《钢网架螺栓节点》JG102.4口其它:第三条、检测项目、数量及收费项目名称数量收费报价(元)单项检测费备注3.1焊缝探伤I级条II级条3.2涂层厚度测点3.3高强螺栓抗拉I级组II级组3.4钢结构扭矩系数组3.5抗滑移系数组3.6网架挠度测点3.7杆件抗拉组3.8螺栓球抗拉组3.9其它3.10检测费总计第四条、结算与付款方式4.1双方约定采用下列第条方式进行结算。4.1.1按双方约定的检测费人民币(大写):实行总包。4.1.2按第三条的收费标准,以实际检测量进行结算。(实际检测量为报告数量)4.2双方约定采用下列第条方式进行付款。4.2.1合同签订日内,甲方一次性支付全部检测费元。4.2.2甲方预付检测费元,余款在领取报告时凭乙方出具的《检测结算单》一次性付清。4.2.3甲方在领取报告时一次性付清全部检测费。第五条、收费依据1.《关于核定新增建设工程质量检测项目收费标准(试行)的批复》九价费字(2005)38号;2.《关于核定新增建筑节能等建设工程质量检测项目收费标准(试行)的批复》九价费字】2007]24号;3.《关于核定新增建筑节能等建设工程质量检测项目收费标准(试行)的批复》九价费字】2012]14号;4.暂无国家收费标准的项目由甲、乙方商议确定。第六条、双方义务、权利6.1甲方义务6.1.1向乙方提供与检测相关的设计图纸及相关技术资料;6.1.2根据乙方要求做好现场准备工作;6.1.3协调建设单位、监理单位、施工单位共同做好现场检测的见证工作;6.1.4根据合同约定按时支付检测费用。6.2甲方权利5.2.1对测试数据有知情权;6.2.2从乙方获取相关检测咨询服务。6.3乙方义务6.3.1根据甲方需要提供检测资质证明文件;6.3.2进入工地现场后天内完成现场检测工作。遇特殊情况应及时与甲方沟通。6.3.3现场检测全部结束后天内出具正式报告。6.3.4遵守甲方工地文明施工有关规定,安全操作。6.4乙方权利6.4.1甲方未按合同约定交纳检测费有停止检测及提交检测报告的权利。6.4.2根据《建设工程质量检测管理办法》的规定将检测不合格结果报建设行政主管部门。第七条、样品处置7.1乙方对检测合格的或破坏性样品原则上不予保留,不合格样品保留十五天,甲方如有其它要求,请在“委托协议书”中说明。7.2甲方对贵重的或要求回收的样品应在“委托协议书”中注明,并于送检的十五天内办理领取回收手续,逾期由乙方自行处理。第八条、检测结论异议的处理8.1甲方对检测结果持有异议,应及时与乙方协商,也可经双方共同认可的检测机构复检。8.2复检结果与原结果相同时,由甲方支付检测费用,反之由乙方承担复检费用。8.3若甲乙双方对复检结果仍有异议,应向当地建设主管部门申请解决。第九条、说明9.1正式进场时间由检测联系人电话确认,届时甲方务必完成现场的准备工作,否则延误检测的责任由甲方自负。9.2对检测的服务与质量有议异可向乙方申诉(申诉电话:)。第十条、未尽事宜,双方友好协商解决。第十一条、本合同一式—份,甲乙双方各—份,双方签字盖章后生效。第十二条、补充条款:乙方代表:联系电话:开户行:帐号:单位盖章:签订日期:甲方代表:联系电话:单位盖章:签订日期:

1、当您付费下载文档后,您只拥有了使用权限,并不意味着购买了版权,文档只能用于自身使用,不得用于其他商业用途(如 [转卖]进行直接盈利或[编辑后售卖]进行间接盈利)。
2、本站所有内容均由合作方或网友上传,本站不对文档的完整性、权威性及其观点立场正确性做任何保证或承诺!文档内容仅供研究参考,付费前请自行鉴别。
3、如文档内容存在违规,或者侵犯商业秘密、侵犯著作权等,请点击“违规举报”。

碎片内容

钢结构检测合同样本

确认删除?
VIP
微信客服
  • 扫码咨询
会员Q群
  • 会员专属群点击这里加入QQ群
客服邮箱
回到顶部