电脑桌面
添加小米粒文库到电脑桌面
安装后可以在桌面快捷访问

五、岳阳施工组织设计VIP免费

五、岳阳施工组织设计_第1页
1/47
五、岳阳施工组织设计_第2页
2/47
五、岳阳施工组织设计_第3页
3/47
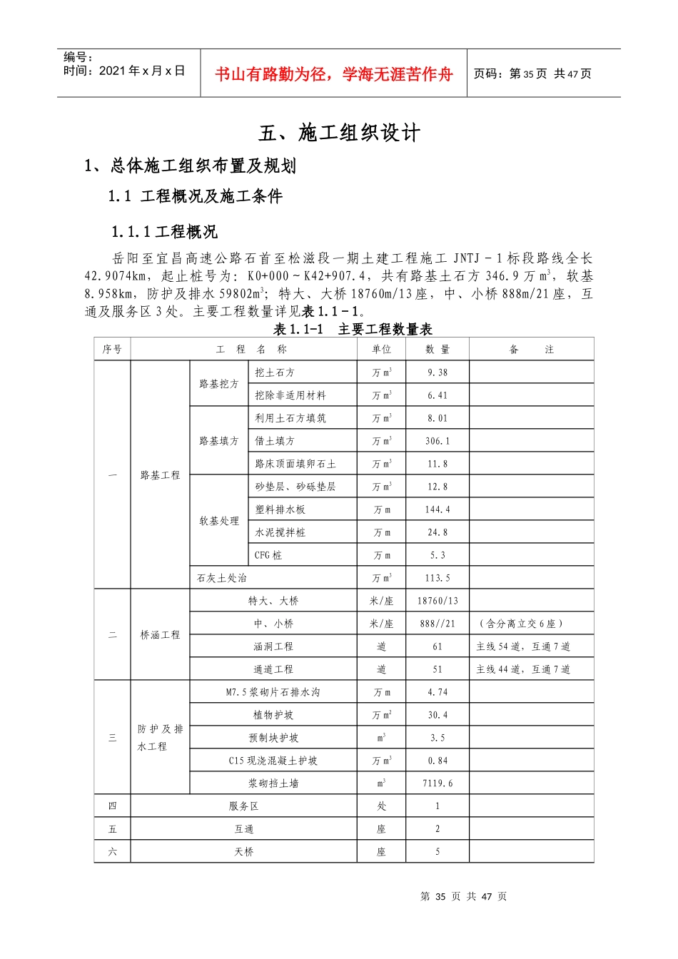
第35页共47页编号:时间:2021年x月x日书山有路勤为径,学海无涯苦作舟页码:第35页共47页五、施工组织设计1、总体施工组织布置及规划1.1工程概况及施工条件1.1.1工程概况岳阳至宜昌高速公路石首至松滋段一期土建工程施工JNTJ-1标段路线全长42.9074km,起止桩号为:K0+000~K42+907.4,共有路基土石方346.9万m3,软基8.958km,防护及排水59802m3;特大、大桥18760m/13座,中、小桥888m/21座,互通及服务区3处。主要工程数量详见表1.1-1。表1.1-1主要工程数量表序号工程名称单位数量备注一路基工程路基挖方挖土石方万m39.38挖除非适用材料万m36.41路基填方利用土石方填筑万m38.01借土填方万m3306.1路床顶面填卵石土万m311.8软基处理砂垫层、砂砾垫层万m312.8塑料排水板万m144.4水泥搅拌桩万m24.8CFG桩万m5.3石灰土处治万m3113.5二桥涵工程特大、大桥米/座18760/13中、小桥米/座888//21(含分离立交6座)涵洞工程道61主线54道,互通7道通道工程道51主线44道,互通7道三防护及排水工程M7.5浆砌片石排水沟万m4.74植物护坡万m230.4预制块护坡m33.5C15现浇混凝土护坡万m30.84浆砌挡土墙m37119.6四服务区处1五互通座2六天桥座5第36页共47页第35页共47页编号:时间:2021年x月x日书山有路勤为径,学海无涯苦作舟页码:第36页共47页1.1.2施工条件交通条件:与本项目交叉或相近的主要道路有S220、S221、X035、X034、X036、X027、X058等。路线依次经过的河流有:藕池河、安乡河、瓦池河和虎渡河。以上既有公路及水运可作为施工机械、材料进场的主干道。根据现场实际情况,需修建部分横向进场便道及至取土场便道。水电条件:沿线地表水资源较为丰富,水质较良,对砼无侵蚀性,可直接作为工程用水,但需与权属单位联系。沿线电力充足,工程用电可从附近电网中取得,必要时需考虑自行发电。材料情况:钢材、水泥等主要材料以公开招标方式确定供应商。其他如片、块(条)石,砂砾(卵)石、砂(灰)岩碎石等工程建设所需的筑路材料比较丰富,沿线均有产出,质量和数量都可满足设计要求。1.1.3工程特点及施工技术对策详见表1.1-2。表1.1-2工程特点、重难点及施工技术对策表序号工程特点、重难点施工技术对策1路基工程特点:本标段路线较长,沿线软土分布广泛,工程地质条件较差,对路基填方稳定性及沉降有较大影响;路基借土填方工程量大,软土路基及过湿土填料路基较多,确保软基质量及工期是本标段的重难点。1、对于浅层软土,一般采用堆载预压方案,以淤泥为主段,采取挖除软土换填方案。2、深层软土,当排水性较好,压缩性较低,采用砂垫层+土工格栅+等载预压处理,反之,采用塑料排水板+砂垫层+等载预压的处理方案。3、路基土石方施工分段并行作业,配备成套的大型土石方施工机械,形成挖、运、填、压流水作业,确保施工一段,成型一段。4、涵洞、通道及桥头相邻路段采用水泥搅拌桩+等载预压、CFG桩+等载预压等复合地基处理。5、对于过湿土填料路基,采用掺生石灰粉法结合翻耕晾晒法进行处理。6、对于每段软基,安排专业化施工队伍进行施工,施工前编制合理可行并满足工程进度要求的施工组织设计方案,对施工中的施工方法、施工工艺流程、劳动力组织和安全质量管理制订出相应的设计书。表1.1-2工程特点、重难点及施工技术对策表(续表)序号工程特点、重难点施工技术对策第37页共47页第36页共47页编号:时间:2021年x月x日书山有路勤为径,学海无涯苦作舟页码:第37页共47页2本标段桥梁工程量大(特大、大桥18760m/13座,中、小桥888m/21座,互通及服务区3处),跨河、跨路结构物多。桥梁上部结构主要有现浇预应力连续箱梁、16m、20m预制空心板及25m、30、40m预制箱梁,现浇箱梁存在弯桥和坡桥,控制现浇梁施工质量是本标段的施工关键点之一。桥梁工程中箱梁预制安装工程量也较大,,预制场地受限制,设备投入多。1、设5座梁板集中预制场,快速安排路基的施工,为桥梁运输架设提供运输通道;2、合理安排梁体预制、架设及桥面连续等工序时间,确保各工序衔接紧凑,流水作业,减少存梁场的压力。3、组织精干的专业队伍上场,配置足够的施工人员和机械,确保质量和工期;4、做好材料、技...

1、当您付费下载文档后,您只拥有了使用权限,并不意味着购买了版权,文档只能用于自身使用,不得用于其他商业用途(如 [转卖]进行直接盈利或[编辑后售卖]进行间接盈利)。
2、本站所有内容均由合作方或网友上传,本站不对文档的完整性、权威性及其观点立场正确性做任何保证或承诺!文档内容仅供研究参考,付费前请自行鉴别。
3、如文档内容存在违规,或者侵犯商业秘密、侵犯著作权等,请点击“违规举报”。

碎片内容

五、岳阳施工组织设计

您可能关注的文档

确认删除?
VIP
微信客服
  • 扫码咨询
会员Q群
  • 会员专属群点击这里加入QQ群
客服邮箱
回到顶部