电脑桌面
添加小米粒文库到电脑桌面
安装后可以在桌面快捷访问

临时用电施工组织设计方案VIP免费

临时用电施工组织设计方案_第1页
1/12
临时用电施工组织设计方案_第2页
2/12
临时用电施工组织设计方案_第3页
3/12
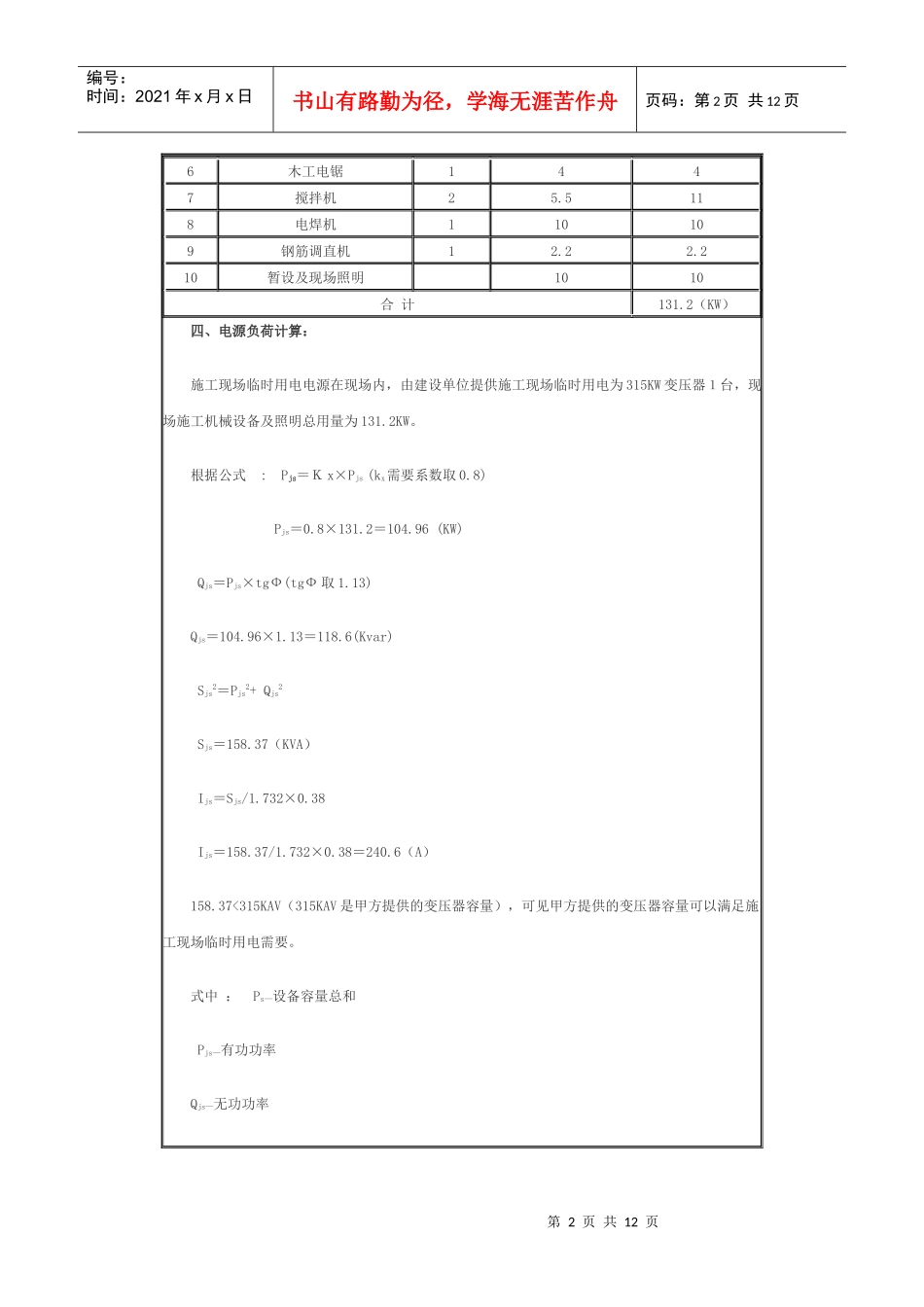
第1页共12页编号:时间:2021年x月x日书山有路勤为径,学海无涯苦作舟页码:第1页共12页施工现场临时用电施工组织设计摘要:施工现场临时用电电源在现场内,由建设单位提供施工现场临时用电为315KW变压器1台,现场施工机械设备及照明总用量为131.2KW。关键字:施工现场临时用电施工组织一、编制依据1、《施工现场临时用电安全技术规范》2、《建筑安全施工安全检查标准》3、《建筑电器安装图集》4、北树小区3#楼工程图纸和施工现场平面布置图5、北树小区3#楼工程施工组织设计二、工程概况本工程位于某市道外区三棵头道街以北,三机街以西,本工程建筑性质为商服住宅,小区设计等级为二级,建筑面积为3189平方米,楼体整体形式呈长方形,建筑层数为地上六层带阁楼层,建筑物坡屋面檐口高度为18.65米。一层为商服,二层至阁楼层为住宅。三、主要施工机械设备和现场照明用电基本情况列表序号设备名称数量每台容量(KW)共计(千瓦)1塔吊126.626.62钢筋切断机12.22.23打桩机160604钢筋弯曲机1335插入式振捣器21.12.2第2页共12页第1页共12页编号:时间:2021年x月x日书山有路勤为径,学海无涯苦作舟页码:第2页共12页6木工电锯1447搅拌机25.5118电焊机110109钢筋调直机12.22.210暂设及现场照明1010合计131.2(KW)四、电源负荷计算:施工现场临时用电电源在现场内,由建设单位提供施工现场临时用电为315KW变压器1台,现场施工机械设备及照明总用量为131.2KW。根据公式:Pjs=Kx×Pjs(kx需要系数取0.8)Pjs=0.8×131.2=104.96(KW)Qjs=Pjs×tgФ(tgФ取1.13)Qjs=104.96×1.13=118.6(Kvar)Sjs2=Pjs2+Qjs2Sjs=158.37(KVA)Ijs=Sjs/1.732×0.38Ijs=158.37/1.732×0.38=240.6(A)158.37<315KAV(315KAV是甲方提供的变压器容量),可见甲方提供的变压器容量可以满足施工现场临时用电需要。式中:Ps—设备容量总和Pjs—有功功率Qjs—无功功率第3页共12页第2页共12页编号:时间:2021年x月x日书山有路勤为径,学海无涯苦作舟页码:第3页共12页Sjs—视在功率Ijs—计算电流五、确定导线截面和电器类型、规格1、施工用的机械设备的导线选择,主要是从用电设备的容量和导线的机械强度两方面考虑,由电流计算的导线引至现场临时用电总箱的电缆宜选为Yc3×25+1×16mm2。电缆直埋于室外自然地面-0.8米以下深处,由总配电箱引至分配电箱用电导线截面为Yc500V3×4+1×2.5mm2,由分配电箱引至开关箱的导线截面分别为:至塔吊为:Yc500V3×4+1×2.5mm2至打桩机为:Yc500V3×4+1×2.5mm2至调直机为:Yc500V3×4+1×2.5mm2至电焊机为:Yc500V3×4+1×2.5mm2至搅拌机为:Yc500V3×4+1×2.5mm2至弯曲机为:Yc500V3×4+1×2.5mm2至切断机为:Yc500V3×4+1×2.5mm2至电锯为:Yc500V3×4+1×2.5mm2至振捣器为:Yc500V3×4+1×2.5mm2至暂设及现场照明为:Yc500V3×4+1×2.5mm2依据电流计算值选现场总配电箱的总漏电保护开关,其整定电流值为100A,保护脱扣为过流和漏电复式脱扣,漏电保护为30mA/0.1s脱扣值,塔吊和打桩机不能用漏电开关控制,只能用空气开关控制。第4页共12页第3页共12页编号:时间:2021年x月x日书山有路勤为径,学海无涯苦作舟页码:第4页共12页选择:塔吊的空气保护开关的整定电流值为90A切断机的漏电保护开关的整定电流值为30A电锯的漏电保护开关的整定电流值为30A搅拌机的漏电保护开关的整定电流值为30A振捣器的漏电保护开关的整定电流值为30A调直机的漏电保护开关的整定电流值为30A打桩机的空气保护开关的整定电流值为90A电焊机的漏电保护开关的整定电流值为30A弯曲机的漏电保护开关的整定电流值为30A暂设及现场照明的漏电保护开关的整定电流值为30A六、配电系统布置和安装1、系统形式选择本工程采用315KW变压器直接供电。根据施工平面图中各用电设备的位置、数量及现场情况,拟采用放射式与树干式混合的配电系统方式,由分配电箱到用电设备均采用放射式,设备相互之间无干扰。(具体布置见平面图)2、线路敷设配电干线除由总配电箱引出的场区照明支路和移动配电箱外,均采用五芯橡皮绝缘线缆敷设。移动配电箱和各支路均采用500伏VV橡皮绝缘电缆线。3、电气装置选择(1)总配...

1、当您付费下载文档后,您只拥有了使用权限,并不意味着购买了版权,文档只能用于自身使用,不得用于其他商业用途(如 [转卖]进行直接盈利或[编辑后售卖]进行间接盈利)。
2、本站所有内容均由合作方或网友上传,本站不对文档的完整性、权威性及其观点立场正确性做任何保证或承诺!文档内容仅供研究参考,付费前请自行鉴别。
3、如文档内容存在违规,或者侵犯商业秘密、侵犯著作权等,请点击“违规举报”。

碎片内容

临时用电施工组织设计方案

中小学文库+ 关注
实名认证
内容提供者

精品资料应用尽有

确认删除?
VIP
微信客服
  • 扫码咨询
会员Q群
  • 会员专属群点击这里加入QQ群
客服邮箱
回到顶部