电脑桌面
添加小米粒文库到电脑桌面
安装后可以在桌面快捷访问

五项食用植物油产品国家标准《棉籽油》、《葵花籽油》、《油茶VIP免费

五项食用植物油产品国家标准《棉籽油》、《葵花籽油》、《油茶_第1页
1/6
五项食用植物油产品国家标准《棉籽油》、《葵花籽油》、《油茶_第2页
2/6
五项食用植物油产品国家标准《棉籽油》、《葵花籽油》、《油茶_第3页
3/6
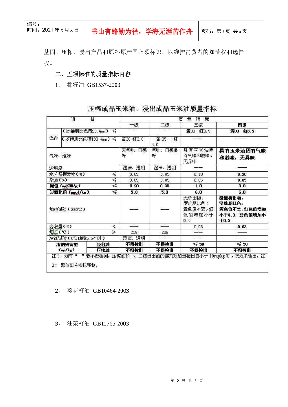
第1页共6页编号:时间:2021年x月x日书山有路勤为径,学海无涯苦作舟页码:第1页共6页五项食用植物油产品国家标准《棉籽油》、《葵花籽油》、《油茶籽油》、《玉米油》、《米糠油》等五项食用植物油产品国家标准,于2003年5月14日经国家质量监督检验检疫总局批准,以中华人民共和国国家标准批准发布公告(2003年第6号)发布,自2003年10月1日开始实施。一、五项标准修订的主要内容1、规范名词术语根据《化工标准名词术语》的规定,对专业名词术语进行了规范,将文本中的名词术语逐一进行确切的阐述,统一定义和表述。2、明确强制条文该五项标准均为条文强制性标准,强制的主要内容有以下几点:(1)限定了食用油中的酸值、过氧化值、溶剂残留量等指标酸值、过氧化值、溶剂残留量这三个指标,既是加工过程中的质量控制指标,又是产品的卫生安全限制指标。它们的高低不但反映了加工工艺控制、产品品质的状况,而且也反映了油脂的分解程度和氧化、劣变情况。(2)限定了食用油质量的基础等级指标对最低等级压榨成品油和最低等级浸出成品油的各项指标做出了明确的限定,以保护广大消费者的健康。(3)增加了原料和加工工艺标识的条款。为维护消费者的知情权和选择权,要求在产品标签中对加工工艺按“压榨法”、“浸出法”进行明确标识。根据国家《农业转基因生物安全条例》,要求在产品标签中对是否使用转基因原料和原料产地进行明确标识。3、重新划分产品分类和等级将油脂产品分为原油和成品油。原油即指未经精炼等工艺处理的油脂(又称毛油),不能直接用于食用,只能作为加工成品油的原料。成品油则是指经过精炼加工达到了食用标准的油脂产品。成品油分一级、二级、三级、四级四个质量等级,分别相当于原来的色拉油、高级烹调油、一级油、二级油。4、对部分质量指标进行了调整油脂的质量要求包括4个方面:特征指标、质量指标、卫生指标和其第2页共6页第1页共6页编号:时间:2021年x月x日书山有路勤为径,学海无涯苦作舟页码:第2页共6页它。1)特征指标:新增加了特征指标。特征指标中的项目和指标值的设定,等同采用国际食品法典委员会(CAC)标准,这样既有利于与国际标准接轨,也可为植物油掺伪检测提供参考。2)质量指标:增加了“过氧化值”和“溶剂残留量”两项指标。这两项指标既是卫生指标又是质量控制指标,也是衡量油脂加工工艺及设备的重要参数,可以更加全面地反映油脂产品的质量。原油质量指标中共设6个项目,包括:气味、滋味,水分及挥发物,不溶性杂质,酸值,过氧化值,溶剂残留量等。成品油质量指标中共设12个项目,包括:色泽,气味、滋味,透明度,水分及挥发物,不溶性杂质,酸值,过氧化值,加热试验,含皂量,烟点,冷冻试验和溶剂残留量等。其中,一级成品油标准的质量指标与原色拉油标准相比,增加了溶剂残留量项目,规定“不得检出”;“水分及挥发物”由≤0.10%改为≤0.05%;“酸值”由≤0.30mgKOH/g改为≤0.20mgKOH/g;“烟点”由≥220℃改为≥215℃。二级成品油标准的质量指标与原高级烹调油标准相比,增加了溶剂残留量项目,规定“不得检出”,同时规定检出量小于10mg/kg时,因现行方法无法判定,视为未检出;“水分及挥发物”由≤0.10%改为≤0.05%;“酸值”由≤0.5mgKOH/g改为≤0.30mgKOH/g;“烟点”由≥215℃改为≥205℃。三级成品油和四级成品油标准的质量指标与原一级油和原二级油标准的质量指标也都做了不同程度的调整。3)卫生指标:执行GB2716《食用植物油卫生标准》和GB2760《食品添加剂使用卫生标准》。4)其它:注明不得混有其它食用油或非食用油外,也不得添加任何香精和香料。5、标签本标准强调了标签的重要性,除应遵循GB7718的规定外,特别规定了转第3页共6页第2页共6页编号:时间:2021年x月x日书山有路勤为径,学海无涯苦作舟页码:第3页共6页基因、压榨、浸出产品和原料原产国必须标识,以维护消费者的知情权和选择权。二、五项标准的质量指标内容1、棉籽油GB1537-20032、葵花籽油GB10464-20033、油茶籽油GB11765-2003第4页共6页第3页共6页编号:时间:2021年x月x日书山有路勤为径,学海无涯苦作舟页码:第4页共6页第5页共6页第4页共6页...

1、当您付费下载文档后,您只拥有了使用权限,并不意味着购买了版权,文档只能用于自身使用,不得用于其他商业用途(如 [转卖]进行直接盈利或[编辑后售卖]进行间接盈利)。
2、本站所有内容均由合作方或网友上传,本站不对文档的完整性、权威性及其观点立场正确性做任何保证或承诺!文档内容仅供研究参考,付费前请自行鉴别。
3、如文档内容存在违规,或者侵犯商业秘密、侵犯著作权等,请点击“违规举报”。

碎片内容

五项食用植物油产品国家标准《棉籽油》、《葵花籽油》、《油茶

确认删除?
VIP
微信客服
  • 扫码咨询
会员Q群
  • 会员专属群点击这里加入QQ群
客服邮箱
回到顶部