电脑桌面
添加小米粒文库到电脑桌面
安装后可以在桌面快捷访问

【企业案例】企业内训纲要VIP免费

【企业案例】企业内训纲要_第1页
1/54
【企业案例】企业内训纲要_第2页
2/54
【企业案例】企业内训纲要_第3页
3/54
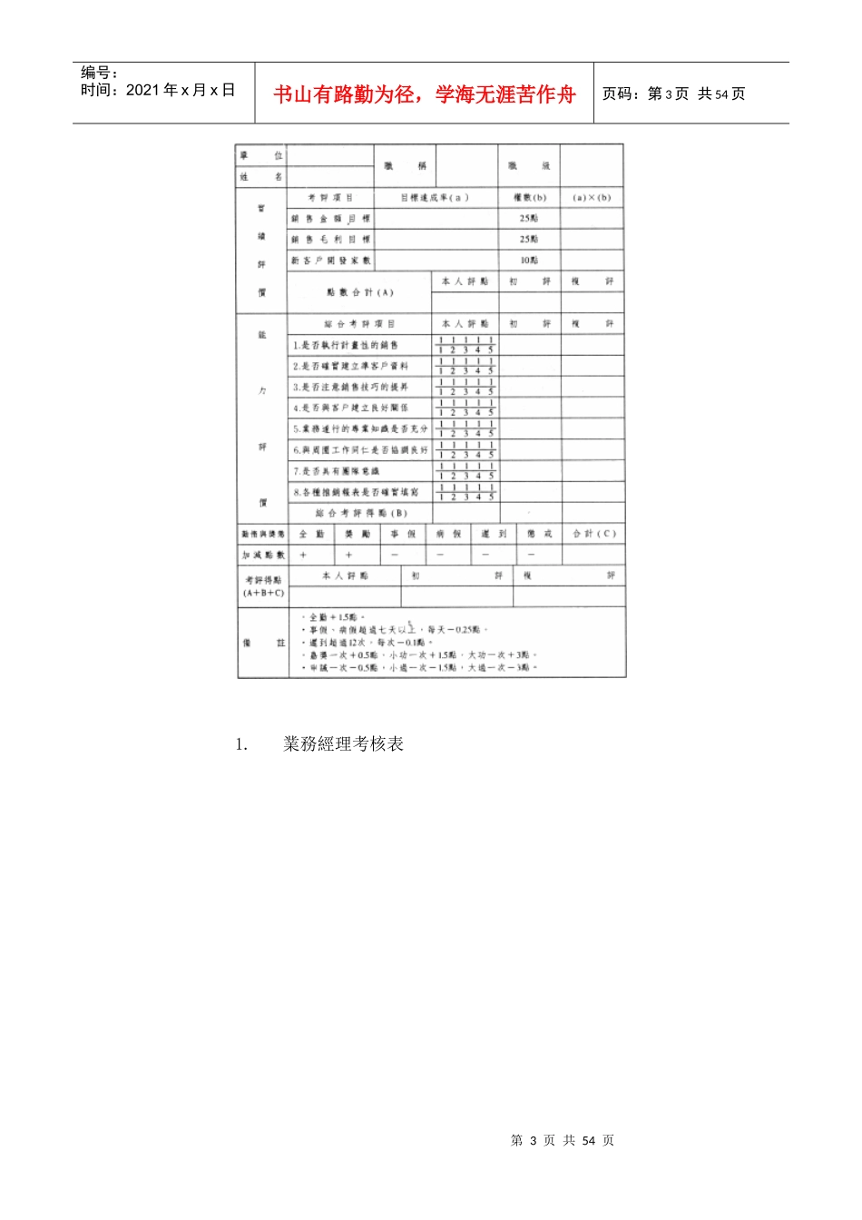
第1页共54页编号:时间:2021年x月x日书山有路勤为径,学海无涯苦作舟页码:第1页共54页企業內訓纲要業務經理專業Know-HowPlus業務管理規程第一條(目的)本辦法針對業務人員的業績及能力,做定期的考核,做為業務人員昇遷、調薪、工作調整及教育訓練的評定基準,以提昇業務人員的工作意願及能力,促進公司經營效率的提昇。第二條(期間)考績每年一月、七月進行二月,每次考績期間為六個月。第三條(對象)公司全體業務人員須接受考核,惟進公司未滿六個月者不列入考核對象。第四條(考績與昇遷)昇遷考核原則上以過去二年考績加總評定,最近半年考績佔35%,其餘以30%、20%、15%依次類推。第五條(考核者責任)1.考核者須公正無私。2.不以先入觀、直覺印象考核。第六條(自我考核)業務人員須先行自我考核,將考核結果交與直屬長官。第七條(考核者與被考核者)第2页共54页第1页共54页编号:时间:2021年x月x日书山有路勤为径,学海无涯苦作舟页码:第2页共54页自我考核一次考核二次考核考核者業務代表業務經理業務副總業務經理業務副總總經理1.經理參考業務代表自我考核的結果進行一次考核,須將考核結果告予業務代表,並將考核結果交由業務副總。業務副總可調整整體不均衡的部分,進行二次考核。2.業務副總參考業務經理自我考核的結果進行一次考核,須將考核結果告予業務經理,並將考核結果交由總經理。3.總經理可調整整體不均衡的部分,進行二次考核。第八條(考核表)1.業務代表考核表第3页共54页第2页共54页编号:时间:2021年x月x日书山有路勤为径,学海无涯苦作舟页码:第3页共54页1.業務經理考核表第4页共54页第3页共54页编号:时间:2021年x月x日书山有路勤为径,学海无涯苦作舟页码:第4页共54页第九條(考評等級)依職稱分類,將考評點數按高低順序排列,考評等級以下表評定。名次順序前20%21%-50%51%-90%91%-100%等級優甲乙丙第十條業務人員考勤獎金比照公司人事規章。第十一條本辦法有未盡事宜或疑義,由業務副總會同人事主管說明。第十二條本辦法自○年○月起實施。訓練經理的七個基盤工作第5页共54页第4页共54页编号:时间:2021年x月x日书山有路勤为径,学海无涯苦作舟页码:第5页共54页基盤1--找出達成訓練績效的平衡點教育與訓練是不同的,您必須瞭解二者的差別點,因為它和訓練部門的工作績效有最直接的關連。我們從小就接受教育,跨入社會,進入企業,學校學的知識能夠立刻用得上的可說是很有限,例如一位學生產管理的學生,他學了許多工廠生產管理方面的知識,但進入工廠工作時,他立刻面對的是許多生產管理方面的電腦軟體、從未接觸過的生產流程及自動化設備,這時他的第一項工作就是接受這些生產軟體、流程的訓練,學會後才有能力進行他職務上的工作。訓練能直接提昇業務遂行力訓練是提昇某項工作的熟練度及技巧,以提昇特定職務的遂行能力,企業內每個人的業務遂行能力提昇了,這種成果自然會反映在公司績效上。因此,我們可說「企業的訓練」是短期的、針對某種特定的業務遂行力所做的教導工作,多半能經過反複的練習增進執行的能力,例如打字的速度訓練、角色扮演的推銷技巧訓練等。第6页共54页第5页共54页编号:时间:2021年x月x日书山有路勤为径,学海无涯苦作舟页码:第6页共54页教育偏向共通性知識的理解力「教育」是什麼呢?教育是一項長期、範圍較大、針對廣泛知識傳播的工作,多半偏向知識的理解,例如我們都曾受過的學校教育。教育與訓練在觀念上的差異,可參考圖(1)圖(1)創造力、判斷力、戰略思考力要透過能力開發提昇企業內專業性的領域,經由訓練提昇能力是很容易理解的,但企業經營上有許多重要的能力,是無法經由反複的訓練提昇,例如創造力、判斷力、先見力、戰略思考力……等。訓練經理就必須透過特殊的課設計以開發人們的能力,我們稱為能力開發(development),例如管理者能力開發或經營者能力開發。第7页共54页第6页共54页编号:时间:2021年x月x日书山有路勤为径,学海无涯苦作舟页码:第7页共54页具體而言,企業可分成三個階層,各階層業務遂行時所強調的能力不同,如圖(2)所示。圖(2)因此,訓練經理在進行企業人力素質...

1、当您付费下载文档后,您只拥有了使用权限,并不意味着购买了版权,文档只能用于自身使用,不得用于其他商业用途(如 [转卖]进行直接盈利或[编辑后售卖]进行间接盈利)。
2、本站所有内容均由合作方或网友上传,本站不对文档的完整性、权威性及其观点立场正确性做任何保证或承诺!文档内容仅供研究参考,付费前请自行鉴别。
3、如文档内容存在违规,或者侵犯商业秘密、侵犯著作权等,请点击“违规举报”。

碎片内容

【企业案例】企业内训纲要

您可能关注的文档

确认删除?
VIP
微信客服
  • 扫码咨询
会员Q群
  • 会员专属群点击这里加入QQ群
客服邮箱
回到顶部