电脑桌面
添加小米粒文库到电脑桌面
安装后可以在桌面快捷访问

风险点与防控措施DOC35页)VIP免费

风险点与防控措施DOC35页)_第1页
1/56
风险点与防控措施DOC35页)_第2页
2/56
风险点与防控措施DOC35页)_第3页
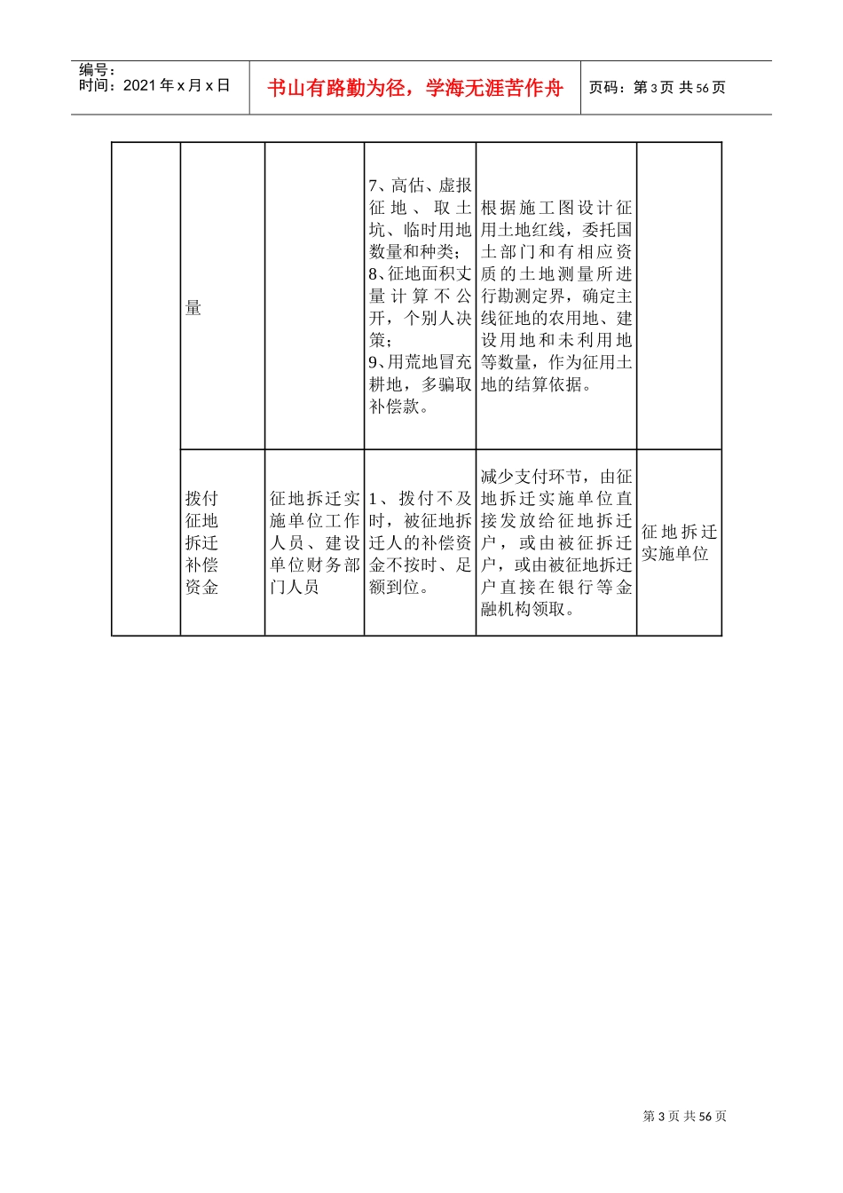
3/56
第1页共56页编号:时间:2021年x月x日书山有路勤为径,学海无涯苦作舟页码:第1页共56页XX腐败风险点及防控措施一览表征地拆迁工作流程所处环节所涉对象及腐败风险点防控措施及责任主体所涉对象腐败风险点防控措施责任主任1征地拆迁实地测绘确定征地拆迁面积、数量征地拆迁实施单位工作人员、建设单位工程管理部门人员、征地拆迁部门人员1、故意扩大丈量面积、提高拆迁等级,虚报拆迁面积骗取补偿款;2、虚列被拆迁户名、户数,套取拆迁补偿资金。1、采取拆迁户、地方县镇(乡)村、建设单位、设计单位四方现场测量确认拆迁数量和拆迁面积并公示,上级主管部门随机抽查的方式,加强拆迁审核力度;2、严格按照设计图纸确定的拆迁范围控制拆迁,超出设计图纸的部分须经设计单位、建设单位、监督部门三方现场确认后方可拆迁。建设单位工程管理部门、征地拆迁部门3、拆迁工程数量、丈量、计算审核不严。实行复核审查确认签名制度。第2页共56页编号:时间:2021年x月x日书山有路勤为径,学海无涯苦作舟页码:第2页共56页4、以公益事业(小学、幼儿园等)为名多报补偿资金。1、对无标准的拆迁项目,应采用第三方评估。续上表流程所处环节所涉对象及腐败风险点防控措施及责任主体所涉对象腐败风险点防控措施责任主任1征地拆迁实地测绘确定征地拆迁面积、数征地拆迁实施单位工作人员、建设单位工程管理部门人员、征地拆迁部门人员5、涉及特殊、大型建筑物的拆迁,估价过高,多报补偿资金。2、对于不属于规定范围内的拆迁补偿项目,按程序向上级主管部门申报,经同意后方可开展工作。建设单位工程管理部门、征地拆迁部门6、在征地拆迁协议外“一事一议”类事件的界定和审查上过分迁就地方利益或个人决策。征地拆迁协议外“一事一议”类事件,应集体研究决定。第3页共56页编号:时间:2021年x月x日书山有路勤为径,学海无涯苦作舟页码:第3页共56页量7、高估、虚报征地、取土坑、临时用地数量和种类;8、征地面积丈量计算不公开,个别人决策;9、用荒地冒充耕地,多骗取补偿款。根据施工图设计征用土地红线,委托国土部门和有相应资质的土地测量所进行勘测定界,确定主线征地的农用地、建设用地和未利用地等数量,作为征用土地的结算依据。拨付征地拆迁补偿资金征地拆迁实施单位工作人员、建设单位财务部门人员1、拨付不及时,被征地拆迁人的补偿资金不按时、足额到位。减少支付环节,由征地拆迁实施单位直接发放给征地拆迁户,或由被征拆迁户,或由被征地拆迁户直接在银行等金融机构领取。征地拆迁实施单位第4页共56页编号:时间:2021年x月x日书山有路勤为径,学海无涯苦作舟页码:第4页共56页续上表流程所处环节所涉对象及腐败风险点防控措施及责任主体所涉对象腐败风险点防控措施责任主任1征地拆迁拨付征地拆迁补偿资金征地拆迁实施单位工作人员、建设单位财务部门人员2、征地拆迁补偿资金被拆借、挪用、转移、滞留、挤点。政府审计部门或社会审计机构对征地拆迁补偿资金拨付情况进行审计。建设单位财务部门3、征地拆迁补偿资金使用不公开、不透明。1、加强信息公开,将拆迁补偿政策、标准以及面积、补偿金额等逐级在媒介上进行公示;2、公示征地逝迁补偿资金使用情况,接受社会监督。征地拆迁实施单位、建设单位财务部门4、征地拆迁补偿资金没有专户储存,专款专用。实行征地拆迁补偿资金单独建账,专户储存,专人管理制度,做到专款专用。5、上报申请与下发的征地拆迁补偿资金两本账。有关部门定期检查征地拆迁补偿资金的发放使用情况,是否做到账、款相符;不定期抽查被拆迁人应得拆迁款与已付拆迁款账、款是否相符。建设单位内部审计部门第5页共56页编号:时间:2021年x月x日书山有路勤为径,学海无涯苦作舟页码:第5页共56页第6页共56页编号:时间:2021年x月x日书山有路勤为径,学海无涯苦作舟页码:第6页共56页腐败风险点及防控措施一览表招标、投标工作流程所处环节所涉对象及腐败风险点防控措施及责任主体所涉对象腐败风险点防控措施责任主任2招标投标履行招标准备工作有关手续招标人1、应招标而不招标,或以将项目化整为零方式规避招标;2、未经有关部门核准而采用邀请招标方式...

1、当您付费下载文档后,您只拥有了使用权限,并不意味着购买了版权,文档只能用于自身使用,不得用于其他商业用途(如 [转卖]进行直接盈利或[编辑后售卖]进行间接盈利)。
2、本站所有内容均由合作方或网友上传,本站不对文档的完整性、权威性及其观点立场正确性做任何保证或承诺!文档内容仅供研究参考,付费前请自行鉴别。
3、如文档内容存在违规,或者侵犯商业秘密、侵犯著作权等,请点击“违规举报”。

碎片内容

风险点与防控措施DOC35页)

确认删除?
VIP
微信客服
  • 扫码咨询
会员Q群
  • 会员专属群点击这里加入QQ群
客服邮箱
回到顶部