电脑桌面
添加小米粒文库到电脑桌面
安装后可以在桌面快捷访问

企业管理内训纲要VIP免费

企业管理内训纲要_第1页
1/53
企业管理内训纲要_第2页
2/53
企业管理内训纲要_第3页
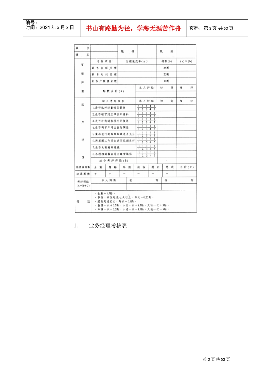
3/53
第1页共53页编号:时间:2021年x月x日书山有路勤为径,学海无涯苦作舟页码:第1页共53页企业内训纲要业务经理专业Know-HowPlus业务管理规程第一条(目的)本办法针对业务人员的业绩及能力,做定期的考核,做为业务人员升迁、调薪、工作调整及教育训练的评定基准,以提升业务人员的工作意愿及能力,促进公司经营效率的提升。第二条(期间)考绩每年一月、七月进行二月,每次考绩期间为六个月。第三条(对象)公司全体业务人员须接受考核,惟进公司未满六个月者不列入考核对象。第四条(考绩与升迁)升迁考核原则上以过去二年考绩加总评定,最近半年考绩占35%,其余以30%、20%、15%依次类推。第五条(考核者责任)1.考核者须公正无私。2.不以先入观、直觉印象考核。第六条(自我考核)业务人员须先行自我考核,将考核结果交与直属长官。第七条(考核者与被考核者)自我考核一次考核二次考核第2页共53页编号:时间:2021年x月x日书山有路勤为径,学海无涯苦作舟页码:第2页共53页考核者业务代表业务经理业务副总业务经理业务副总总经理1.经理参考业务代表自我考核的结果进行一次考核,须将考核结果告予业务代表,并将考核结果交由业务副总。业务副总可调整整体不均衡的部分,进行二次考核。2.业务副总参考业务经理自我考核的结果进行一次考核,须将考核结果告予业务经理,并将考核结果交由总经理3.总经理可调整整体不均衡的部分,进行二次考核。第八条(考核表)1.业务代表考核表第3页共53页编号:时间:2021年x月x日书山有路勤为径,学海无涯苦作舟页码:第3页共53页1.业务经理考核表第4页共53页编号:时间:2021年x月x日书山有路勤为径,学海无涯苦作舟页码:第4页共53页第九条(考评等级)依职称分类,将考评点数按高低顺序排列,考评等级以下表评定。名次顺序前20%21%-50%51%-90%91%-100%等级优甲乙丙第十条业务人员考勤奖金比照公司人事规章。第十一条本办法有未尽事宜或疑义,由业务副总会同人事主管说明。第十二条本办法自○年○月起实施。训练经理的七个基盘工作第5页共53页编号:时间:2021年x月x日书山有路勤为径,学海无涯苦作舟页码:第5页共53页基盘1--找出达成训练绩效的平衡点教育与训练是不同的,您必须了解二者的差别点,因为它和训练部门的工作绩效有最直接的关连。我们从小就接受教育,跨入社会,进入企业,学校学的知识能够立刻用得上的可说是很有限,例如一位学生产管理的学生,他学了许多工厂生产管理方面的知识,但进入工厂工作时,他立刻面对的是许多生产管理方面的计算机软件、从未接触过的生产流程及自动化设备,这时他的第一项工作就是接受这些生产软件、流程的训练,学会后才有能力进行他职务上的工作。训练能直接提升业务遂行力训练是提升某项工作的熟练度及技巧,以提升特定职务的遂行能力,企业内每个人的业务遂行能力提升了,这种成果自然会反映在公司绩效上。因此,我们可说「企业的训练」是短期的、针对某种特定的业务遂行力所做的教导工作,多半能经过反复的练习增进执行的能力,例如打字的速度训练、角色扮演的推销技巧训练等。教育偏向共通性知识的理解力「教育」是什么呢?教育是一项长期、范围较大、针对广泛知识传播的工作,多半偏向知识的理解,例第6页共53页编号:时间:2021年x月x日书山有路勤为径,学海无涯苦作舟页码:第6页共53页如我们都曾受过的学校教育。教育与训练在观念上的差异,可参考图(1)图(1)创造力、判断力、战略思考力要透过能力开发提升企业内专业性的领域,经由训练提升能力是很容易理解的,但企业经营上有许多重要的能力,是无法经由反复的训练提升,例如创造力、判断力、先见力、战略思考力……等。训练经理就必须透过特殊的课设计以开发人们的能力,我们称为能力开发(development),例如管理者能力开发或经营者能力开发。具体而言,企业可分成三个阶层,各阶层业务遂行时所强调的能力不同,如图(2)所示。第7页共53页编号:时间:2021年x月x日书山有路勤为径,学海无涯苦作舟页码:第7页共53页图(2)因此,训练经理在进行企业人力素质提升时,须认清工作进行的二个大方向:1.训练透过反复的练习,以提升业...

1、当您付费下载文档后,您只拥有了使用权限,并不意味着购买了版权,文档只能用于自身使用,不得用于其他商业用途(如 [转卖]进行直接盈利或[编辑后售卖]进行间接盈利)。
2、本站所有内容均由合作方或网友上传,本站不对文档的完整性、权威性及其观点立场正确性做任何保证或承诺!文档内容仅供研究参考,付费前请自行鉴别。
3、如文档内容存在违规,或者侵犯商业秘密、侵犯著作权等,请点击“违规举报”。

碎片内容

企业管理内训纲要

您可能关注的文档

确认删除?
VIP
微信客服
  • 扫码咨询
会员Q群
  • 会员专属群点击这里加入QQ群
客服邮箱
回到顶部