电脑桌面
添加小米粒文库到电脑桌面
安装后可以在桌面快捷访问

全国轴承行业质量跨标杆技术管理条例VIP免费

全国轴承行业质量跨标杆技术管理条例_第1页
1/13
全国轴承行业质量跨标杆技术管理条例_第2页
2/13
全国轴承行业质量跨标杆技术管理条例_第3页
3/13
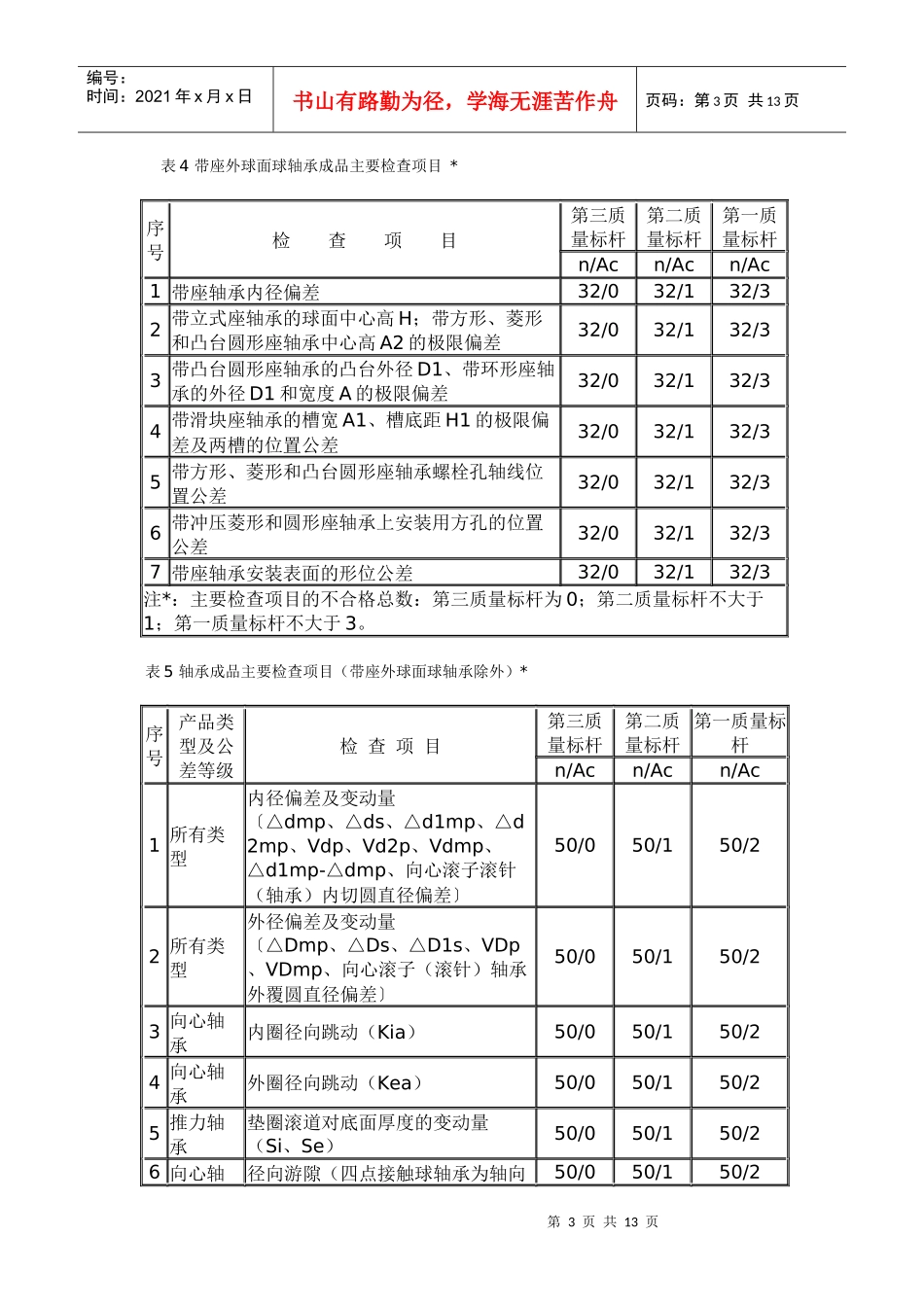
第1页共13页编号:时间:2021年x月x日书山有路勤为径,学海无涯苦作舟页码:第1页共13页全国轴承行业质量跨标杆技术管理条例2005(试行)为了全方位地提高我国轴承产品质量,提高我国轴承产品在国际市场上的竞争能力,今年中国轴承工业协会以“中轴协[2005]第01号”文通知,决定在全国轴承行业范围内,掀起一个轴承产品质量跨标杆的活动。根据通知精神,按照轴承质量水平的高低,竖立三种产品质量标杆。各轴承企业可根据本企业实际情况,制订出不同时期跨越质量标杆的攻关计划。中国轴承工业协会将根据申请企业的申报材料在行业开展跨质量标杆自愿性产品质量认定。现将三种质量标杆技术指标及其标杆评审管理办法公布如下:第一条轴承实物质量从低到高分为三个标杆。第一质量标杆:产品质量合格标志认定(1BQC);第二质量标杆:产品质量优秀标志认定(2BQC);第三质量标杆:名牌产品质量标志认定(3BQC)。第二条轴承行业质量跨标杆活动计划跨越时段2005-2010年。第三条质量跨标杆活动总目标标杆项目第三质量标杆第二质量标杆第一质量标杆企业数30150300行业总销售额率%507090行业品种占有率%708090第四条产品振动噪声指标标杆项目第三质量标杆第二质量标杆第一质量标杆深沟球微小型Z3(V3)PZ4(V4)PZ3(V3)Z2(V2)中大型Z3(V3)Z2(V2)Z1(V1)圆柱、圆锥滚子轴承(大中型)*Z3(V3)P(圆锥除外)Z3(V3)Z2(V2)*滚针轴承Z3(V3)PZ3(V3)Z2(V2)注*:现无标准,待订。第五条产品寿命可靠性指标表1滚动轴承产品寿命可靠性指标标杆项目第三质量第二质量第一质量第2页共13页第1页共13页编号:时间:2021年x月x日书山有路勤为径,学海无涯苦作舟页码:第2页共13页标杆标杆标杆通用轴承K值(L10t/L10)球轴承≥9≥6≥3滚子轴承≥6≥4≥2专用轴承汽车轮毂≥25万公里≥15万公里≥10万公里火车轮毂速度≥200km/H≥150km/H≥80km/H寿命150万公里120万公里80万公里机床主轴轴承(寿命)≥2000小时≥1500小时≥1000小时板热连轧工作辊轴承≥120万吨≥100万吨≥80万吨表2关节轴承寿命指标关节轴承试验寿命/计算寿命第三质量标杆第二质量标杆第一质量标杆向心关节轴承≥1.5≥1.2≥1角接触关节轴承≥1.5≥1.2≥1推力关节轴承≥1.5≥1.2≥1杆端关节轴承≥1.5≥1.2≥1第六条对轴承成品及零件质量检查水平判断,不同标杆按下列各表的要求。表3轴承成品关键检查项目序号检查项目各等级质量标杆nAc外圈内圈滚动体1硬度22402金相组织11203工作表面粗糙度11204工作表面烧伤50(32)2)50(32)2)50(32)2)05裂纹1)50(32)2)50(32)2)50(32)2)06错缺零件50(32)2)50(32)2)50(32)2)07材料不符50(32)2)50(32)2)50(32)2)08工作表面外观质量50(32)2)50(32)2)50(32)2)09实物质量与明示标准(标识)不符3)1)外观检查时不允许出现目测可见的裂纹,酸洗检验发现的裂纹也不允许。2)括号内表示带座外球面球轴承成品套数。3)无合格证或装箱单产品为不合格品。第3页共13页第2页共13页编号:时间:2021年x月x日书山有路勤为径,学海无涯苦作舟页码:第3页共13页表4带座外球面球轴承成品主要检查项目*序号检查项目第三质量标杆第二质量标杆第一质量标杆n/Acn/Acn/Ac1带座轴承内径偏差32/032/132/32带立式座轴承的球面中心高H;带方形、菱形和凸台圆形座轴承中心高A2的极限偏差32/032/132/33带凸台圆形座轴承的凸台外径D1、带环形座轴承的外径D1和宽度A的极限偏差32/032/132/34带滑块座轴承的槽宽A1、槽底距H1的极限偏差及两槽的位置公差32/032/132/35带方形、菱形和凸台圆形座轴承螺栓孔轴线位置公差32/032/132/36带冲压菱形和圆形座轴承上安装用方孔的位置公差32/032/132/37带座轴承安装表面的形位公差32/032/132/3注*:主要检查项目的不合格总数:第三质量标杆为0;第二质量标杆不大于1;第一质量标杆不大于3。表5轴承成品主要检查项目(带座外球面球轴承除外)*序号产品类型及公差等级检查项目第三质量标杆第二质量标杆第一质量标杆n/Acn/Acn/Ac1所有类型内径偏差及变动量〔△dmp、△ds、△d1mp、△d2mp、Vdp、Vd2p、Vdmp、△d1mp-△dmp、向心滚子滚针(轴承)内切圆直径偏差〕50/050/150...

1、当您付费下载文档后,您只拥有了使用权限,并不意味着购买了版权,文档只能用于自身使用,不得用于其他商业用途(如 [转卖]进行直接盈利或[编辑后售卖]进行间接盈利)。
2、本站所有内容均由合作方或网友上传,本站不对文档的完整性、权威性及其观点立场正确性做任何保证或承诺!文档内容仅供研究参考,付费前请自行鉴别。
3、如文档内容存在违规,或者侵犯商业秘密、侵犯著作权等,请点击“违规举报”。

碎片内容

全国轴承行业质量跨标杆技术管理条例

精品中小学文档+ 关注
实名认证
内容提供者

精品资料,值得下载

确认删除?
VIP
微信客服
  • 扫码咨询
会员Q群
  • 会员专属群点击这里加入QQ群
客服邮箱
回到顶部