电脑桌面
添加小米粒文库到电脑桌面
安装后可以在桌面快捷访问

人防综合工程监理实施细则VIP免费

人防综合工程监理实施细则_第1页
1/11
人防综合工程监理实施细则_第2页
2/11
人防综合工程监理实施细则_第3页
3/11
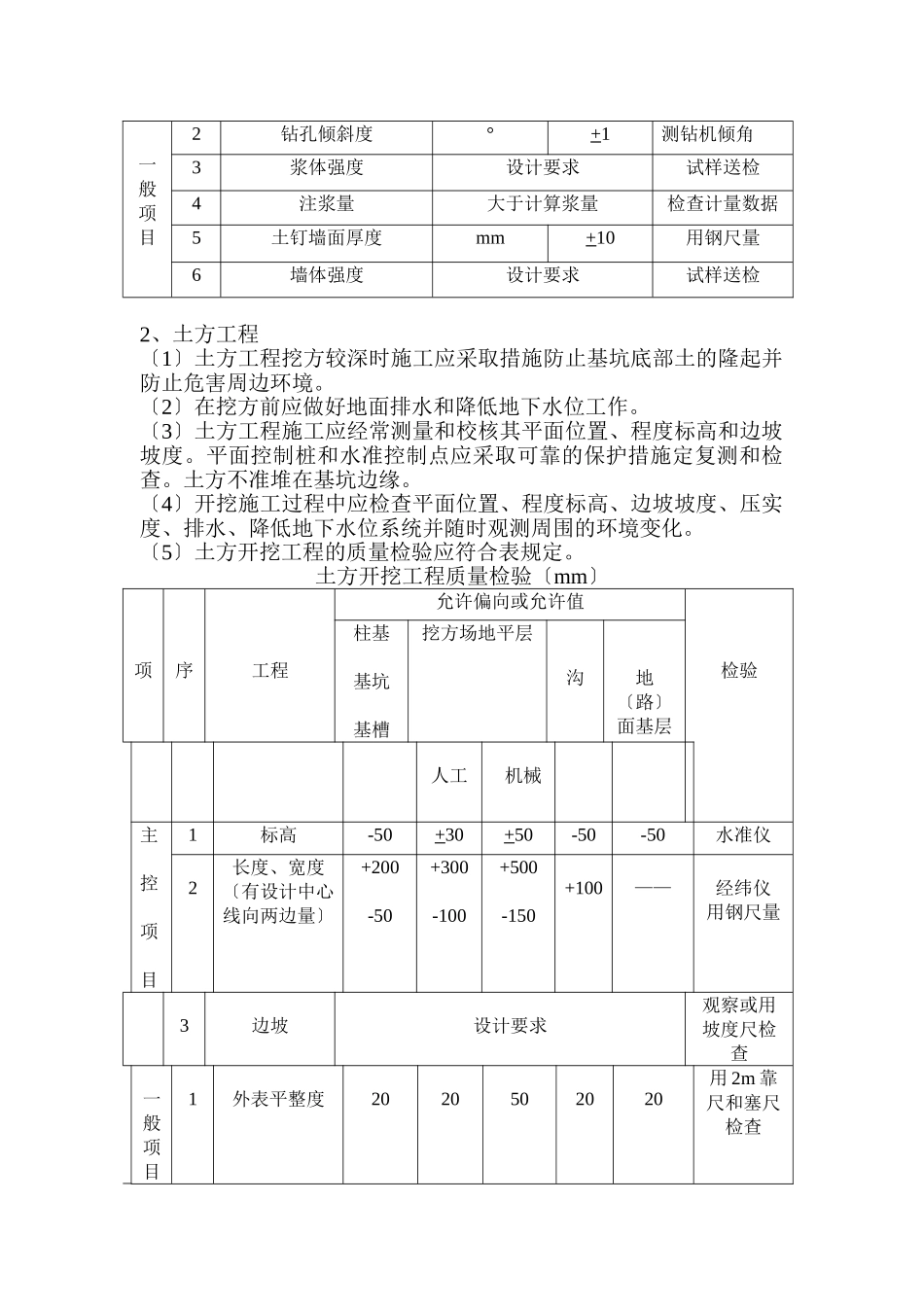
常州****人防综合工程监理施行细那么〔施工阶段〕一、编制本细那么根据1、已批准的监理规划2、已批准的施工组织设计3、建筑地基根底工程施工质量验收GB50202-20024、砌体工程施工质量验收GB50203-20025、混凝土构造工程施工质量验收GB50204-20026、屋面工程质量验收GB50207-20027、建筑地面工程施工质量验收GB50209-20028、地下防水工程质量验收GB50208-20029、建筑装饰装修工程质量验收GB50210-200210、建筑工程施工质量验收统一GB50300-200111、与专业工程相关的、设计和技术资料二、工程概况:本工程为常州**广场人防综合工程工程为地下两层人防综合工程地下二层平时为停车库战时为两个防护单元的战备物资库地下一层平时为商品零售等商业用房、理用房战时设1个防护单元的二等人员掩蔽部。建筑面积12040m2建筑类别为一类防火等级为一级合理使用年限50年防护等级为六级。三、监理工作范围:监理工程师根据监理委托合同对工程进展施工阶段的全过程监理。四、监理工作及措施:监理工程师对施工过程进展巡视和检查根据现场施工情况认真填写监理日记。对隐蔽工程的隐蔽过程、下道工序施工完成后难以检查的重点部位或关键工序施工过程中安排监理人员进展旁站。专业监理工程师根据承包报送的隐蔽工程报验申请表和自检结果进展现场平行检验符合要求予以签认。专业监理工程师对承包报送的拟进场工程材料、构配件和设备的工程资料/构配件/设备报审表及其质量证明资料进展审核并对进场的实物按照委托监理合同约定或有关工程质量理规定的比例采用平行检验或见证取样方式进展抽检。五、施工准备阶段监理:1、熟悉设计并对图纸中存在的问题通过建立向设计提出书面和建议。2、参加由建立组织的设计技术交底会总监理工程师对设计技术交底进展签认。3、工程工程开工前总监理工程师组织专业监理工程师审查承包报送的施工组织设计〔方案〕报审表提出审查并经总监理工程师审核签认后报建立。4、工程工程开工前总监理工程师审查承包现场工程理机构的质量理体系、技术理体系和质量保证体系确能保证工程工程施工质量时予以确认。5、分包工程开工前专业监理工程师审查承包报送的分包资格报审表和分包有关资质资料符合有关规定后由总监理工程师予以签认。6、专业监理工程师对承包报送的测量放线控制成果及保护措施进展检查符合要求时对承包报送的施工测量成果报验申请表予以签认。7、专业监理工程师审查承包报送的工程开工报审表及相关资料具备开工条件时由总监理工程师签发并报建立。8、工程开工前参加由建立主持召开的第一次工地会议。第一次工地应由工程监理机构负责起草并经与会各方代表会签。六、工序监理:1、锚杆及土钉墙支护工程〔1〕锚杆及土钉墙支护工程施工前应熟悉地质资料、设计图纸及周围环境降水系统应确保正常工作必须的施工设备应能正常运转。〔2〕一般情况下应遵循分段开挖分段支护的原那么不宜按一次挖就再行支护的方式施工。〔3〕施工中应对锚杆或土钉位置钻孔直径深度及角度锚杆或土钉插入长度注浆配比、压力及注浆量喷锚墙面厚度及强度、锚杆或土钉应力等进展检查。〔4〕每段支护体施工完后应检查坡顶或坡面位移坡顶沉降及周围环境变化如有异常情况应采取措施恢复正常前方可继续施工。〔5〕锚杆及土钉墙支护工程质量检验应符合下表规定。锚杆及土钉墙支护工程质量检验项序检查工程允许偏向或允许值检查数值主控项目1锚杆土钉长度mm+30用钢尺量2锚杆锁定力设计要求现场实测1锚杆或土钉位置mm+100用钢尺量一般项目2钻孔倾斜度°+1测钻机倾角3浆体强度设计要求试样送检4注浆量大于计算浆量检查计量数据5土钉墙面厚度mm+10用钢尺量6墙体强度设计要求试样送检2、土方工程〔1〕土方工程挖方较深时施工应采取措施防止基坑底部土的隆起并防止危害周边环境。〔2〕在挖方前应做好地面排水和降低地下水位工作。〔3〕土方工程施工应经常测量和校核其平面位置、程度标高和边坡坡度。平面控制桩和水准控制点应采取可靠的保护措施定复测和检查。土方不准堆在基坑边缘。〔4〕开挖施工过程中应检查平面位置、程度标高、边坡坡度、压实度、排水、降低地下水位系统并随时观测周围的环境变化。〔5〕土方...

1、当您付费下载文档后,您只拥有了使用权限,并不意味着购买了版权,文档只能用于自身使用,不得用于其他商业用途(如 [转卖]进行直接盈利或[编辑后售卖]进行间接盈利)。
2、本站所有内容均由合作方或网友上传,本站不对文档的完整性、权威性及其观点立场正确性做任何保证或承诺!文档内容仅供研究参考,付费前请自行鉴别。
3、如文档内容存在违规,或者侵犯商业秘密、侵犯著作权等,请点击“违规举报”。

碎片内容

人防综合工程监理实施细则

墨香书阁+ 关注
实名认证
内容提供者

热爱教学事业,对互联网知识分享很感兴趣

确认删除?
VIP
微信客服
  • 扫码咨询
会员Q群
  • 会员专属群点击这里加入QQ群
客服邮箱
回到顶部