电脑桌面
添加小米粒文库到电脑桌面
安装后可以在桌面快捷访问

六合气象业务办公系统风险评估VIP免费

六合气象业务办公系统风险评估_第1页
1/7
六合气象业务办公系统风险评估_第2页
2/7
六合气象业务办公系统风险评估_第3页
3/7
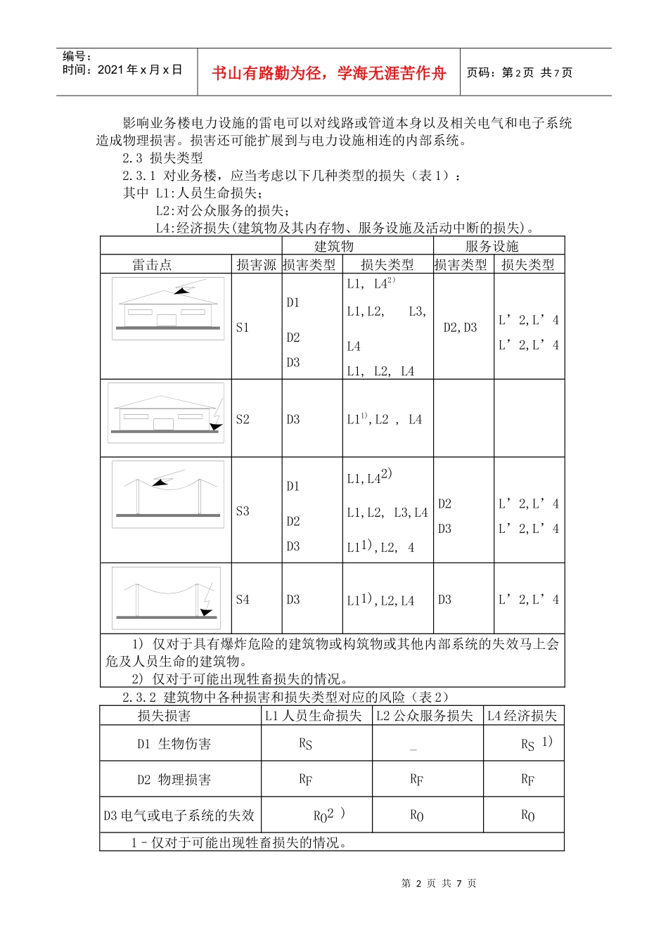
第1页共7页编号:时间:2021年x月x日书山有路勤为径,学海无涯苦作舟页码:第1页共7页六合区气象局新址业务楼雷电灾害风险评估南京市六合区气象局211500李明军上海市嘉定区气象局201821高晓东摘要:本文分析了六合区气象局业务楼所处的环境特征、土壤性质,结合气象信息系统设备的重要性,对其进行雷电灾害风险评估,并针对已设计的防雷装置进行分析,以确保业务楼内气象信息系统设备的安全和人员的人身安全。关键词:气象局业务楼雷电灾害损害损失1、地理地质条件南京地处长江中下游平原,坐落在地势险峻的丘陵地带。东面是以紫金山为主体的宁镇山脉,万里长江穿越市区。南京属于北亚热带季风气候区,四季分明雨量集中。夏半年主导风为东东南风,年平均雷暴日为36.7天,雷暴的移动路径主要由西向东,属于雷暴多发区。六合区气象局新址位于六合区城区北部,四周空旷。该地区的原为水塘,土质结构是黏土,土壤湿润,土质良好,测试土壤电阻率为数十欧姆·米。土壤电阻率测试结果:a为文納四级法中测量探针的距离。东西方向:a=2mρ=18.38Ω.ma=4mρ=17.83Ω.ma=6mρ=17.49Ω.ma=8mρ=16.94Ω.m南北方向:a=2mρ=18.16Ω.ma=4mρ=17.30Ω.ma=6mρ=17.41Ω.ma=8mρ=17.29Ω.m测试结果分析表明,从地表至地下16米范围内的平均电阻率约为17.6Ω.m。考虑到季节修正系数(取1.6)后的土壤电阻率约为28.2Ω.m。根据近十年来的气象雷暴资料统计,雷暴活动最活跃的月份是七、八月份,其强度较大。雷暴活动比较频繁的月份是三月至九月,该地区的初雷日是二月,而终雷日是十二月,这就说明该地区一年当中只有一月没有雷暴日,由此可见该地区雷暴活动频繁,没有一定的规律。根据近十年各月最大风速资料统计,该地区各月平均风速都在5米/秒以上,极大风速可达31米/秒。2、雷电造成业务楼的各种损害的成因2.1损害源雷电流是根本的损害源。损害源根据雷击点的位置(见表1)可以划分为:S1:雷击业务楼,S2:雷击业务楼附近大地或建筑物,S3:雷击业务楼埋地电缆等设施,S4:雷击业务楼埋地电缆附近大地或建筑物。2.2损害类型根据业务楼的特性,在实际的风险评估中,将雷击引起的基本损害类型划分为以下三种:(见表1和表2):D1:生物伤害(雷电导致接触电压和跨步电压引起生物触电);D2:物理损害(雷击引起的着火、爆炸、机械效应及化学效应);D3:电气和电子系统失效(雷击下线路和设备上的过电压导致电力线路跳闸或电子设备失效和损毁)。第2页共7页第1页共7页编号:时间:2021年x月x日书山有路勤为径,学海无涯苦作舟页码:第2页共7页影响业务楼电力设施的雷电可以对线路或管道本身以及相关电气和电子系统造成物理损害。损害还可能扩展到与电力设施相连的内部系统。2.3损失类型2.3.1对业务楼,应当考虑以下几种类型的损失(表1):其中L1:人员生命损失;L2:对公众服务的损失;L4:经济损失(建筑物及其内存物、服务设施及活动中断的损失)。建筑物服务设施雷击点损害源损害类型损失类型损害类型损失类型S1D1D2D3L1,L42)L1,L2,L3,L4L1,L2,L4D2,D3L’2,L’4L’2,L’4S2D3L11),L2,L4S3D1D2D3L1,L42)L1,L2,L3,L4L11),L2,4D2D3L’2,L’4L’2,L’4S4D3L11),L2,L4D3L’2,L’41)仅对于具有爆炸危险的建筑物或构筑物或其他内部系统的失效马上会危及人员生命的建筑物。2)仅对于可能出现牲畜损失的情况。2.3.2建筑物中各种损害和损失类型对应的风险(表2)损失损害L1人员生命损失L2公众服务损失L4经济损失D1生物伤害RS_RS1)D2物理损害RFRFRFD3电气或电子系统的失效RO2)RORO1–仅对于可能出现牲畜损失的情况。第3页共7页第2页共7页编号:时间:2021年x月x日书山有路勤为径,学海无涯苦作舟页码:第3页共7页2–仅对于具有爆炸危险的建筑物或构筑物或其他内部系统的失效马上会危及人员生命的建筑物。总结来说,通常,雷电造成业务楼的各种损害的成因有以下几种:成因1——直接雷击业务楼下的接触电压和跨步电压;成因3——直接雷击下电力电子设备上的过电压;成因4——间接雷击下电力电子设备上的过电压;2.3.3业务楼中可能需要计算的风险包括:R1:人员生命损失风险;R2:对公众服务的损失风险;R4:经济损失风险3、针对业务...

1、当您付费下载文档后,您只拥有了使用权限,并不意味着购买了版权,文档只能用于自身使用,不得用于其他商业用途(如 [转卖]进行直接盈利或[编辑后售卖]进行间接盈利)。
2、本站所有内容均由合作方或网友上传,本站不对文档的完整性、权威性及其观点立场正确性做任何保证或承诺!文档内容仅供研究参考,付费前请自行鉴别。
3、如文档内容存在违规,或者侵犯商业秘密、侵犯著作权等,请点击“违规举报”。

碎片内容

六合气象业务办公系统风险评估

确认删除?
VIP
微信客服
  • 扫码咨询
会员Q群
  • 会员专属群点击这里加入QQ群
客服邮箱
回到顶部