电脑桌面
添加小米粒文库到电脑桌面
安装后可以在桌面快捷访问

建筑给水工程施工质量监理VIP免费

建筑给水工程施工质量监理_第1页
1/9
建筑给水工程施工质量监理_第2页
2/9
建筑给水工程施工质量监理_第3页
3/9
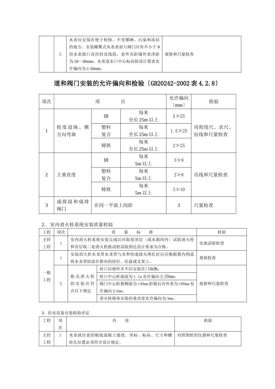
九、建筑给水工程施工质量监理(一)建筑给水工程施工质量验评本细那么包括:室内给水系统消防系统热水系统中水系统的道配件安装和各系统中附属设备安装的质量检验。其中隐含各系统中的分项工程的主控工程一般工程允许偏向工程的检验。1.室内给水道安装质量检验评定工程项次内容检验主控工程1给水道隐蔽水压试验结果必须符合设计要求和施工规定。观察检查试验记录2道及道支座〔墩〕严禁铺设在冻土和未经处理的松土上观察检查隐蔽记录3给水系统开工后或交付使用前必须进展冲洗观察检查道溃洗记录4室内给水道的水压试验必须符合设计要求。当设计未注明时各种材质的给水道系统试验压力均为工作压力的1.5倍但不得小于0.6Mpa1.金属及复合给水道系统在试验压力下观测10分钟压力降不应大于0.02Mpa然后降到工作压力进展检查应不渗不漏;塑料给水系统应在试验压力下稳压1h压力降不得超过0.05Mpa然后在工作压力的1.15倍状态下稳压2h压力降不得超过0.03Mpa同时检查各连接处不得渗漏。2.观察和开启阀门、水嘴等放水。5消费给水系统道在交付使用前必须冲洗和消并经有关部门取样检验符合?生活饮用水?方可使用。检查有关部门提供的检测6室内直埋给水道〔塑料道和复合道除外〕应做防腐处理埋地道防腐层材质和构造应符合设计要求。观察或部分解剖检查一般工程1给水引入与排水排出的程度净距不得小于1m。室内给水与排水道平行敷设时两间的最小程度净距不得小于0.5m;穿插铺设时垂直净距不得小于0.15m。给水应铺在排水上面假设给水必须铺在排水的下面时给水应加套其长度不得小于排水径的3倍。观察尺量检查2道及件焊接的焊缝外表质量应符合以下要求:1.焊缝外形尺寸应符合图纸和工艺的规定焊缝高度不得低于母材外表焊缝与母材应圆滑过度;2.焊缝及热影响区外表应无裂纹、未熔合、未焊透、夹渣、弧坑和气孔等缺陷。观察检查3给水程度道应有2‰~5‰的坡度坡向泄水装置.程度尺和尺量检查4道的支、吊架安装应平整结实其间距应符合设计要求及施工根本规定。观察、尺量及手扳检查5水表应安装在便于检修、不受爆晒、污染和冻结的地方。安装螺翼式水表表前与阀门应有不小于8倍水表接口直径的直线段。表外壳距墙外表净距为10~30mm;水表进水口中心标高按设计要求允许偏向为±10mm。观察和尺量检查道和阀门安装的允许偏向和检验〔GB20242-2002表4.2.8〕项次项目允许偏向〔mm〕检验1程度道纵、横方向弯曲钢每米全长25m以上1≯25用程度尺、直尺、拉线和尺量检查塑料复合每米全长25m以上1.5≯25铸铁每米全长25m以上2≯252立垂直度钢每米5m以上3≯8吊线和尺量检查塑料复合每米5m以上2≯8铸铁每米5m以上3≯103成排段和成排阀门在同一平面上间距3尺量检查2.室内消火栓系统安装质量检验工程项次质量标准检验主控工程1室内消火栓系统安装完成后应取屋顶层〔或水箱间内〕试验消火栓和首层取二处消火栓做试射试验到达设计要求为合格。实地试射检查一般工程1安装消火栓水龙带水龙带与水和快速接头绑扎好后应根据箱内构造将水龙带挂放在箱内的挂钉、托盘或支架上。观察检查2箱式消火栓的安装应符合以下规定栓口应朝外并不应安装在门轴侧;观察和尺量检查栓口中心距地面为1.1m允许偏向±20mm;阀门中心距箱侧面为140mm距箱后内外表为100mm允许偏向±5mm。消火栓箱体安装的垂直度允许偏向为3mm。3.给水设备安装检验评定工程项次内容检验主控工程1水泵就位前的根底混凝土强度、坐标、标高、尺寸和螺栓孔位置必须符合设计规定。对照图纸用仪器和尺量检查2水泵试运行的轴承温升必须符合设计说明书的规定。用温度计实测检查3敞口水箱的满水试验和闭水箱〔罐〕的水压试验必须符合设计与本的规定。满水试验静置24h观察不渗不漏;水压试验在试验压力下10分钟压力不降不渗不漏。一般工程3水箱支架或底座安装其尺寸及位置应符合设计埋设平整结实。对照图纸尺量检查1水箱溢水和泄放应设置在排水地点附近但不得与排水直接连接观察检查2立式水泵的减振装置不应采用弹簧减振器。观察检查3室内给水设备安装的允许偏向和检验见下表4.4.7的规定项目允许偏向〔mm〕检验1静置设备坐标15经纬仪或拉线、尺量标高±5用水准仪、拉线和尺量检查...

1、当您付费下载文档后,您只拥有了使用权限,并不意味着购买了版权,文档只能用于自身使用,不得用于其他商业用途(如 [转卖]进行直接盈利或[编辑后售卖]进行间接盈利)。
2、本站所有内容均由合作方或网友上传,本站不对文档的完整性、权威性及其观点立场正确性做任何保证或承诺!文档内容仅供研究参考,付费前请自行鉴别。
3、如文档内容存在违规,或者侵犯商业秘密、侵犯著作权等,请点击“违规举报”。

碎片内容

建筑给水工程施工质量监理

您可能关注的文档

墨香书阁+ 关注
实名认证
内容提供者

热爱教学事业,对互联网知识分享很感兴趣

确认删除?
VIP
微信客服
  • 扫码咨询
会员Q群
  • 会员专属群点击这里加入QQ群
客服邮箱
回到顶部